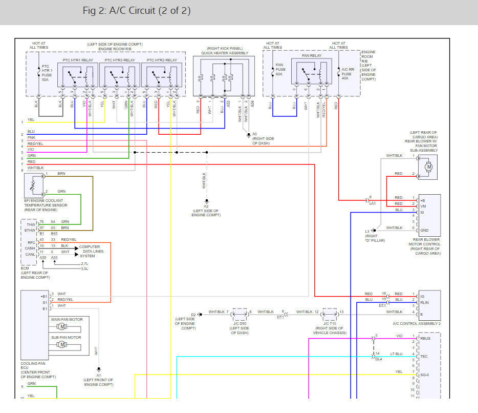
Van listed above is the Limited model. A/C blowing hot air and compressor not engaging. Not sure which relay is for the A/C compressor. It won't take Freon since the compressor won't engage. Not sure if it is the relay integration switch since I don't know how to check that. And I don't know how to jump the pressure switch since it has 3 slots. Pictures attached.
Appreciate your help!.
Appreciate your help!.
Sep 29, 2019 at 10:50 AM


















