A/C blower stuck on even when shut off, now no air from vents?

1996 LINCOLN TOWN CAR
99,000 MILES • 4.6L • V8 • 2WD • AUTOMATIC
Avatar
FREDD.R
  • MEMBER
  • 2 POSTS
I can hear something engaging under the dash when I cycle through the vent options but no air coming through the vents. I may also be getting some type of fumes into the cabin from somewhere.
Dec 15, 2024 at 10:15 PM
Advertisement
Avatar
STRAILER
  • CERTIFIED EXPERT
  • 53,855 POSTS
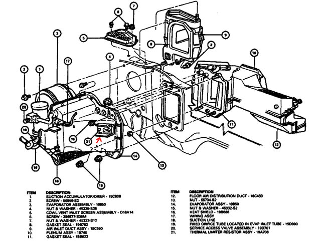
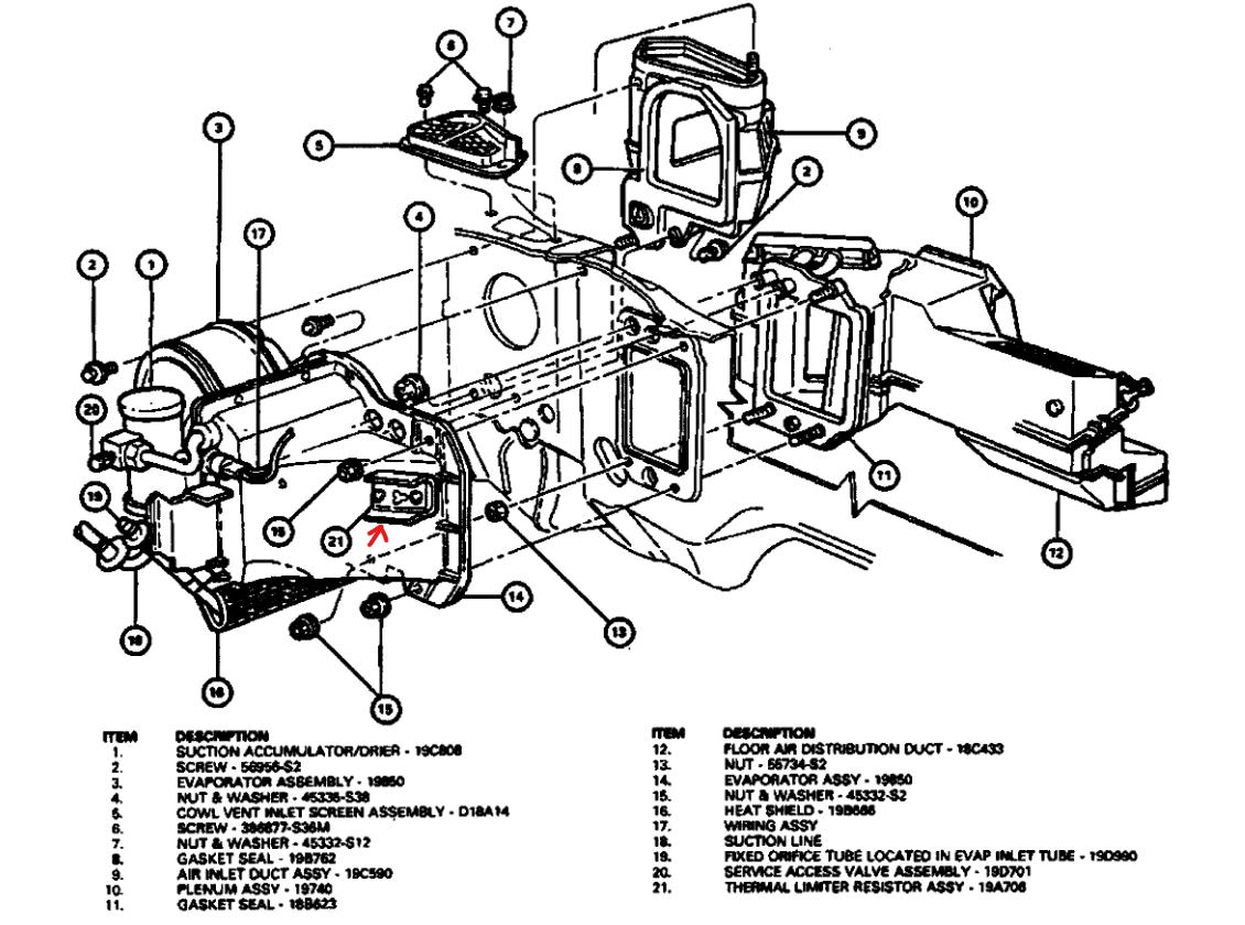
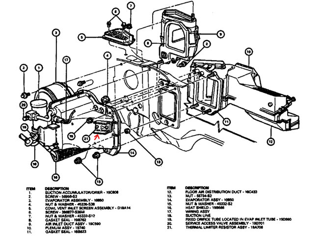
Please start a new thread for the "fumes" problem. So, is the blower running with the system off, or is the blower running but does not come out of the vents? If the blower is stuck on the blower motor speed control has gone bad here is the location so you can swap it out. If there is no air from the vents I would check under the hood for a broken vacuum line, here is a guide to help you:

https://www.2carpros.com/articles/low-or-no-air-flow-from-vents

Check out the images (below). Please upload pictures or videos in your response of any problems so we can see what to help you with.

Dec 17, 2024 at 11:22 AM
Avatar
FREDD.R
  • MEMBER
  • 2 POSTS
The blower was running even when off, now it's not turning on at all! No air from the vents at the moment. Also ran self diag and no codes came up.
Dec 17, 2024 at 11:25 AM
Advertisement
Avatar
STRAILER
  • CERTIFIED EXPERT
  • 53,855 POSTS
This should be the blower motor speed control that has gone out they still on and then burn up, I would try swapping it out which should fix it.
Dec 18, 2024 at 9:40 AM