After installing a new factory blend door actuator, the air flow is very low?

2000 CHEVROLET BLAZER
194,000 MILES • 4.3L • 6 CYL • 4WD • AUTOMATIC
Avatar
JOE THE MARINE
  • MEMBER
  • 86 POSTS
I just installed a new factory blend door actuator, which is located inside the glove box. Since i was getting hot air, now it's okay, and getting the A/C cold air i needed. But it seems to me that air flow from the vents is very low. I replaced the blower motor, HVAC switch resistor and all the vacuum lines inside the engine. I also have a 2000 Blazer and that blower motor blows air like a giant fan wind mill and I can see the difference in the other compared to this 2004. Is it possible that a door is broken or stuck? do i have to pull the dash to inspect this if i do? I can do this if need be, since i already replaced the heater core, what a job. Thanks for any info you can pass on and God bless all the info you pass on to all the people that write to you all.
Jun 14, 2024 at 11:18 AM
Advertisement
Avatar
AL514
  • CERTIFIED EXPERT
  • 5,465 POSTS
Hello, you're dealing with a 2004 model, correct? not a 2000? since this system limits the power side current and not the ground side. The blower is constantly grounded, you could jump the resistor out and see if the blower goes too high. On its lowest setting current flow for the blower has to go through all 3 resistors, whereas on High it's a straight shot from a different fuse. I'll put up the wiring diagrams that show how it works. So, you could first check for 12-volts at the resistor on the brown wire, if it's a full 12-volts, then you can jump it from the feed wire of the resistor bypassing the 3 internal resistors and feeding the blower full current. Let me put up the diagrams for you. A bad ground will have the same effect, limited current flow. You don't hear the blower on full, do you? Compared to the 2000 model.
Jun 14, 2024 at 2:03 PM
Avatar
AL514
  • CERTIFIED EXPERT
  • 5,465 POSTS
The first diagram shows the three slower Blower Motor speeds. The 2nd diagram shows how High-speed works, so it might not be an actuator door, but the Blower motor not receiving enough power to operate on High speed. If you hear a difference in the Blower Motors, then it can be an issue with the switch or bad ground for the blower itself. You could unplug the blower from under the hood and jump power and ground to it, that will tell you if it's a circuit/switch issue. The purple wire is the power at the blower motor plug and the black wire is its Ground.
Jun 14, 2024 at 2:22 PM
Advertisement
Avatar
AL514
  • CERTIFIED EXPERT
  • 5,465 POSTS
Heres the vacuum source diagram if you need it, but it sounds like a power issue to the blower motor.
Jun 14, 2024 at 2:38 PM
Avatar
JOE THE MARINE
  • MEMBER
  • 86 POSTS
it's a 2002 chevy blazer,4x4.
Jun 17, 2024 at 1:35 PM
Avatar
AL514
  • CERTIFIED EXPERT
  • 5,465 POSTS
This is the 2002 model, same design and operation, is the Blower Motor operating on High speed the same as the other year Blazer? Or any upper vents blowing more air than if you switch it to floor vents? If there's low voltage at the 2-wire blower motor connector in the engine compartment where it plugs in, which you can easily check with a multimeter, it would explain the low air flow. The Purple wire is the power feed, you can just put the meter leads one on each wire and see if there's a full 12-volts on High speed.

https://www.2carpros.com/articles/how-to-use-a-voltmeter
Jun 17, 2024 at 5:09 PM
Avatar
JOE THE MARINE
  • MEMBER
  • 86 POSTS
Thanks, I will check this out. God bless
Jun 18, 2024 at 12:19 PM
Avatar
STRAILER
  • CERTIFIED EXPERT
  • 53,854 POSTS
You are welcome, AL514 is one of our best! Please let us know how it goes.
Jun 18, 2024 at 6:35 PM
Avatar
JOE THE MARINE
  • MEMBER
  • 86 POSTS
I'm lost. What is AL 514? MY mind isnt working today. Could you explain what that is please? Thanks
Jun 19, 2024 at 1:24 AM
Avatar
AL514
  • CERTIFIED EXPERT
  • 5,465 POSTS
I'm Al, that's just my sign in name for the site.
Jun 19, 2024 at 10:54 AM
Avatar
JOE THE MARINE
  • MEMBER
  • 86 POSTS
Okay, this 100-degree heat and humid cannot work properly, my mind is too slow..
Jun 19, 2024 at 3:06 PM
Avatar
JOE THE MARINE
  • MEMBER
  • 86 POSTS
okay, did as you said, everything is fine. all is ok, except that the vent air is still weak and my son says, he's the mechanic ,who like to break um, and he knows i like to figure things out myself, says, Dad, its a leak in the heater box, which i don't like to pull the dash out, again. I see the blower motor os blowing really good,could it be a door being blocked?? I have a endiscope and was going to check the defrost, and floor vents, just to see if anything is blocking them or if the latch is broken,what do you think?? My son knows Im the old school mechanic and likre to figure things out without his help, and he lets me do my thing, but I like to prove I can do things my self and that gets him made when i can prove he is wong on certain topics. Okay, your call.
Jun 22, 2024 at 9:16 AM
Avatar
AL514
  • CERTIFIED EXPERT
  • 5,465 POSTS
Well, if the blower motor is running as good as the other vehicle, I mean audible you can hear it running on high, then it might be that a blend door such as the door that sends air flow to either the floor, dash vents, or defrost vents could be stuck mid-way causing the air to flow to the floor and dash vents at the same time. Effectively splitting the air flow to the two areas. There are two different designs for this year, an Automatic HVAC unit and a Manual HVAC, I'm just looking through the service info on the differences between the two, I will post the operations of both systems here in a minute,

but if I remember correctly there should be a vacuum solenoid block behind the glove box that diverts air using engine vacuum, you may have seen this when you had the dash apart. I agree it would be much better if we can figure this out without you having to pull the dash apart again.

This is a picture of the vacuum solenoid block, most of the older systems all ran on partially engine vacuum with some electronics as well.

So, a leak in these areas could actually make the engine run lean as well, I don't see many of these older vehicles anymore, but once and awhile.

When you change the settings on the control head, do you hear any door movements, such as switching from Floor to the dash vents? Or to defrost mode, do you get more or less air flow in any specific area that you notice? I'll grab this info on the operations of both systems here for you.
Jun 22, 2024 at 1:46 PM
Avatar
AL514
  • CERTIFIED EXPERT
  • 5,465 POSTS
Does your HVAC controls have an Auto Button Setting? Just looking at the operations here, the Manual vs Automatic, this is the Automatic systems operations when the Auto Button is set., the 2nd diagram is the Auto AC mode door operations, they are still vacuum controlled as well, so even the Auto design is vacuum and electronically controlled.
Okay, let me correct that, since you have a blower motor resistor block which you changed, you have a Manual AC system, that narrows down service info a lot.
Jun 22, 2024 at 2:32 PM
Avatar
AL514
  • CERTIFIED EXPERT
  • 5,465 POSTS
Also, when you had this apart to change to Blend door actuator, did you happen to have any cabin air filter out as well, I know you did the heater core and that involves quite a lot, but I wasn't sure if you had changed the cabin air filter, that will definitely restrict air flow, I know the 2002 Sierra and Silverado I believe have cabin air filters, those have blower motors that are inside the vehicle under the passenger side dash, and the cabin filter is just to the left of the blower, but they are like any other air filter, they get clogged. And if you live out in the country, I would also suspect rodents making nests, I have pulled hundreds of mice nests out of vehicles, although they do make a pretty strong odor within the vehicle. It may not have a factory cabin air filter, since its not listed in service info, but pulling the blower motor out and checking for any nests might be a good idea.
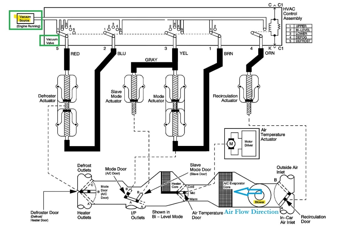
I would also wonder how dirty the evaporator core was when you were in there replacing the heater core, since air runs through the evap core all the time, but it is diverted when it gets to the heater core. This is the diagram will each door, plus the Evap core and heater core.

Another case I came across was Low air flow on a 01 S10, caused by the Evap core icing up in the dash and causing low air flow, it seems this only took about 10mins or so and he would lose air flow. very interesting case study, not a common fault.

And the last thing I'll add here is the Ground location for the Blower motor, its located below the hood lamp, on the firewall, you can try cleaning up the ground or running another ground temporarily to battery negative and see if that helps at all.
Jun 22, 2024 at 2:59 PM