A/C blower fan intermittently turns on/off but mostly off?

2005 KIA PICANTO
82,000 MILES • 1.1L • 4 CYL • 4WD • MANUAL
Avatar
PLAGOOMS
  • MEMBER
  • 4 POSTS
Hi,

The A/C fan blower when switch is turned on 1 to 4, sometimes it turns on but most of the time it does not. It does not matter any speed. I know the blower fan is working fine as I've pulled it out and directly connected to 12v battery. The resistor is working fine as well, as I've put in a new one, the same thing happens. If blower fan is okay, when compressor is turned on, after a few seconds or minutes, the whole system will stop because blower fan stops. What could be wrong? Please advise. Thank you in advance.
Apr 24, 2023 at 8:07 AM
Advertisement
Avatar
STRAILER
  • CERTIFIED EXPERT
  • 53,855 POSTS
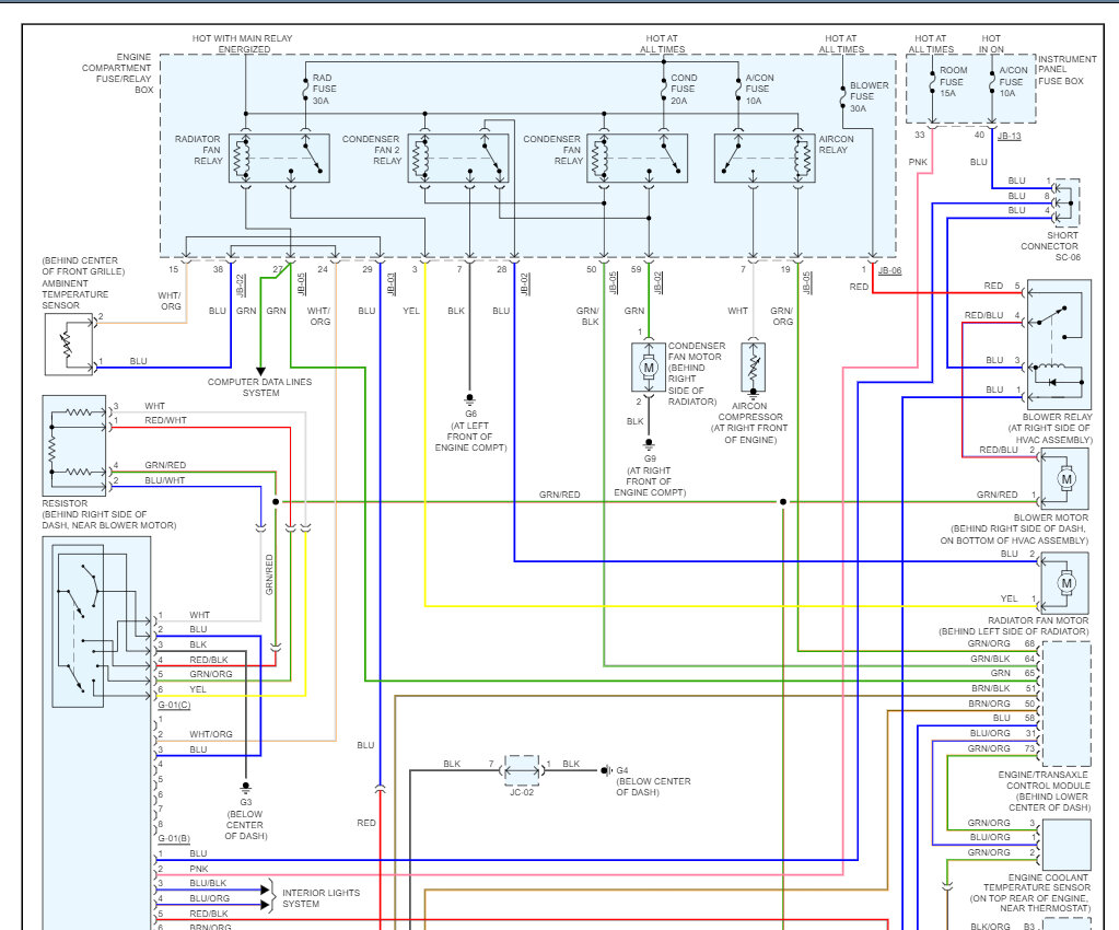
It sounds like the air conditioner control module is going out but to be sure here are the HVAC wiring diagrams so you can check the power and ground outputs for the blower motor to help confirm the failure.

https://www.2carpros.com/articles/how-to-check-wiring

Check out the images (below). Please let us know what you find.
Apr 24, 2023 at 4:45 PM
Avatar
PLAGOOMS
  • MEMBER
  • 4 POSTS
Thanks for the quick reply, Ken. I am not sure how the air conditioner control module looks like. Do you have any photos I can refer to?
Apr 24, 2023 at 8:36 PM
Advertisement
Avatar
STRAILER
  • CERTIFIED EXPERT
  • 53,855 POSTS
I would check the fuses first to see if any are overheated or melted, they don't show us an image of the amplifier.
Apr 25, 2023 at 8:50 AM
Avatar
PLAGOOMS
  • MEMBER
  • 4 POSTS
Hi Ken, I wanted to say thank you for your assistance, it really helped us a lot to troubleshoot the issue. We found the issue is caused by blower relay. It is located on the left side of the driver side right above the car fuse box. :-)
Aug 9, 2023 at 7:15 PM
Avatar
STRAILER
  • CERTIFIED EXPERT
  • 53,855 POSTS
Glad you could get it fixed, thanks for letting us know. Please use 2CarPros anytime we are here to help.
Aug 10, 2023 at 10:55 AM