☰
Login
Join
×
Home
Answered Questions
Repair Topics
Repair & Service Guides
Popular Questions
Warning Lights
Trouble Codes
How It Works
Testing / Diagnostics
Symptoms
Videos
Login
Become a Member
Home
Kia
Spectra
Climate Control
Blower Fan
Not Working
HVAC blower not working
2006 KIA SPECTRA
195,000 MILES • 4 CYL • AUTOMATIC
CYNTHIA ANN MARTINEZ
MEMBER
1 POST
FOLLOW
The ac comes on when it wants to at first, now it doesn't nor the defrost nothing blows.
May 27, 2020 at 3:36 AM
Advertisement
ASEMASTER6371
CERTIFIED EXPERT
52,796 POSTS
Good morning,
This sounds like the blower motor itself or a connection since it has a mind of its own.
Do you have a test light or voltmeter to do some testing?
https://www.2carpros.com/articles/how-to-check-wiring
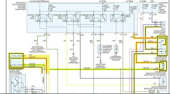
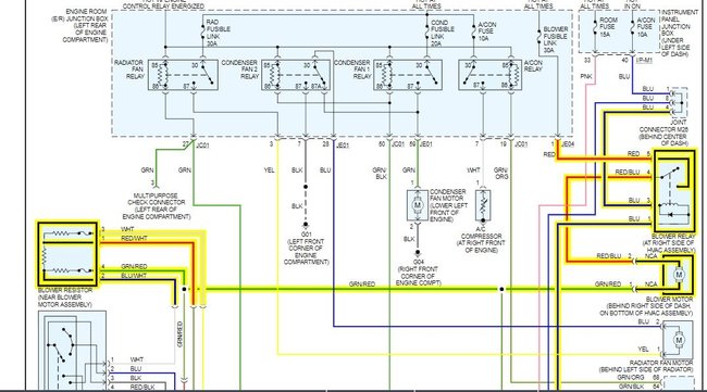
I attached a wiring diagram for you to view.
https://www.2carpros.com/articles/how-to-use-a-test-light-circuit-tester
Roy
Images (Click to enlarge)
May 27, 2020 at 4:38 AM