A/C Blend Door Actuator new replacement does not move?

2000 BUICK LESABRE
187,000 MILES • 3.7L • 6 CYL • 2WD • AUTOMATIC
Avatar
DALE PUTMAN
  • MEMBER
  • 3 POSTS
I have cold air passenger side heat drivers' side so as I saw on u-tube ordered blend door actuator. hooked it up and the center that is supposed to turn in order to move the lever does not move. I then checked the plug in going to the actuator. #5 positive, #6 #7 #9 #10 negative when touching #5 and #6, #5 and #7 I get 14.66 volts. When touching #5 and #9 I get 9.32 volts. When touching #5 and #10 I get 9.62 volts. These readings are on hot or cold, nothing changes or moves. I figured that going from hot to cold the readings should change, correct? If it's supposed to the Where does the wiring to the actuator come from and how do I check it?
May 14, 2023 at 6:02 PM
Advertisement
Avatar
STRAILER
  • CERTIFIED EXPERT
  • 53,854 POSTS
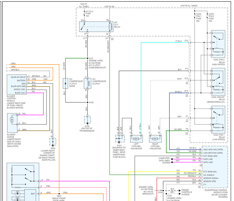
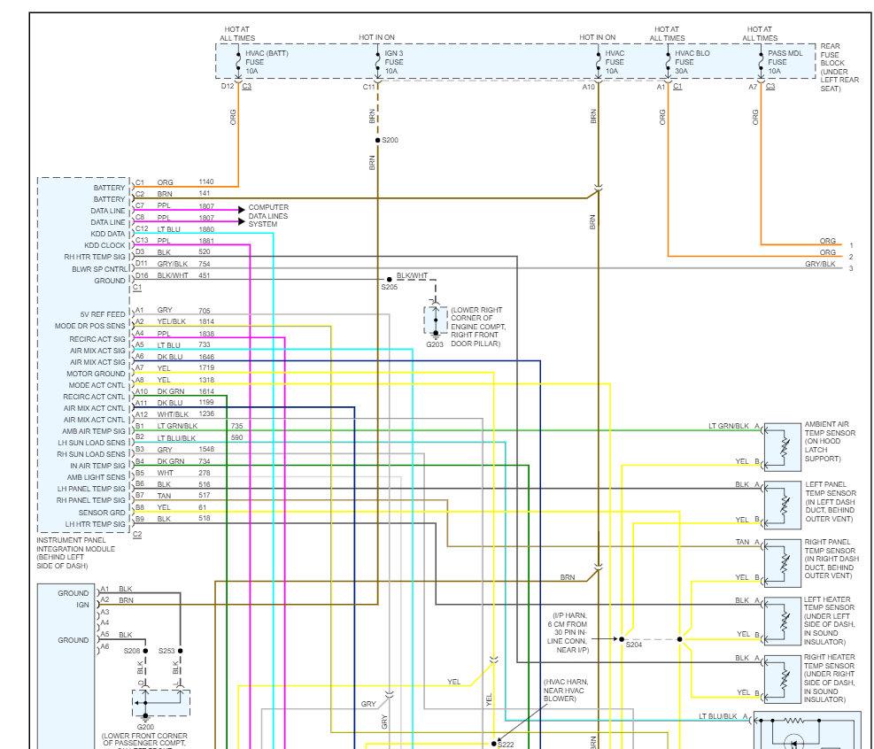
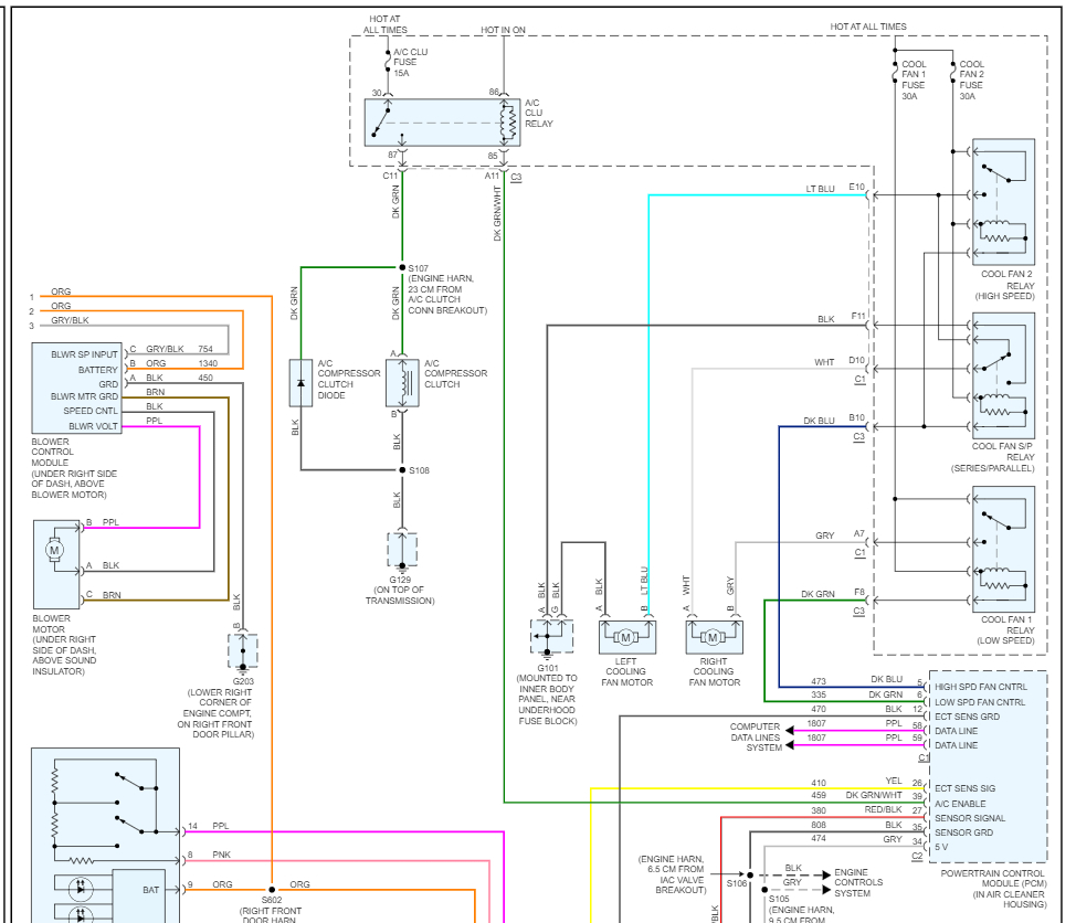
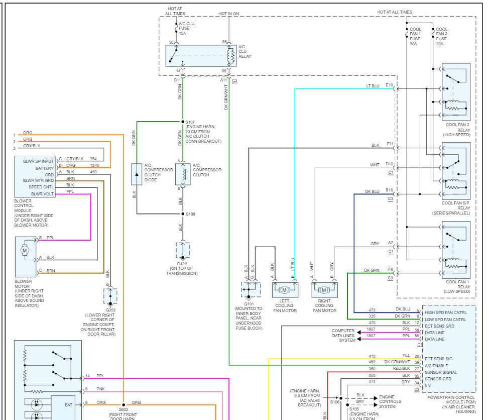
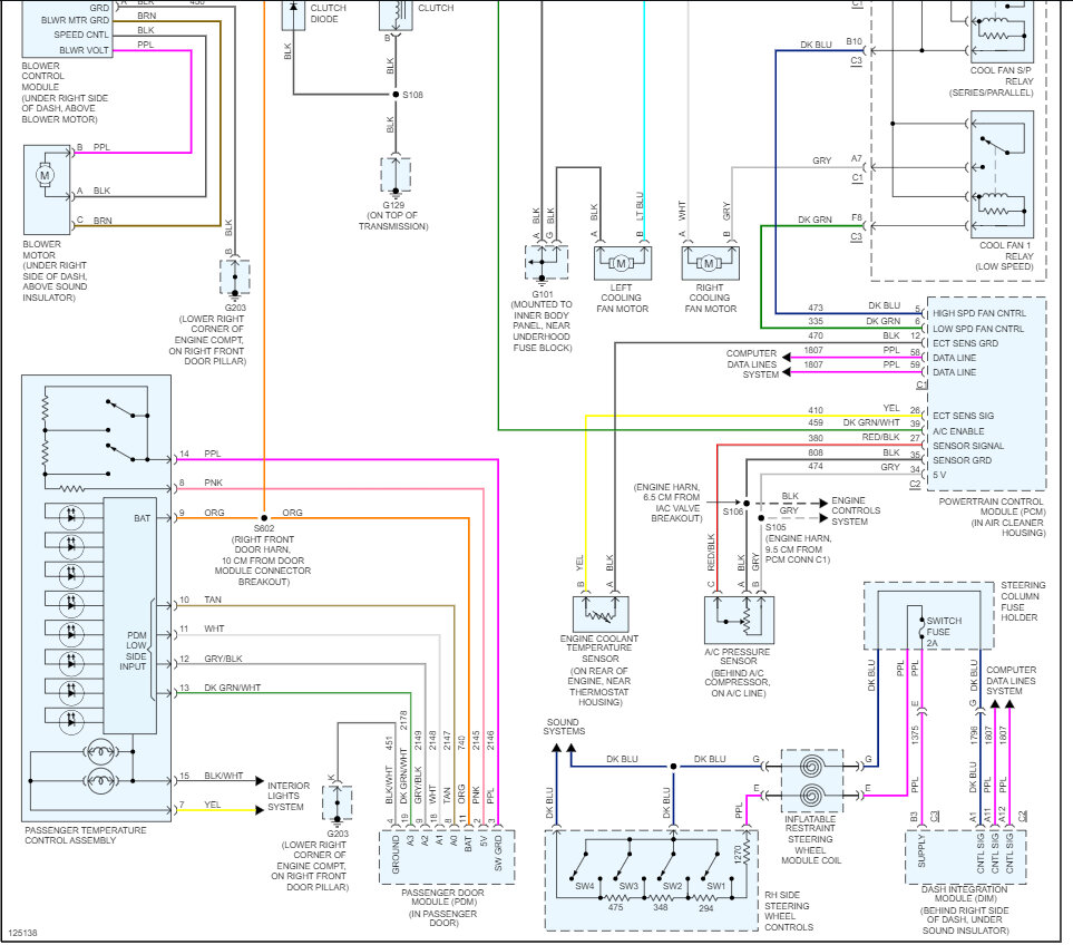
If the power and grounds are good, I would replace the programmer here is the wiring diagrams and the instructions on how to replace it. You might need to get a used unit.

Here is a guide to help test the circuits:

https://www.2carpros.com/articles/how-to-check-wiring

Check out the images (below). Please let us know what you find. We are interested to see what it is.
May 15, 2023 at 1:20 PM
Avatar
DALE PUTMAN
  • MEMBER
  • 3 POSTS
Thank you for the help, sorry it took so long to answer you. I have been getting flustered because I cannot find one. I have tried internet auto parts and all I get is discontinued and out of stock, any ideas?
May 19, 2023 at 8:06 AM
Advertisement
Avatar
STRAILER
  • CERTIFIED EXPERT
  • 53,854 POSTS
Ebay has a lot of older used parts, I would check there.
May 20, 2023 at 12:22 PM
Avatar
DALE PUTMAN
  • MEMBER
  • 3 POSTS
thank you.
May 22, 2023 at 6:20 PM
Avatar
STRAILER
  • CERTIFIED EXPERT
  • 53,854 POSTS
Use 2CarPros anytime, we are here to help. Please tell a friend.
May 23, 2023 at 11:35 AM