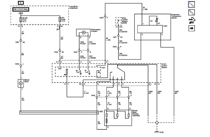
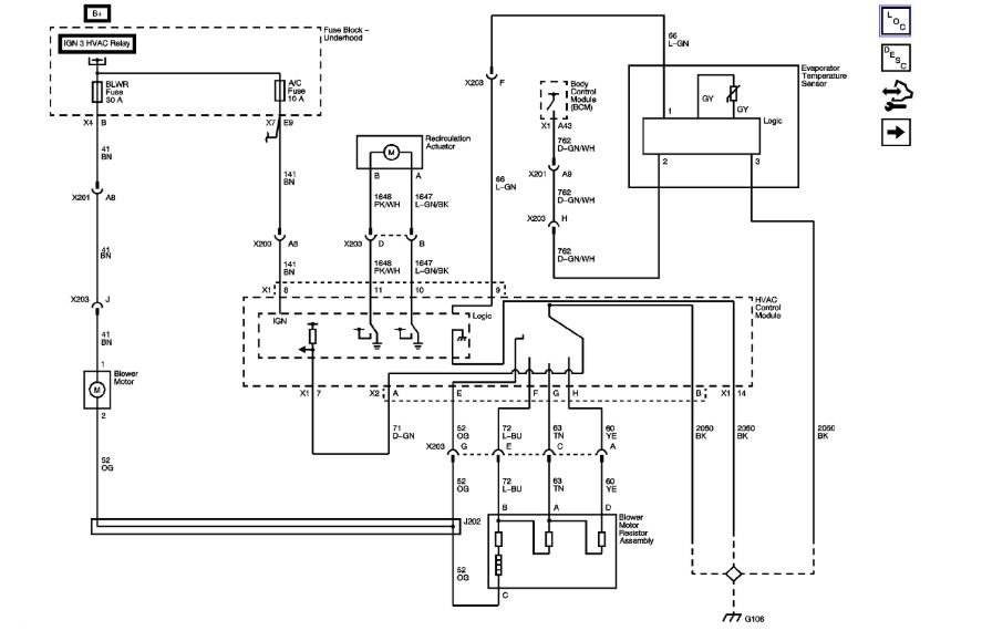
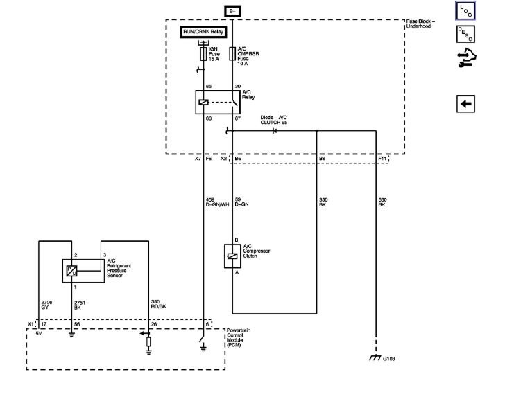
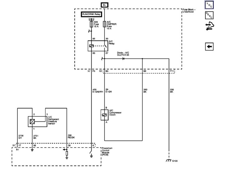
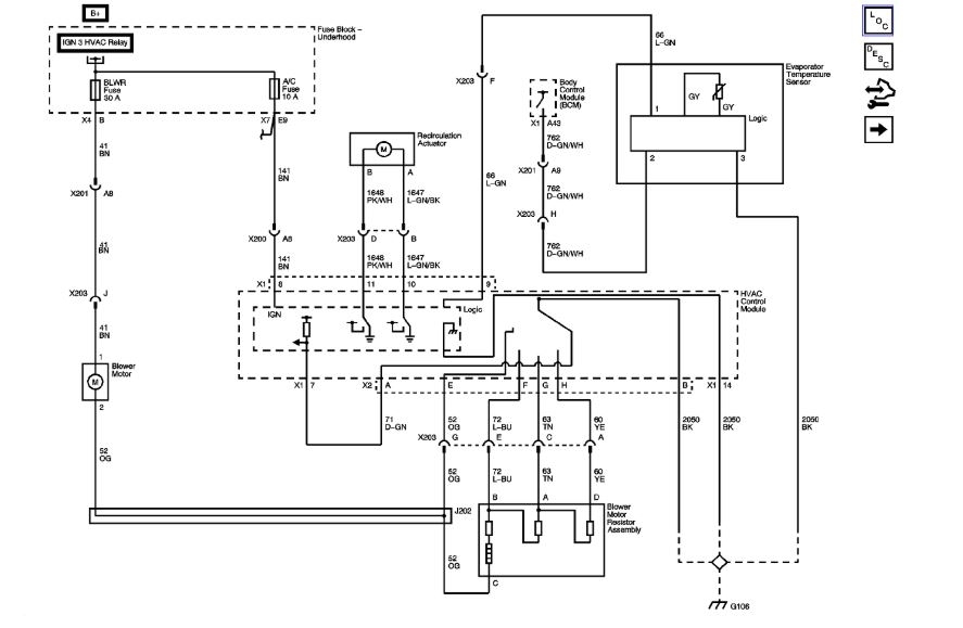
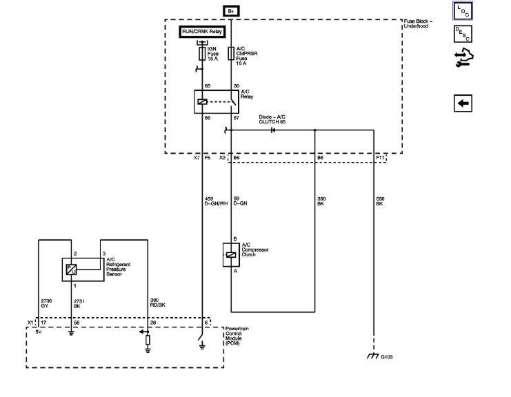
Every morning about three miles of driving the temperature gauge stops working, at the same time my AC stops working. I can pull over and pull my negative battery cable off and it resets something and AC and temperature gauge works again until engine cools totally down.
Sep 29, 2018 at 2:57 PM

