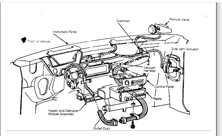
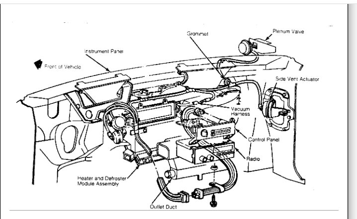
I need your help. I have the pickup listed above, with A/C and heater. The cable that opens the vent that lets in cold air or heat is stuck in the cold air position. I pulled out the control assembly. As i pulled out the control assembly, i forgot about the vacuum harness assembly, it pulled off. I need to know in what position the vacuum harness plugs back on. I am enclosing four (4) photos of the control assembly. Please help with any information you might have, thank you, Bill H. Comfort, Texas. Pictures would be very helpful also.
Nov 26, 2023 at 12:28 PM







