A/C and heat only blows from the defroster and not the vents

2004 FORD CROWN VICTORIA
130,000 MILES • 4.6L • V8 • 2WD • AUTOMATIC
Avatar
KEYREED
  • MEMBER
  • 1 POST
Also, my temperature button does not control the heat or A/C only blows heat mostly.
Apr 4, 2020 at 5:05 AM
Advertisement
Avatar
ASEMASTER6371
  • CERTIFIED EXPERT
  • 52,796 POSTS
Good morning,

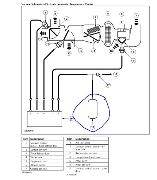
The system works on both vacuum motors and electronic actuators.

https://www.2carpros.com/articles/air-vents-stay-in-the-defrost-position

https://www.2carpros.com/articles/replace-blend-door-motor

The fact it is stuck in defrost mode tells me there may be either a vacuum supply issue or the vacuum motor on the heater case is bad. You will need to check for vacuum to the system from under the hood. I attached a vacuum diagram for you to view to be sure there is vacuum.

If it is the motor in the case, the instrument cluster has to be removed. That will be a large project.

Roy
Apr 4, 2020 at 5:28 AM