A/C and dash lights

2006 NISSAN MAXIMA
120,000 MILES • V6 • 2WD • AUTOMATIC
Avatar
MRCYCLOPZ
  • MEMBER
  • 4 POSTS
A/C does not start, and radio hub has no power to it. also, the dash lights will not turn on. Any help would be greatly appreciated! We just recently replaced the battery due to the car not starting up.
Nov 1, 2017 at 9:03 PM
Advertisement
Avatar
KHLOW2008
  • CERTIFIED EXPERT
  • 41,814 POSTS
Start with checking the fuses. One or more could have blown.
Nov 2, 2017 at 8:11 AM
Avatar
MRCYCLOPZ
  • MEMBER
  • 4 POSTS
Thanks for the quick response! Fuses are fine none are blown.
Nov 2, 2017 at 12:38 PM
Advertisement
Avatar
KHLOW2008
  • CERTIFIED EXPERT
  • 41,814 POSTS
At the battery, ensure all wires were reattached. Check for loose connections and at under hood fuse box. Have you checked all the fuses and under dash fuse box?

You would need to check why power supply is missing.

Nov 2, 2017 at 7:58 PM
Avatar
MRCYCLOPZ
  • MEMBER
  • 4 POSTS
I will do that now thanks!
Nov 2, 2017 at 8:20 PM
Avatar
STRAILER
  • CERTIFIED EXPERT
  • 53,854 POSTS
Please let us know what happens.

Cheers, Ken
Nov 3, 2017 at 3:57 PM
Avatar
MRCYCLOPZ
  • MEMBER
  • 4 POSTS
Dashboard and radio is back now but a.c. is still off
Nov 4, 2017 at 11:33 AM
Avatar
STRAILER
  • CERTIFIED EXPERT
  • 53,854 POSTS
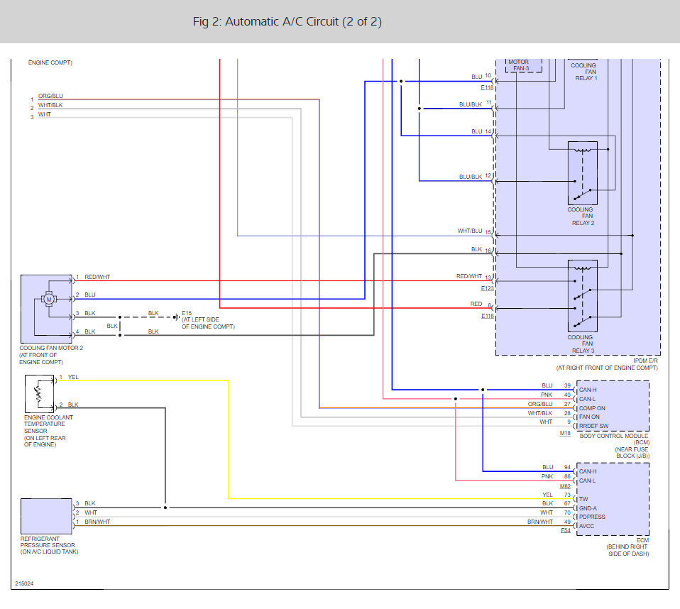
There are more fuses to check and you will need to see what is loosing power or if it is the ac compressor itself. Here is a wiring diagram and a guide to help you do some simple testing.

https://www.2carpros.com/articles/how-to-use-a-test-light-circuit-tester

and

https://www.2carpros.com/articles/how-to-check-a-car-fuse

Here are some guides to help with the AC not working as well.

https://www.2carpros.com/articles/car-air-conditioner-not-working-or-is-weak

and

https://www.2carpros.com/articles/replace-air-conditioner-compressor

Please let us know what happens.

Cheers, Ken
Nov 5, 2017 at 1:04 PM