What is the part number of the 10-pin A/C amplifier?

1996 TOYOTA CARINA
110,000 MILES • 1.8L • 4 CYL • 2WD • AUTOMATIC
Avatar
MIKI#
  • MEMBER
  • 10 POSTS
How about the wiring diagram for the same?
Apr 1, 2022 at 2:52 AM
Advertisement
Avatar
JACOBANDNICKOLAS
  • CERTIFIED EXPERT
  • 110,175 POSTS
Hi,

I'm sorry, but this vehicle isn't offered in the US, so I don't have the specifics for you. However, I believe it is similar to our Toyota Celica.

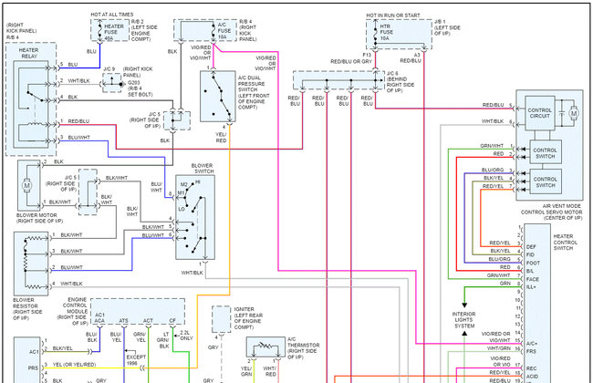
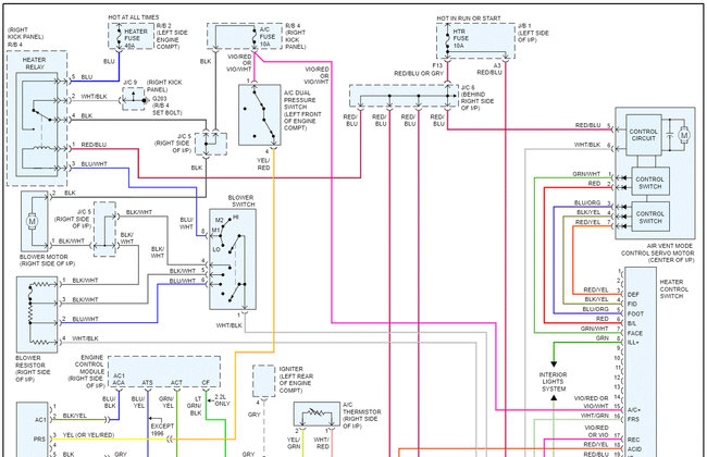
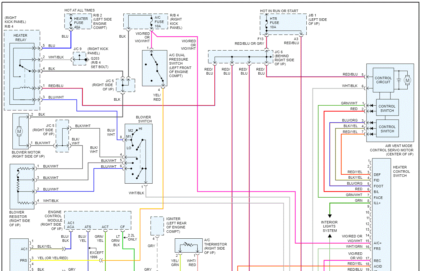
I attached the HVAC wiring schematic for the 1996 Celica for your review. It does show the AC amplifier, but it's not a 10 pin connector.

Take a look through them and let me know if they help or if you have other questions.

Take care,

Joe

See pics below.
Apr 1, 2022 at 8:53 PM