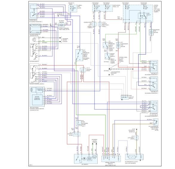
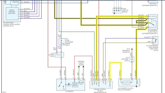
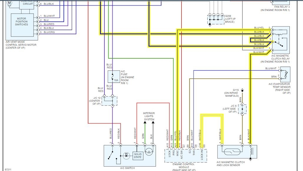
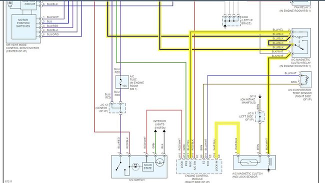
After starting my car and letting it warm up I can turn on my A/C and it'll blow cold and just fine. sometimes i can make a whole trip and and it blows cold. Sometimes it'll blow cold then cool an the light on my A/C button would start blinking. I changed my A/C fan because the motor went out. but it is still doing the same thing.
Sep 20, 2019 at 2:45 AM

