Air conditioner not cooling at all

2005 BUICK LESABRE
74,000 MILES
Avatar
GREGORY STERLING SR.
  • MEMBER
  • 1 POST
A/C clutch engages but gauges do not show a change of pressure when clutch engages. No cooling at all can you help me fix it?
May 6, 2018 at 5:24 PM
Advertisement
Avatar
ASEMASTER6371
  • CERTIFIED EXPERT
  • 52,796 POSTS
Good morning.

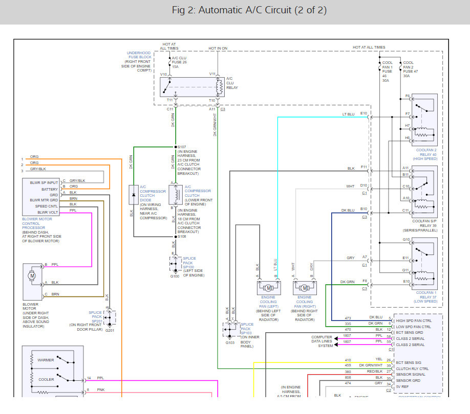
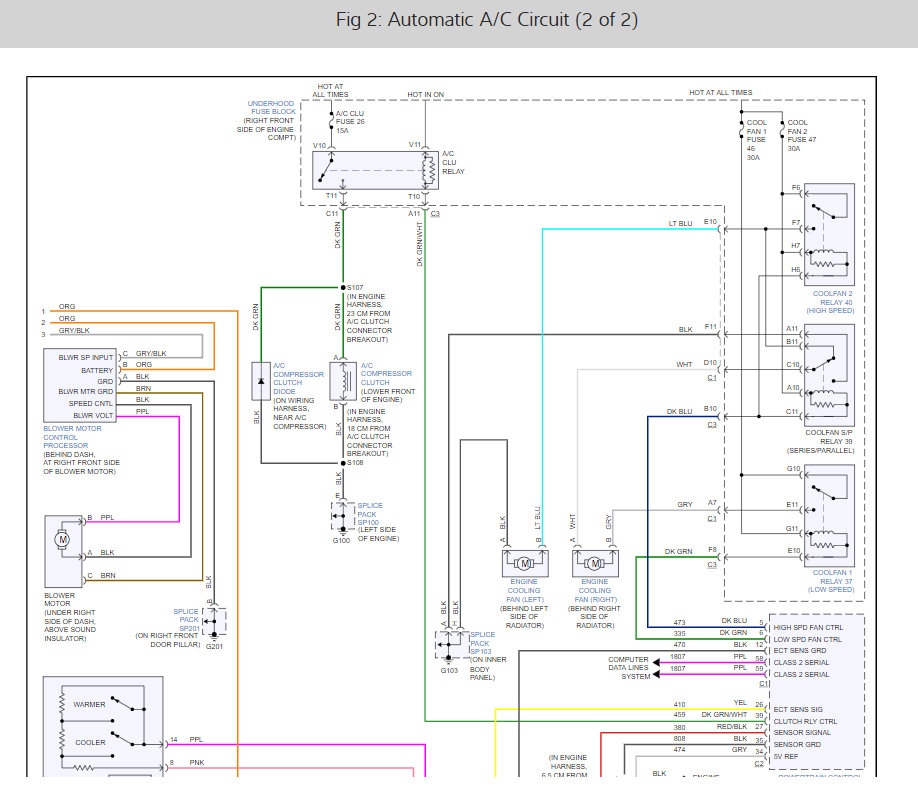
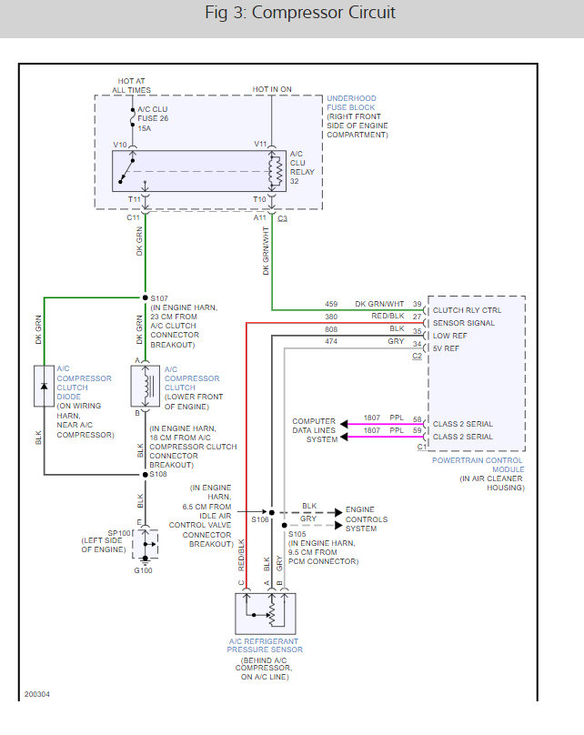
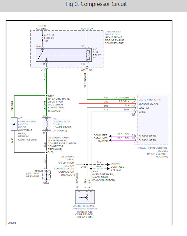
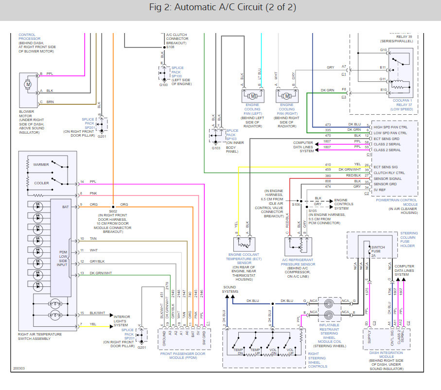
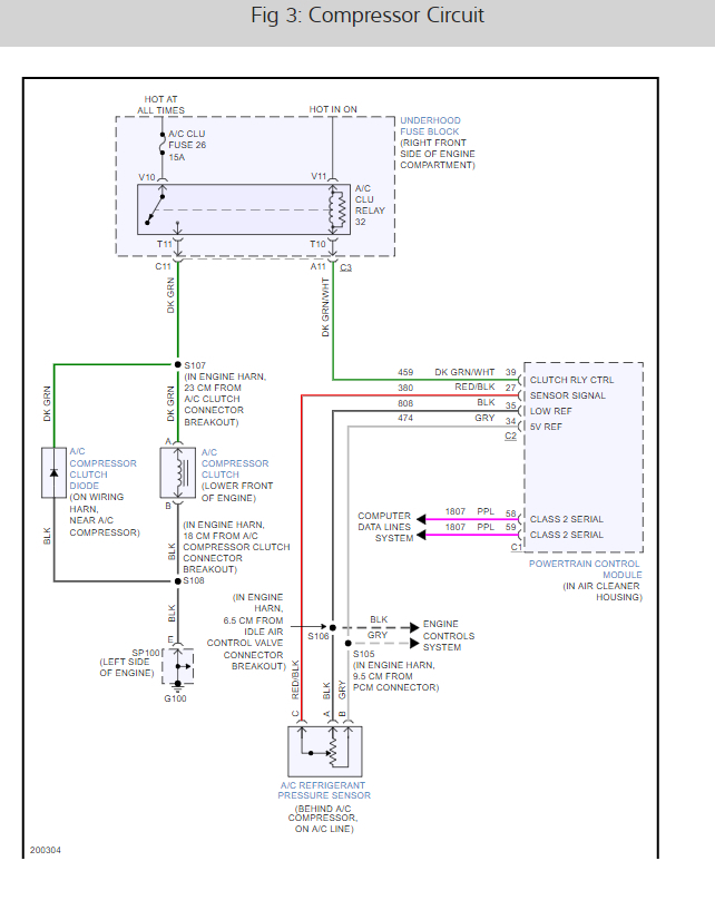
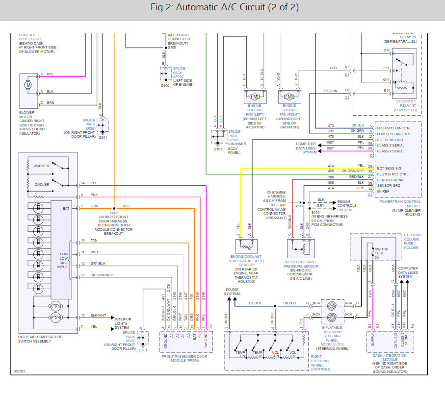
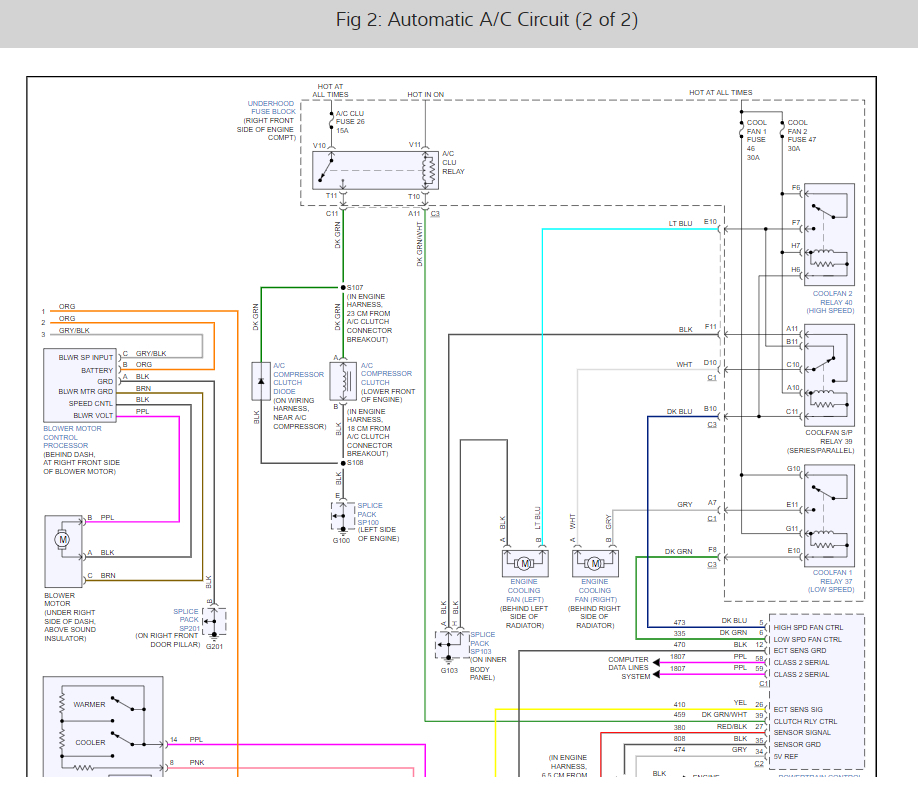
This sounds like the compressor has gone out or the system is low on charge or a fuse is bad, these videos and guides can help us fix the problem with diagrams below to show you how on your car. I have included the AC wiring diagrams as well so you can see how the system works.

https://youtu.be/4UjfQKvrB6Y not working

and

https://youtu.be/uZrQCGwXfek recharge

and

https://youtu.be/yrhWKlQEPWw leak detection

and

https://youtu.be/4EqdrBVb0sY vacuum and recharge

and

https://www.2carpros.com/articles/car-air-conditioner-not-working-or-is-weak

Check out the diagrams (Below). Please let us know if you need anything else to get the problem fixed.
May 7, 2018 at 3:28 AM