☰
Login
Join
×
Home
Answered Questions
Repair Topics
Repair & Service Guides
Popular Questions
Warning Lights
Trouble Codes
How It Works
Testing / Diagnostics
Symptoms
Videos
Login
Become a Member
Home
Saturn
L200
Climate Control
Air Conditioner
Not Working
A/C compressor not engaging
2003 SATURN L200
82,000 MILES • 2.2L • 4 CYL • 2WD • AUTOMATIC
PITTSRICO
MEMBER
1 POST
FOLLOW
New compressor installed but still will not engage.
Jun 25, 2020 at 4:32 AM
Advertisement
ASEMASTER6371
CERTIFIED EXPERT
52,796 POSTS
Good morning,
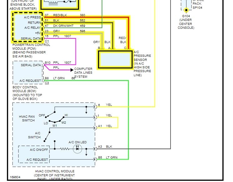
I attached a wiring diagram of the system for you to view.
https://www.2carpros.com/articles/car-air-conditioner-not-working-or-is-weak
Do you have a test light to do some checks as to why the compressor will not turn on? there are 2 fuses I circled that need to be checked to be sure there is a voltage at the fuse.
https://www.2carpros.com/articles/how-to-check-wiring
https://www.2carpros.com/articles/how-to-check-a-car-fuse
https://www.2carpros.com/articles/how-to-check-an-electrical-relay-and-wiring-control-circuit
Can you give me the Freon pressures of the high and low sides?
Roy
Images (Click to enlarge)
Jun 25, 2020 at 5:32 AM