I need to wire in a trinary switch to my A/C for electric fans?

1995 FORD F-250
341,000 MILES • 7.5L • V8 • 4WD • AUTOMATIC
Avatar
QUADRACER777
  • MEMBER
  • 2 POSTS
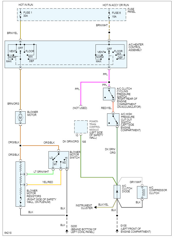
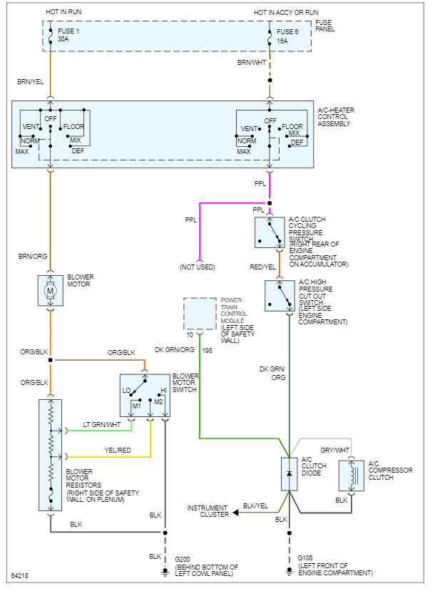
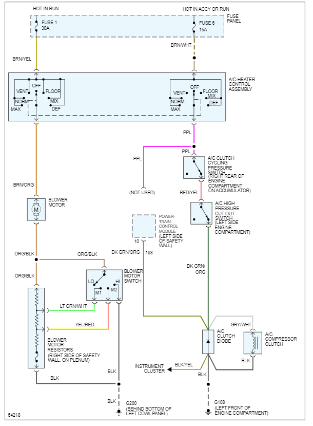
I need to wire in a trinary switch to my A/C for electric fans. I have Ford factory electrical manual, it shows a R/Y and P coming from cycling switch. I have a B/Y and P (this is factory). Is the B/Y going to be the same as the R/Y in the manual ???
Aug 29, 2023 at 6:34 AM
Advertisement
Avatar
STRAILER
  • CERTIFIED EXPERT
  • 53,855 POSTS
It should be though I show the R/Y as well, here are the A/C wiring diagrams to help you complete the task. Check out the images (below). Please let us know if you need anything else to get the problem fixed.
Aug 29, 2023 at 2:25 PM