☰
Login
Join
×
Home
Answered Questions
Repair Topics
Repair & Service Guides
Popular Questions
Warning Lights
Trouble Codes
How It Works
Testing / Diagnostics
Symptoms
Videos
Login
Become a Member
Home
Pontiac
Grand Am
Climate Control
Air Conditioner
Not Working
A/C stopped cooling
2004 PONTIAC GRAND AM
149,000 MILES • 3.1L • 6 CYL • 2WD • AUTOMATIC
TIMRYANFERG
MEMBER
1 POST
FOLLOW
The Freon is full, the compressor turns, the front grills are clean and the fans turn.
Feb 11, 2019 at 2:51 PM
Advertisement
ASEMASTER6371
CERTIFIED EXPERT
52,796 POSTS
Good afternoon,
Does or is the clutch engaged and turning?
https://www.2carpros.com/articles/car-air-conditioner-not-working-or-is-weak
Do you have a set of gauges to give me the pressures?
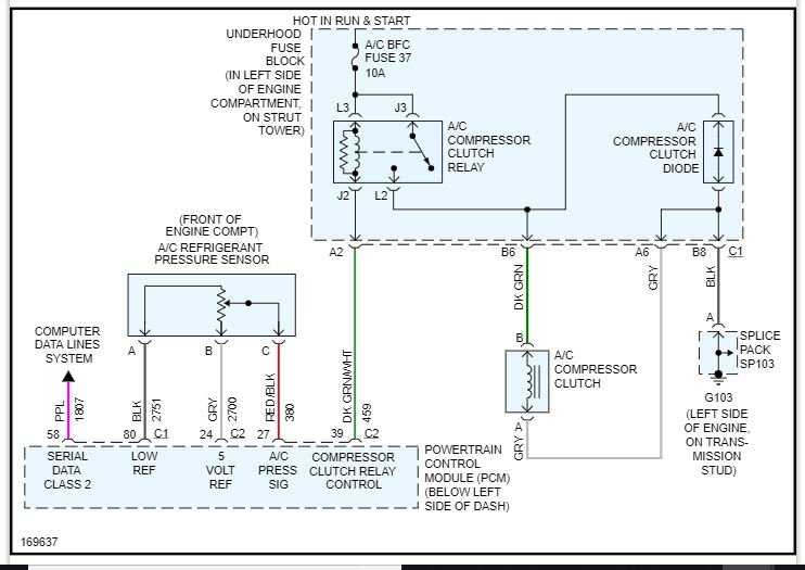
I attached a wiring diagram for you to view. Can you test for some voltages? Check the fuse listed for the compressor.
Roy
Image (Click to enlarge)
Feb 11, 2019 at 3:15 PM