Coming out of the defrost only what now

2011 FORD F-150
69,000 MILES • 5.0L • V8 • 4WD • AUTOMATIC
Avatar
GREG PECK
  • MEMBER
  • 6 POSTS
I replaced the mode door acuator, and when I started the truck the air came out the middle vent. And after a few seconds it went back to what it was doing before. Coming out of the defrost only. What now.
Jul 31, 2020 at 1:56 PM
Advertisement
Avatar
JACOBANDNICKOLAS
  • CERTIFIED EXPERT
  • 110,175 POSTS
Hi,

Did you re-calibrate the new one? It has to be done or it won't work properly.

Here are the directions:

_______________________

The purpose of the module actuator position calibration is to allow the HVAC module to reinitialize and calibrate the actuator stop points. To carry out calibration, carry out the following steps.

Remove Body Control Module BCM (Body Control Module) fuse 46 for at least one minute. (NOTE: Fuse 46 is the HVAC module

7. NOTE: When the ignition switch is switched to the ON position, the HVAC module will initialize and calibrate the actuators. Calibration of the actuators will take approximately 30 seconds.

Reinstall BCM (Body Control Module) fuse 46. Turn the ignition switch to the ON position and wait 30 seconds before verifying correct mode door actuator operation.

___________________

Let me know if this helps.

Joe
Jul 31, 2020 at 10:29 PM
Avatar
GREG PECK
  • MEMBER
  • 6 POSTS
I followed your instructions and when I started the engine the air came out the middle vent for a few seconds then went back to defrost. What now?
Aug 5, 2020 at 11:34 AM
Advertisement
Avatar
JACOBANDNICKOLAS
  • CERTIFIED EXPERT
  • 110,175 POSTS
Take a look at these directions and let me know if this is the actuator you replaced.

_______________________________

2011 Ford Truck F 150 4WD V8-5.0L
Mode Door Actuator - Defrost/Panel/Floor Door
Vehicle Heating and Air Conditioning Air Door Actuator / Motor Service and Repair Removal and Replacement Mode Door Actuator - Defrost/Panel/Floor Door
MODE DOOR ACTUATOR - DEFROST/PANEL/FLOOR DOOR
Mode Door Actuator - Defrost/Panel/Floor Door


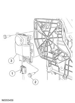
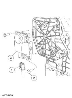
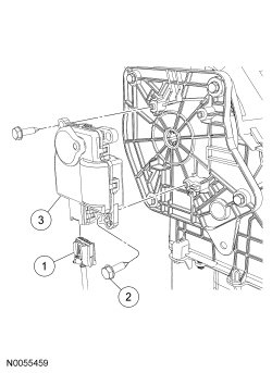
See pic 1



Pic 2


Removal and Installation

NOTE: The defrost/panel/floor mode door actuator can be accessed from underneath the LH side of the instrument panel.

1. Disconnect the defrost/panel/floor door mode door actuator electrical connector.

2. Remove the 2 defrost/panel/floor door mode door actuator screws.

3. Remove the defrost/panel/floor door mode door actuator.

4. NOTICE: The ignition key must be off when replacing the actuator. Energizing the actuator before installation will cause the part to become positioned incorrectly and proper orientation will be lost. Incorrect actuator operation will result.

To install, reverse the removal procedure.

5. Remove the passenger side cowl trim panel.

6. NOTE: The purpose of the module actuator position calibration is to allow the HVAC module to reinitialize and calibrate the actuator stop points. To carry out calibration, carry out the following steps.

Remove Body Control Module BCM (Body Control Module) fuse 46 for at least one minute.

7. NOTE: When the ignition switch is switched to the ON position, the HVAC module will initialize and calibrate the actuators. Calibration of the actuators will take approximately 30 seconds.

Reinstall BCM (Body Control Module) fuse 46. Turn the ignition switch to the ON position and wait 30 seconds before verifying correct mode door actuator operation.

___________________

Let me know.
Joe
Aug 5, 2020 at 10:41 PM
Avatar
GREG PECK
  • MEMBER
  • 6 POSTS
I had done it just the way you said. I started it and after I drove for a little it started working fine. The blend door clicks for a few seconds and then stops. Thanks so much for the help.
Aug 7, 2020 at 12:36 PM
Avatar
JACOBANDNICKOLAS
  • CERTIFIED EXPERT
  • 110,175 POSTS
Great. Glad to hear you got it fixed. Feel free to come back any time you have questions or need help in the future.

Take care of yourself,
Joe
Aug 7, 2020 at 11:06 PM