Excuse my verbiage but, darn.
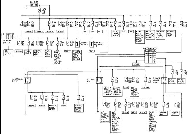
Okay, so while waiting to see if there would be a reply here, I phoned several parts stores to ask if they had one on hand - I thought it odd that not only didn't they, but I was told by all "we don't even have a part number for one and can't even order one", I finally broke down and called a Nissan dealer, they don't have one on hand, not a single dealer in the entire flipping state, but did tell me they could order one from Arizona on monday. Before placing that order I asked where the cam sensor was located and was told that it was to the back of the block near the firewall.
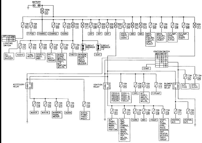
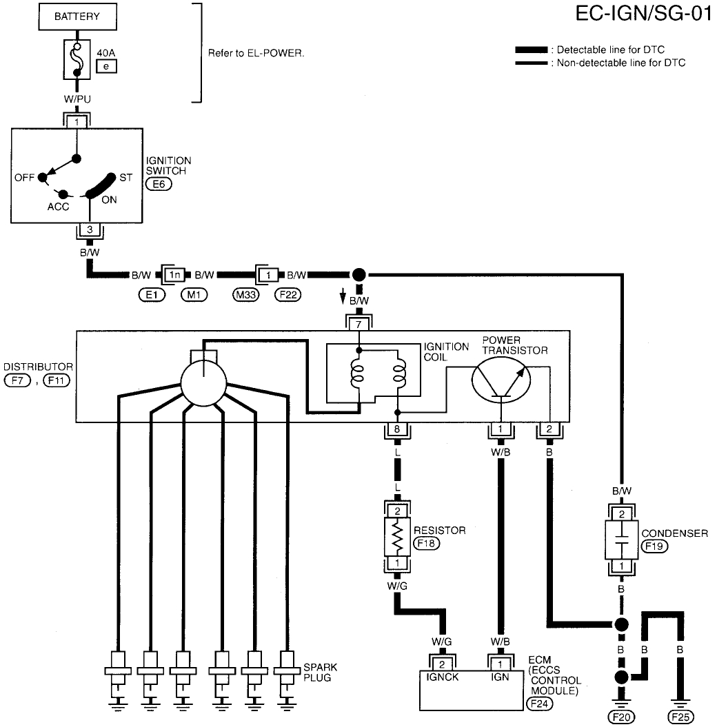
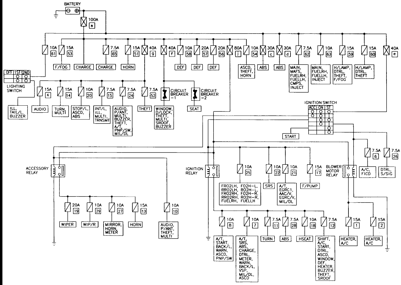
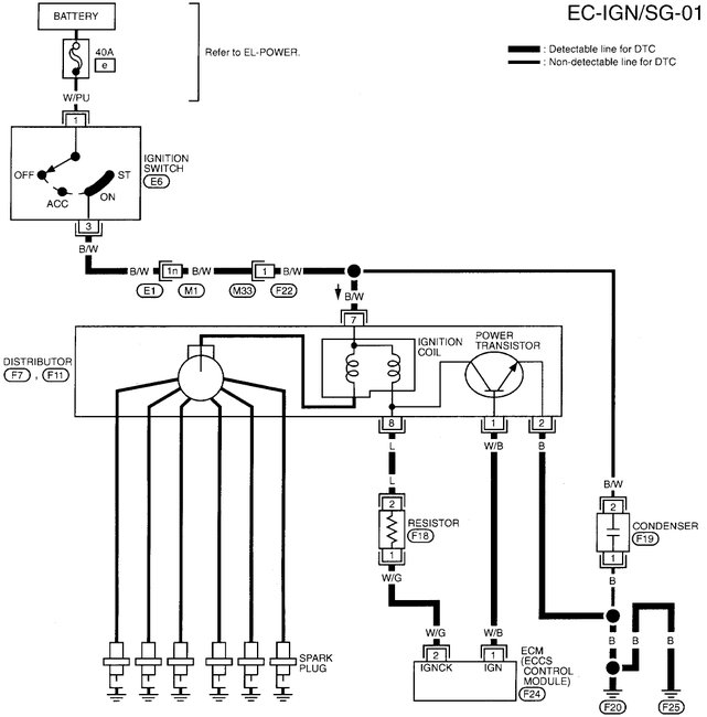
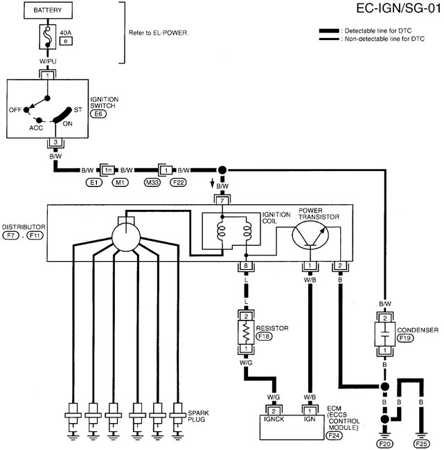
I was told this same information from at least a dozen other people, and then there's been 8 people, yourself one of them, that tells me it's housed and part of the distributor. The cam sensor is in the distributor on the '96 3., but according to the Nissan dealer NOT on the 97 3.3. So my first mystery to solve is WHY is there consistent but varying information regarding its actual location - so I'd like to clarify exactly what I have and see if you still believe it's in the distributor, I would be happy if it were that easy, but as you'll see at the end of this reply, that in itself raises a question.
1997 Nissan Pathfinder 3.3L / 4WD / car was actually BUILT in a town in Japan, so I have found that dealers don't always know much fact about it when they run the vin number. For example, the vin number when run by a dealer, shows that it is supposed to have 4 cats - this is false. Even the manufacturer original labeling clearly states TWO cats, but for some reason dealers have misinformation about this particular vehicle when information is sought using the vin number. So more questions are raised as to the validity of their info.
Now to complicate matters more....
I put a new distributor, cap, rotor, spark plugs and wires on it when this happened. I did that because this happened before 2+ years ago and I had a shop deal with it because I couldn't figure out what was wrong with the damned thing - they tell me it's the distributor, okay, fine - fix it. They put in FIVE distributors, NEW distributors (I know because I went and picked them up and delivered them) before they found one that "worked", they kept insisting that the car "didn't like the oem parts that I needed to get one from a nissan dealer, an actual nissan distributor"....to the tune of almost $500 for the part alone. I asked them to try one more distributor from an auto parts store first, they did, it worked.
Now the thing is, the shop told me they tested the distributors after putting them in and them not working and they tested bad, but the store tested each one when I returned it and they claimed they tested good.
Whatever the deal was, the 5th distributor (by the same manufacturer as the first 4 mind you) did the trick and I've had no problems with it until I got this fun repeat performance 2 weeks ago.
So...if by some fluke it is the case that the cam sensor is in the distributor and by some chance that the shop (the weren't charging me for putting in repeated distributors so it's not as though they were ripping me off or making more money from me, I was only charged for the one where parts and labor were concerned, so they really had no motivation to be dishonest) was right and the parts store either wrong or getting irritated at having to replace a bad part 5 times, could it be that I bought a new distributor (different parts store) that actually has a bad cam sensor in it....
This vehicle is becoming an enigma.
Jun 16, 2018 at 2:51 PM