Brake fuse blow when pressing the brake pedal

1997 CHEVROLET ASTRO
213,000 MILES • 4.3L • 6 CYL • 4WD • AUTOMATIC
Avatar
HANDYDOUG13
  • MEMBER
  • 5 POSTS
I have a ohmmeter on the stop hazard fuse and checking for continuity. there is a short when pushing the brake pedal only when the ignition is on. The turn signals don't work either.
Nov 1, 2020 at 11:00 AM
Advertisement
Avatar
ASEMASTER6371
  • CERTIFIED EXPERT
  • 52,796 POSTS
Good afternoon,

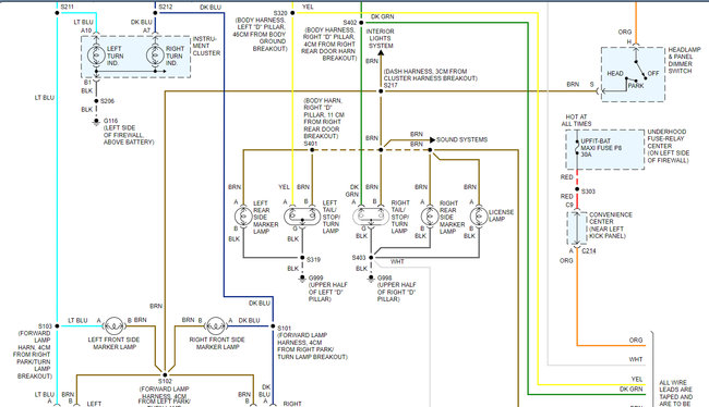
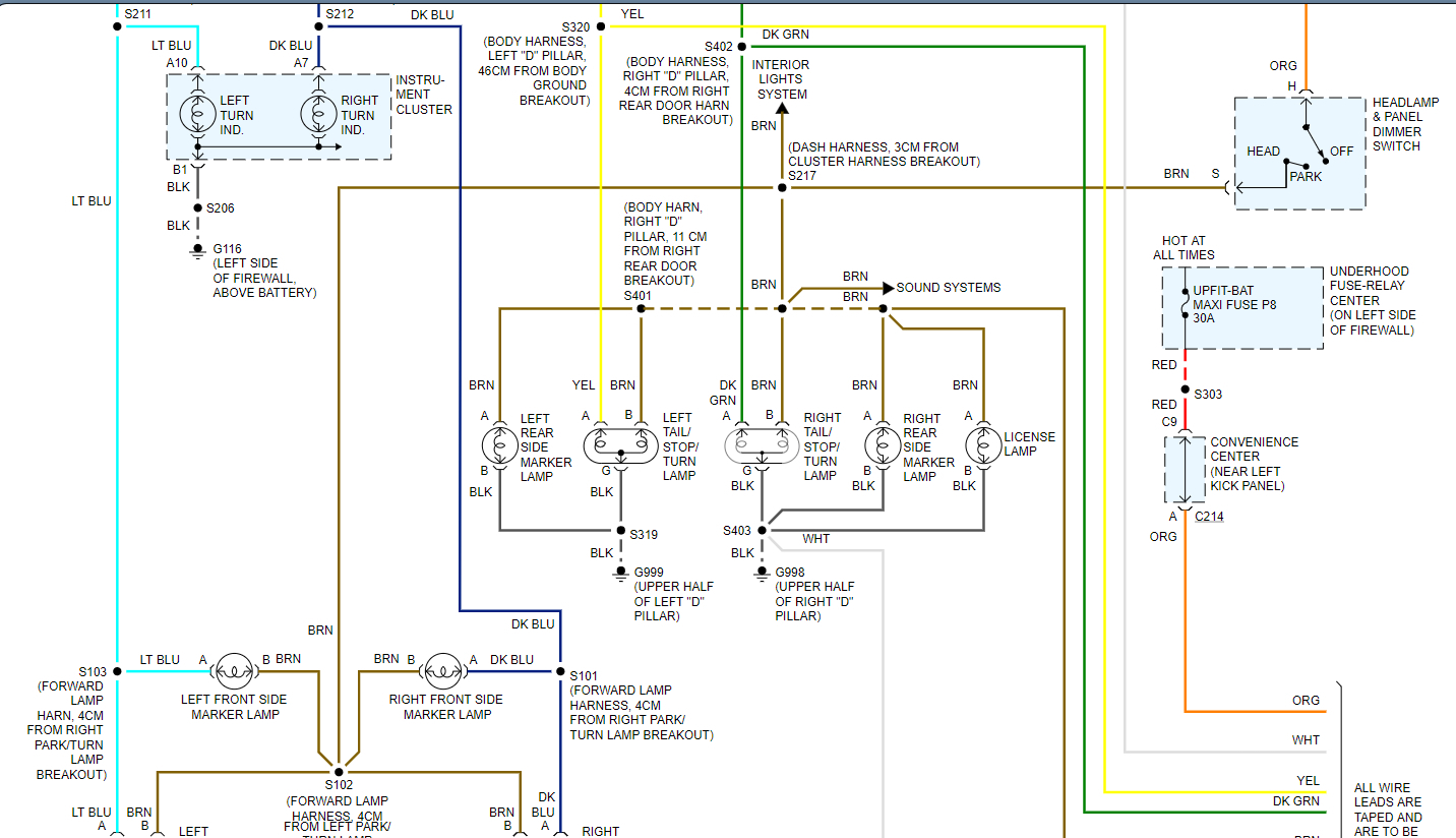
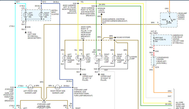
I attached a wiring diagram for you to view. The first thing I would do is disconnect the turn signal switch connectors under the dash and see if the fuse still fails.

https://www.2carpros.com/articles/how-to-check-wiring

https://www.2carpros.com/articles/how-to-check-a-car-fuse

Keep me updated with the results.

Roy
Nov 1, 2020 at 1:06 PM
Avatar
HANDYDOUG13
  • MEMBER
  • 5 POSTS
Hello Roy, thank you for that information. I haven't been able to check that out yet. I did find that the left front outer turn signal bulb is burned out. Could that be possible cause? Thanks,
Doug
Nov 1, 2020 at 1:18 PM
Advertisement
Avatar
ASEMASTER6371
  • CERTIFIED EXPERT
  • 52,796 POSTS
Possible but I doubt it.

Remove the bulb and then re test and see if the fuse still fails.

Roy
Nov 1, 2020 at 1:28 PM
Avatar
HANDYDOUG13
  • MEMBER
  • 5 POSTS
I have to go get some fuses. The turn signals work now though. I'll let you know what the results are.
Thank you so much!
Doug
Nov 1, 2020 at 1:42 PM
Avatar
ASEMASTER6371
  • CERTIFIED EXPERT
  • 52,796 POSTS
You are welcome.

Always glad to help.

Roy
Nov 1, 2020 at 1:59 PM
Avatar
HANDYDOUG13
  • MEMBER
  • 5 POSTS
Thanks for your help. So far, the brake lights fuse has not blown after putting the new left front outer turn signal bulb in.
Nov 1, 2020 at 4:51 PM
Avatar
ASEMASTER6371
  • CERTIFIED EXPERT
  • 52,796 POSTS
Good. I would replace the bulb and socket if it is damaged

Roy
Nov 1, 2020 at 5:44 PM
Avatar
HANDYDOUG13
  • MEMBER
  • 5 POSTS
Thanks, I will check it. Thank you for your help!
Doug
Nov 1, 2020 at 5:48 PM
Avatar
ASEMASTER6371
  • CERTIFIED EXPERT
  • 52,796 POSTS
Stay safe.

You are welcome.

Always glad to help.

Roy
Nov 2, 2020 at 3:08 AM