when i turn the key to start the engine any of the dash lights turn on and so the engine?

1996 NISSAN PATHFINDER
100,000 MILES • 3.3L • V6 • 2WD • AUTOMATIC
Avatar
JOSEPH669
  • MEMBER
  • 14 POSTS
Hi, i have the vehicle listed above and when i turn the key to start the engine any of the dash lights turn on and so the engine. I check a couple of relay but everything looks good. what i have to do???
Aug 20, 2021 at 10:32 AM
Advertisement
Avatar
KASEKENNY
  • CERTIFIED EXPERT
  • 18,907 POSTS
Just to confirm the issue. You turn the key on and nothing happens? No dash lights or the engine doesn't start? However, does it even crank?

Does anything work inside the vehicle? Can you get a recording of the issue so that we can be sure to be on the same page?

If all this is correct then we need to start with checking the battery and make sure it is okay.

https://www.2carpros.com/articles/car-battery-load-test

Then we need to check the voltage at the starter and see what is there on the control wire. It is pretty safe to assume there is no voltage there but we need to confirm this or we will start chasing our tail if we make assumptions.

https://www.2carpros.com/articles/how-to-check-wiring

If there is no voltage there when turning the key to start the engine then we need to go back to the inhibit relay and check the black and yellow wire to find out if there is voltage coming from the ignition switch.

If not then that is most likely the issue.

You can jump to the ignition switch if you want but I would not suggest jumping around as we will likely get confused so it is best to start at one end of the system and work through it.

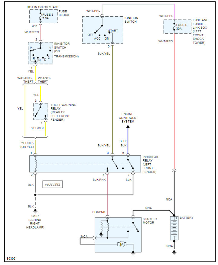
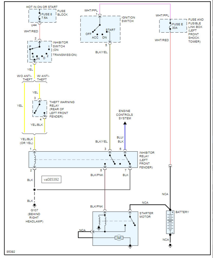
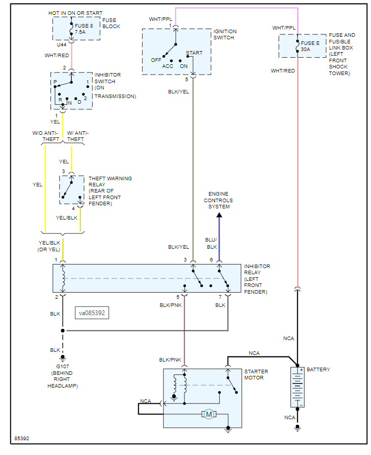
Below is the wiring diagram. Please let me know what questions you have.

Thanks
Aug 20, 2021 at 1:59 PM
Avatar
JOSEPH669
  • MEMBER
  • 14 POSTS
when i turn the key nothing happens. the only thing that turn on is the radio hour display, battery is okay, maybe the positive cable that have 2 plugs i check and is kind of wiggly. i don't know where is the inhibit relay.
Aug 20, 2021 at 4:49 PM
Advertisement
Avatar
KASEKENNY
  • CERTIFIED EXPERT
  • 18,907 POSTS
Can you clarify what you are feeling that is wiggly? The battery cables move when you wiggle them? If so then that is an issue that needs to be fixed first. Loose connections will cause this.

However, I would suggest checking power at the relay that is in the left fender. I highlighted the location of the relay below.

If you have voltage when in the start position then the ignition switch is good.

If not then I suspect the ignition switch is the issue.
Aug 20, 2021 at 6:37 PM
Avatar
JOSEPH669
  • MEMBER
  • 14 POSTS
i have three relays on the left side fender, the middle one is n-p i think is neutral-park right.
when i pull out that relay i turn the key and everything works fine unless that the truck won't start in neutral or park (the das lights turn on).
Aug 20, 2021 at 10:14 PM
Avatar
KASEKENNY
  • CERTIFIED EXPERT
  • 18,907 POSTS
Correct. They call that the inhibit relay because that gets power from the inhibit switch which is another name for the park neutral switch.

Take a look at the diagrams below this post for the detail.

However, when you say you remove it and everything works fine, meaning the dash lights and everything comes on but the engine does not start? If this relay is out I would expect the engine to not start as the starter will not get power through the relay due to it being out.

If you look at the wiring diagram basically the inhibit switch powers the relay and will only do this if the vehicle is in park or neutral.

If it is not then it should not power the relay which means it does not close and the starter will not turn.

I suspect you found the issue if this relay is out and everything works but I just want to make sure that is what is happening.

Thanks
Aug 21, 2021 at 5:24 PM