96 chevy caprice park lamp lights wont turn on?

1996 CHEVROLET CAPRICE
152,256 MILES • 4.3L • V8 • AUTOMATIC
Avatar
BIGWALT05
  • MEMBER
  • 2 POSTS
My dash, taillights, and park lamp lights wont turn on. I have brake lights and headlights. Used test light to check fuses for power and 41,42,43 and 44 does not have power at the fuse. Where should I look at next as this been a ongoing issue for months and I cant drive it at night
Dec 26, 2025 at 11:21 AM
Advertisement
Avatar
CARADIODOC
  • CERTIFIED EXPERT
  • 34,306 POSTS
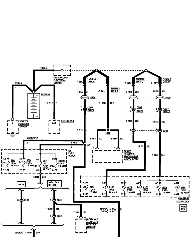
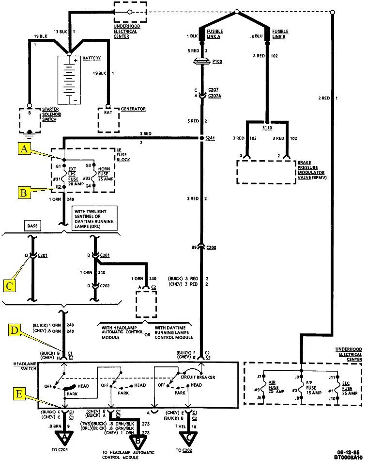
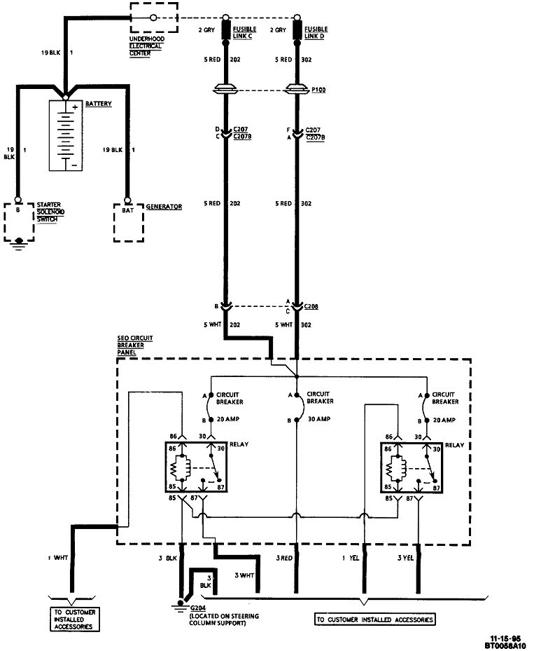
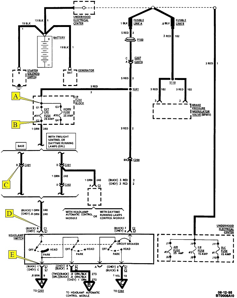
GM makes their lighting systems rather complicated by adding a number off optional variables, but I think we can solve this. The last two diagrams below are for "Special Equipment Options". I included them so you'd have them. The first four are for the tail and running lights, but we only need to look at the first two. I added callouts to show good test points if you can find them.

Start by checking if the horn works. If it does, everything is okay up to point "A".

Next, check for voltage on both sides of fuse # 31.

Point "C" is a pair of mating terminals in a connector. That's a good place to find corroded terminals, but the connector may be hidden or hard to get to. Might be easier to just remove the head light switch and go right to that. Look for the orange wire and if it looks dark or discolored near the plug. Check for voltage there by back-probing through the back of the connector, alongside the wire. If it's there, turn the switch on, then check on the brown wire, point "E". If it's missing there, the best suspect is a burned or overheated connector terminal. I'll describe the repair procedure if you find that.

Let me know how far you get, then we'll figure out where to go next.
Dec 26, 2025 at 2:03 PM
Avatar
BIGWALT05
  • MEMBER
  • 2 POSTS
Fuse 31 has power at the fuse, test light the orange wire and its getting power, test lighted the brown wire and when i turn the park lamp switch on its getting power from it as well. When I turn my hazards on the park lamps and tail lights work but wont turn on at the switch. Went and got another switch and still the same thing. All fuses have power except 41, 42,43 and 44
Dec 27, 2025 at 12:25 PM
Advertisement
Avatar
CARADIODOC
  • CERTIFIED EXPERT
  • 34,306 POSTS
The flashers and tail lights are two different circuits, so your observation of the flashers working isn't related or valid. The flasher system flashes the brake light bulbs in the rear. Those are brighter than the tail lights.

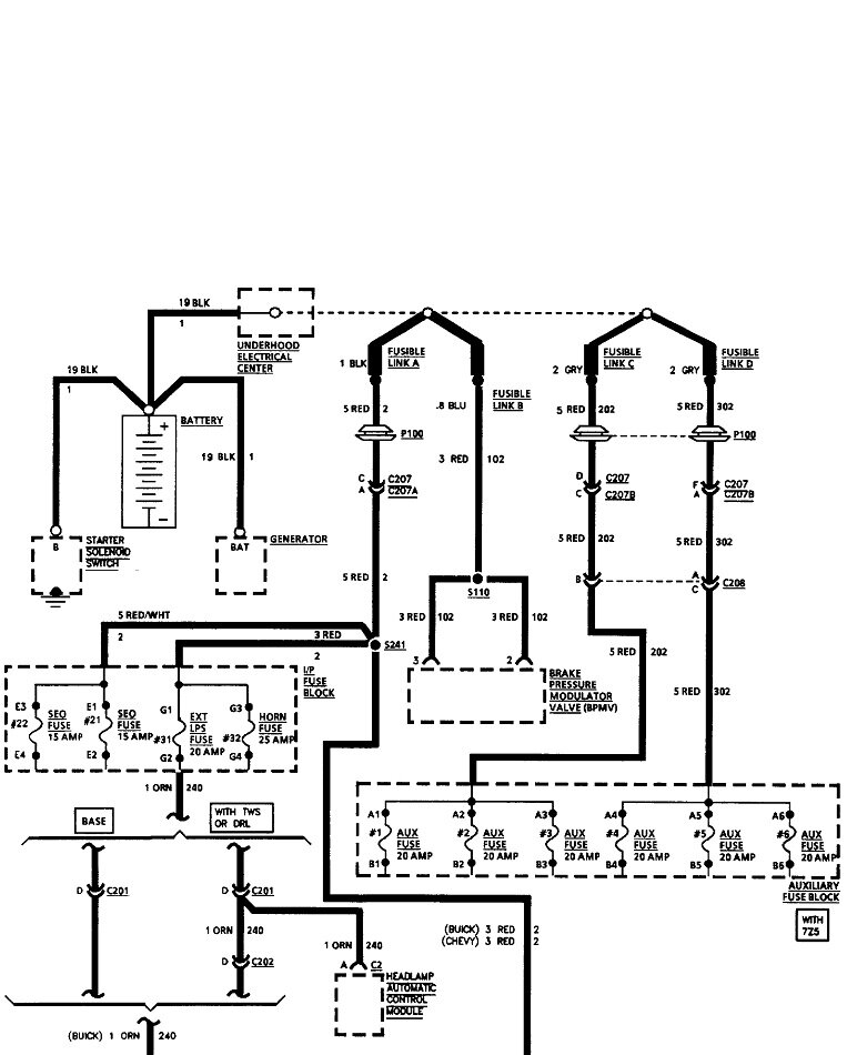
The diagrams for the fuses you listed don't go all the way to the bulbs, but this case, your measurements have this narrowed down already. On the first diagram, you found 12 volts up to point "E", coming out of the headlight switch. It's missing at point "G" on the second diagram, those fuses you listed. That leaves basically three things to consider. Probably the most likely suspect would be the connector terminals at point "F". Both sides of that connector would make dandy test points too. I found the list of connector locations and a drawing showing where to look for it. If you can get to it, back-probe both sides next to the wires to see if you have 12 volts on the brown wire. If voltage is only on one side, something is wrong between that pair of terminals. Connectors like this are only needed to allow separate sections or components go together at different times on the assembly line. It is acceptable to cut corroded wires off and splice them together without using a connector.

For my other two suspects, back in the late '80s, GM was using aluminum wire to save cost, but they had a real lot of trouble with that. First, if there was a nick in the insulation, the wire in that area would turn to powder within a week or two. The insulation was translucent so you could see the damage. Also, that corrosion usually caused the insulation to become quite fat, making the damage easy to see. Second, with aluminum wire and copper terminals, and with brass rivets in the fuse box, two different kinds of metal along with an acid, road salt from your shoes in this case, formed "galvanic action", basically the same chemical process that takes place in batteries. The corrosion would eat the wire away at a connector terminal, and more commonly on the rivets holding wires to the fuse box, especially when that fuse box was ahead of the brake pedal. I ran into this on a Firebird, coincidentally, also with the tail lights. We found the cause by accident once it got dark outside. By "irritating" the wire harness near the back of the driver's door, we could see the reflection of sparks occurring at the fuse box. That was a long time ago, but as I recall, we had to use a nut and bolt to replace the brass rivet to make a solid connection, then we coated it with grease.

Keep me updated on your progress, and let me know if you have normal copper wiring or if it's aluminum. I have a suspicion by '96 they had gone back to copper.
Dec 27, 2025 at 1:09 PM