ECM not working

1993 NISSAN SENTRA
222 MILES • 1.6L • 4 CYL • 2WD • MANUAL
Avatar
RICK LEE4
  • MEMBER
  • 1 POST
Okay, so i have checked all the normal stuff first . No injector pulse nor fuel pump . When i key on i get no SES light, I get power to the ECU relay and ground. No power to the fuel pump relay. I can engage the fuel pump relay by hand by taking the plastic cover off and the fuel pump kicks in . Radio is an aftermarket and doesn't have power either . None of the original wires were cut . They used a adapter plug and i have simply unplugged it for now. I have pulled every fuse and checked them with a meter while they were in socket, key on and they all have power on both sides . I'm hearing there might be a third ignition relay located behind the passenger side kick panel. i still have to check though. From what i'm seeing it looks like the ECU has failed but that still doesn't explain why there is no power at the factory radio plug . Thoughts ?
May 22, 2021 at 8:18 AM
Advertisement
Avatar
KASEKENNY
  • CERTIFIED EXPERT
  • 18,907 POSTS
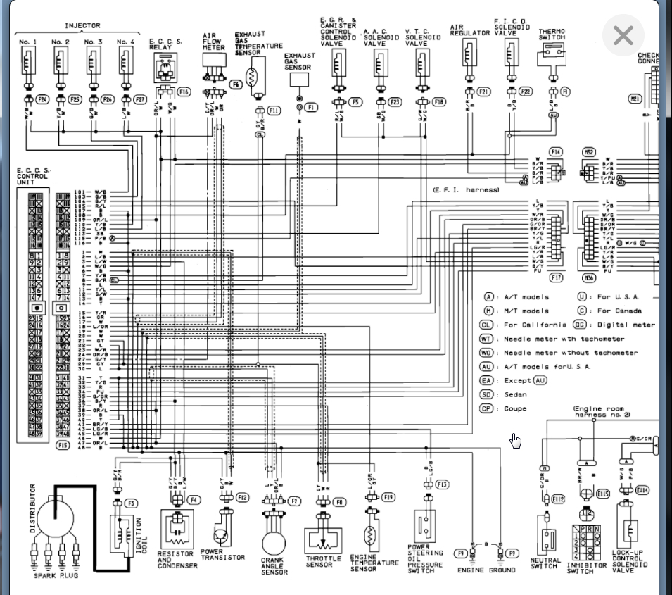
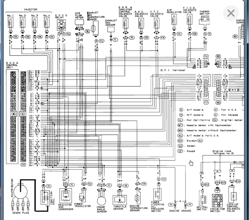
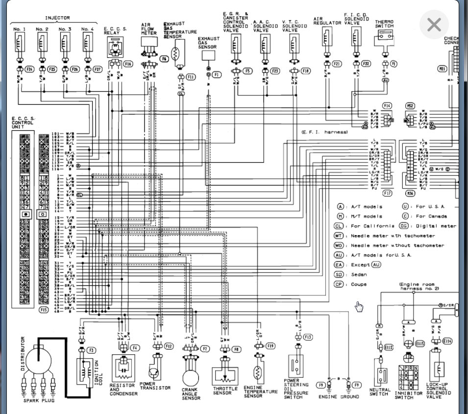
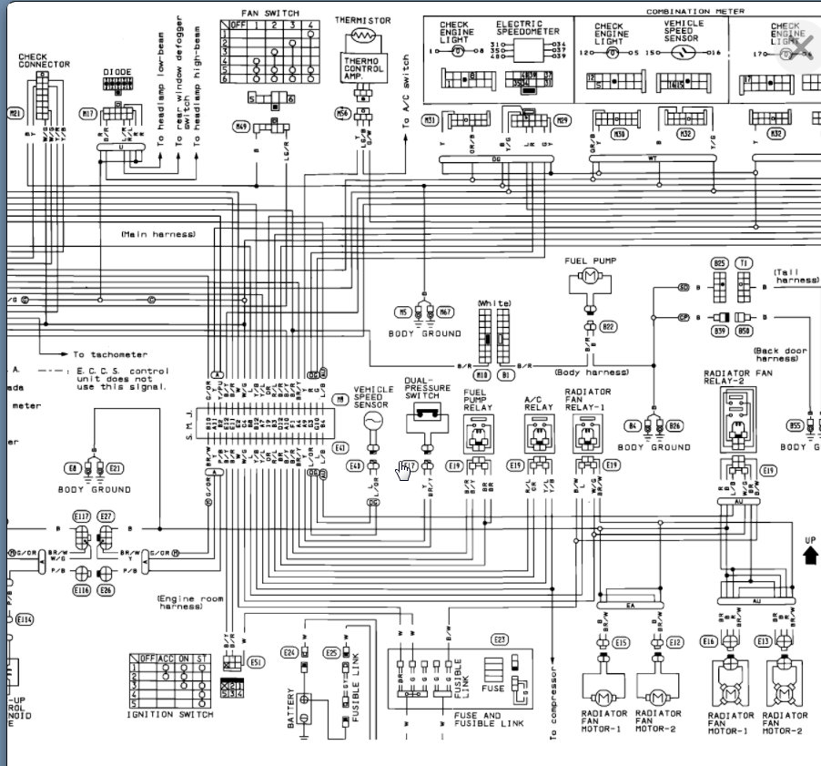
This does sound like a failed ECM. However, we need to run through this wiring diagram and check and make sure we are getting the correct output from the ECM on these circuits.

https://www.2carpros.com/articles/how-to-check-wiring

Below is the diagrams and pinout charts that include the correct voltage on each wire.

Please run through this and let us know what questions you have on this. Thanks
May 23, 2021 at 8:01 AM