Hvac vacuum diagrams

1993 FORD MUSTANG
236,000 MILES • 2.3L • 4 CYL • 2WD • AUTOMATIC
Avatar
MIKE BRIGHTSEN
  • MEMBER
  • 1 POST
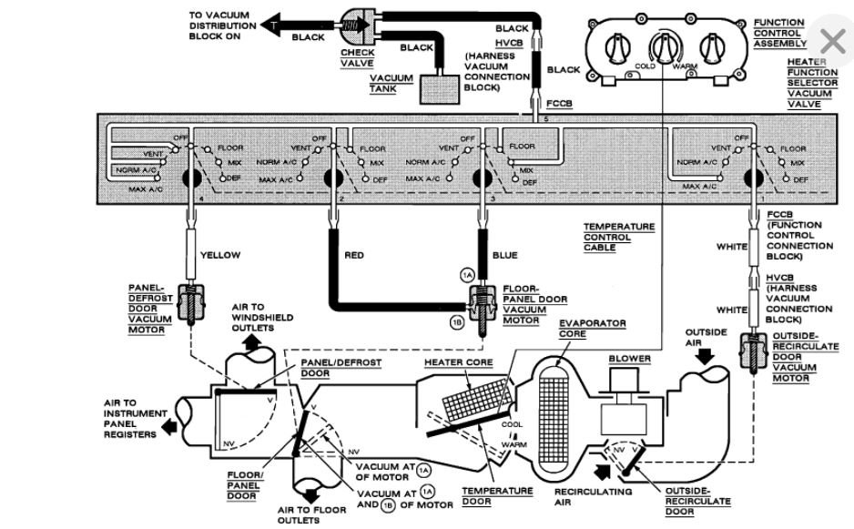
As in the subject line, i have the car listed above with a v4 Foxbody hatchback, i just purchased. A/C runs ice cold to the floor boards and the defrost vent when on max A/C setting and has some blockage somewhere in the line that is preventing it from coming out of my vents. Looking everywhere for a diagram for the vacuum lines for the A/C ab everything is coming up dry for me. Could you help me out with a step-by-step or how i can go about repairing this issue?
Feb 25, 2018 at 9:21 PM
Advertisement
Avatar
ASEMASTER6371
  • CERTIFIED EXPERT
  • 52,796 POSTS
Good morning.

Take a look at this and let me know if you have any questions. Check out the diagrams (Below). Please let us know if you need anything else to get the problem fixed.

Roy
Feb 26, 2018 at 4:16 AM