Transmission shifts hard

1993 FORD BRONCO
292,000 MILES • 5.8L • V8 • AUTOMATIC
Avatar
SMOKE1414
  • MEMBER
  • 1 POST
i replaced the speed sensor on top of the rear end twice and it still shifts hard and the speedometer still does not work. help. maybe a fuse under the hood?
Oct 13, 2019 at 5:05 PM
Advertisement
Avatar
ASEMASTER6371
  • CERTIFIED EXPERT
  • 52,796 POSTS
Good evening,

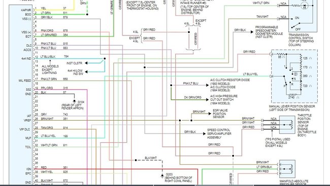
First, you need to have the code checked. Since it is OBD1, you will need someone with the tester for the early system.

I attached a wiring diagram for you. I broke it in 2 pieces so you can read it.

Yes, it sounds like a wiring issue with the speed sensor. Without that signal, the transmission will not shift right.

Roy
Oct 13, 2019 at 6:17 PM