in my ongoing saga with this 1993 audi 90 quattro, the latest issue is that these all do not work;
-wipers
-parking lights
-turn signals
-power windows
-a/c or heat blower fan (entire climate control is black/blank)
however, the emergency blinkers do work! and the car seems to start/run/drive just fine.
in the past when this occurred, i tried jiggling the fuse box (in the engine bay by the driver) and it would usually fix this.
this makes me believe there is a faulty ground wire somewhere in the fuse box.
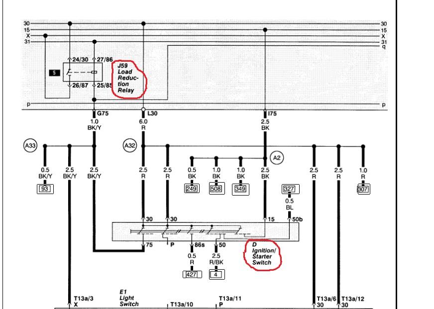
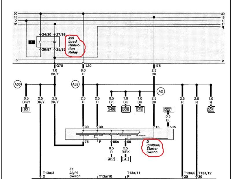
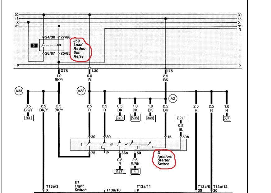
i've tried to find an electrical diagram for this car, but it doesn't seem to exist, does anyone know where i could get such a diagram?
thanks to all in advance!
-wipers
-parking lights
-turn signals
-power windows
-a/c or heat blower fan (entire climate control is black/blank)
however, the emergency blinkers do work! and the car seems to start/run/drive just fine.
in the past when this occurred, i tried jiggling the fuse box (in the engine bay by the driver) and it would usually fix this.
this makes me believe there is a faulty ground wire somewhere in the fuse box.
i've tried to find an electrical diagram for this car, but it doesn't seem to exist, does anyone know where i could get such a diagram?
thanks to all in advance!
Oct 13, 2013 at 6:43 PM
