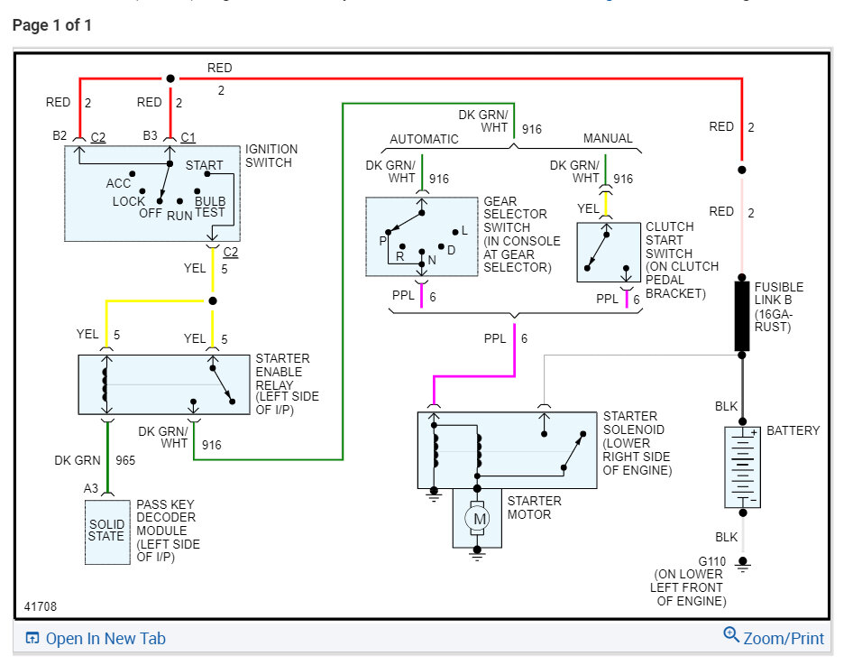
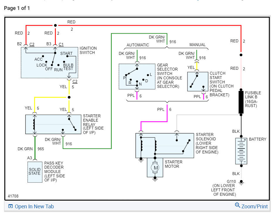
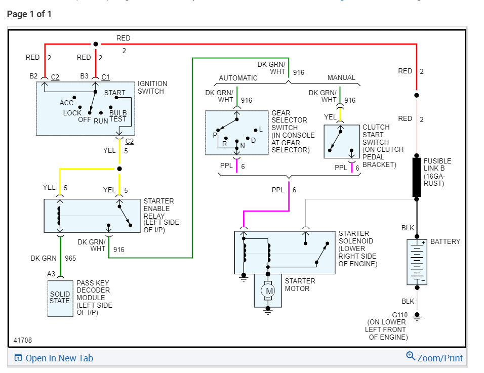
The car listed above is a GTA model. The car will crank over and start when it is the first start of the day or after letting car cool off for 3-4 hours after running the car to operating temperature. When the car is hot and trying to crank, I cannot even hear a solenoid clicking on the starter or anything. I do hear noise possibly from a relay under the dash. I do not suspect the VATS to be the problem since the security light does not stay on and I have checked my resistance on my keys, tried another key, and my problem only occurs when the engine is hot. I would like the diagram of the starting circuit for the car since there might be a starter enable relay under the dash and a wire from the neutral safety switch under the car that gets hot. I do not want to jump to conclusions and think it is the starter. I want to methodically diagnose this using the starting circuit diagram please. Thanks.
Jul 10, 2023 at 12:03 AM
