Over charge problem

1987 DODGE DAKOTA
100,000 MILES • 3.9L • 6 CYL • 2WD • AUTOMATIC
Avatar
BACKWOODS504
  • MEMBER
  • 16 POSTS
I have the vehicle listed above that suddenly developed an overcharging condition. Carburetor, external voltage regulator. I'm getting 18 volts and climbing at idle with no accessories on, 16.3 volts with lights and fan on (measured at battery). Blue field lead is 17.28 volts/14.28 volts and green field lead is 1.78 volts/1.64 volts with stuff off/on. Blue lead shows continuity and ground with key off, no ground with key in run when disconnected at alternator, coil, and VR. Green lead shows continuity and no ground when disconnected from alternator and VR. Zero ohms resistance between VR negative battery terminal, alternator case, and various other ground points. Battery voltage is about 12.6 and charging system was putting out about 2 volts over that a few months ago when alternator and VR were replaced. Any suggestions would be greatly appreciated. Thanks
Sep 18, 2020 at 11:56 AM
Advertisement
Avatar
KASEKENNY
  • CERTIFIED EXPERT
  • 18,907 POSTS
Let's disconnect the blue and green lead at the voltage regulator with the key in the off position. Then turn the key to the on position and check voltage on the blue and green leads at the voltage regulator harness terminals. Tell me what the voltage is there and we can take the next steps.

Thanks
Sep 18, 2020 at 3:30 PM
Avatar
BACKWOODS504
  • MEMBER
  • 16 POSTS
I'll let you know what I find in the morning. Thanks
Sep 18, 2020 at 6:26 PM
Advertisement
Avatar
KASEKENNY
  • CERTIFIED EXPERT
  • 18,907 POSTS
Sounds good. Thanks for the update. We will wait to hear back. Thanks
Sep 18, 2020 at 6:46 PM
Avatar
BACKWOODS504
  • MEMBER
  • 16 POSTS
Voltage to battery terminal 12.53 on green, 12.55 on blue, 12.65 at battery. One thing that I should've mentioned before is that this truck doesn't have a "book" alternator. When the old one went out a while back, we had to match it by numbers in the old one. Parts store's book says it's for a full size Dodge of the same model year. Brackets, wiring, and pulleys all look factory to me. Let me know what you think. I really appreciate the help.
Sep 19, 2020 at 5:32 AM
Avatar
KASEKENNY
  • CERTIFIED EXPERT
  • 18,907 POSTS
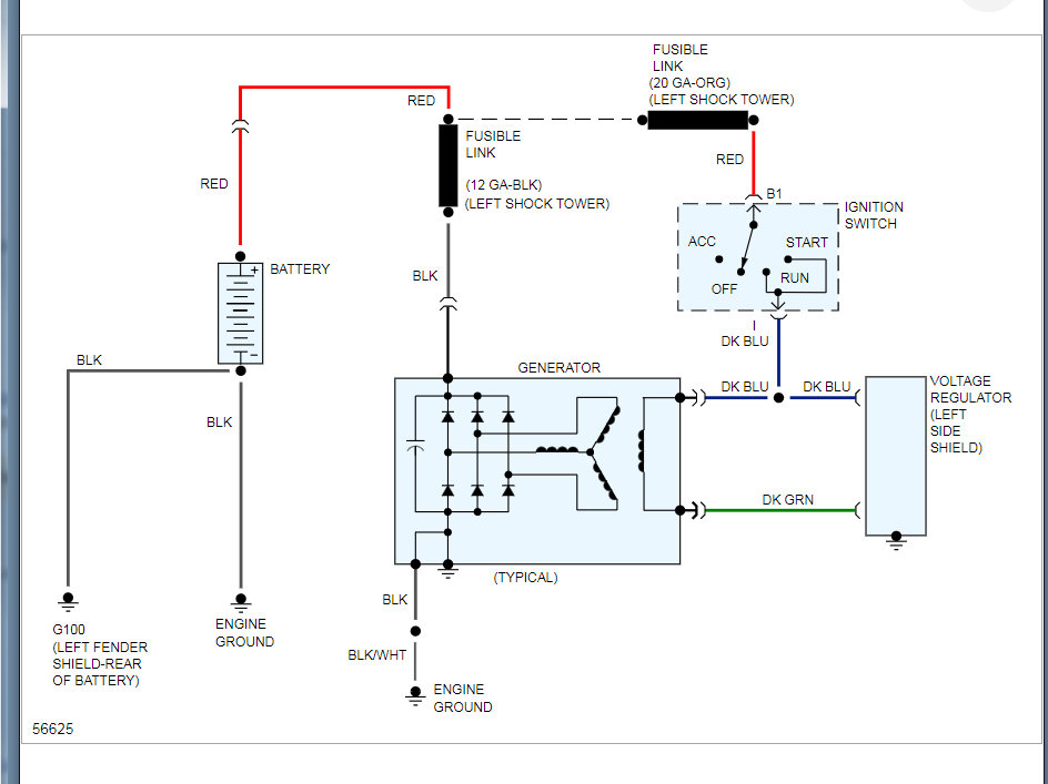
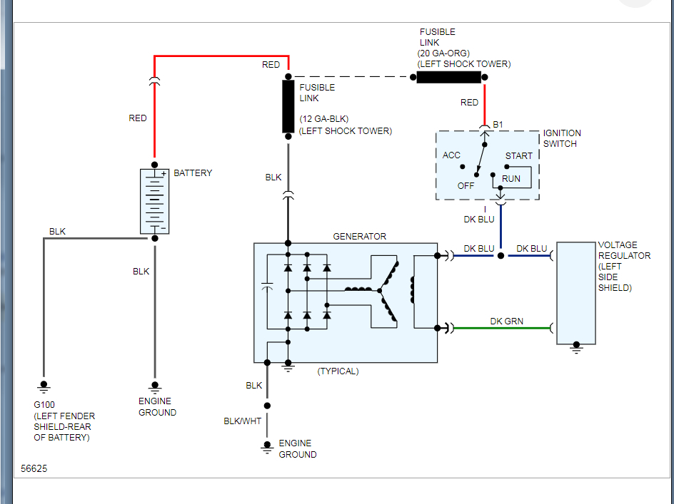
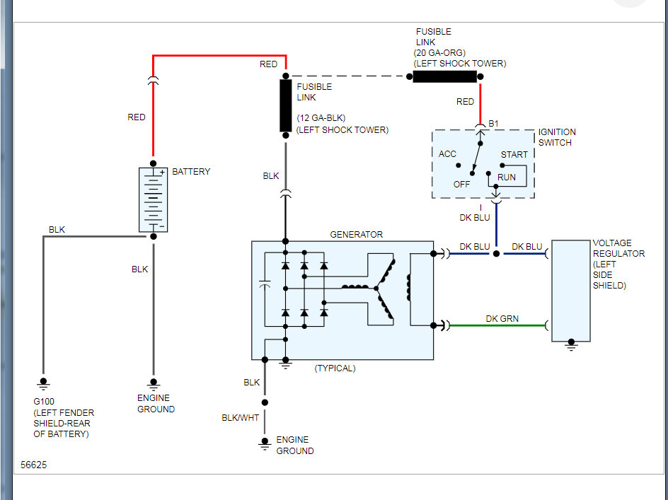
Based on those readings the voltage regulator is just fine. That would leave the alternator. Take a look at this flow chart. It appears you have eliminated the wiring and the VR appears ok so that leaves the alternator.

Do you know if this has been doing this from when you bought it or did you just discover the overcharging?
Sep 19, 2020 at 7:38 AM
Avatar
BACKWOODS504
  • MEMBER
  • 16 POSTS
Alternator was replaced in early May of this year. Charging was fine after that per the gauge and also with a volt meter (showed about 2V above battery). (Old alternator had died, no output). Overcharge condition started last week. Is checking for a grounded field as easy as checking ohms from field terminals to alternator case? I can pull it and have it checked at the parts store too. Thanks
Sep 19, 2020 at 7:53 AM
Avatar
BACKWOODS504
  • MEMBER
  • 16 POSTS
Neither field terminal on the alternator is shorted to ground. I suppose it might short when voltage is applied to it?
Sep 19, 2020 at 8:28 AM
Avatar
KASEKENNY
  • CERTIFIED EXPERT
  • 18,907 POSTS
That is odd. It is possible to be an intermittent short only when power is applied but clearly if the wiring is not shorted to ground and the VR is good then I have to say the alternator most likely failed. The fact that it was okay and now is not, points to the fact that it failed.
Sep 19, 2020 at 7:36 PM
Avatar
BACKWOODS504
  • MEMBER
  • 16 POSTS
Okay, I'll pull it and have it tested at the parts store. I appreciate the help. considerably more helpful than a H****s manual.Thanks again
Sep 20, 2020 at 5:16 AM
Avatar
KASEKENNY
  • CERTIFIED EXPERT
  • 18,907 POSTS
Sounds good. Thanks for the update. Let us know what happens. Thanks
Sep 20, 2020 at 6:40 PM
Avatar
BACKWOODS504
  • MEMBER
  • 16 POSTS
Alternator tested fine at parts store. Put in new VR and it now reads 14.93 at the battery when running. If this one goes bad, I'll have to dig deeper into the wiring. On this model year, is there anything else tied into these circuits beyond alt, VR, and ignition? Is there temperature compensation anywhere? Is the SCC on this one strictly for emissions? Thanks
Sep 22, 2020 at 2:26 PM
Avatar
KASEKENNY
  • CERTIFIED EXPERT
  • 18,907 POSTS
Not according to the wiring diagram.

Take a look at the attachment and let me know if you have other questions. However, it sounds like you just had a poor quality regulator.

Thanks for the update. That is great information.
Sep 22, 2020 at 7:04 PM