84 Jeep CJ7 Cranks but Won't Run

1984 JEEP CJ7
130,000 MILES • 4.2L • 6 CYL • 4WD • AUTOMATIC
Avatar
VINNYL
  • MEMBER
  • 12 POSTS
Is the CJ Medic there? Here goes:
- 84 CJ7 4.2 with auto tranny and CA emissions (resto'd in 2000 to basically stock)
- Been running rough for a few days, then died while driving (was rougher on hills and bumps)
- Cranks but won't start (good strong new battery)
- Replaced the starter solenoid about 2 mos ago (and freshly grounded it)
- Checked all fuses
- Coil is about 2 yo
- With key in run position I get power at both coil terminals (using simple lighted volt tester)
- Pulled one spark plug and cranked engine with remote starter; got a spark (maybe could have been brighter, but I did get one)
- Noticed that plug was very dry
- Looking into carb and manipulating the levers I can see plenty of fuel squirting in
- No air issues
- I have a voltmeter and am minimally competent in its use
I'm stumped! Please help!
Jun 3, 2014 at 1:10 PM
Advertisement
Avatar
HMAC300
  • CERTIFIED EXPERT
  • 48,601 POSTS
o your basic ignition checks first like cracked cap coil wire to dist cap then to plug if the spark is weak then ti can be several things. how good are you at testing things? do you have an ohm/volt meter?
Jun 3, 2014 at 4:11 PM
Avatar
CJ MEDEVAC II
  • MEMBER
  • 222 POSTS
WHAT YOU GOT VALUE-WISE WITH THIS FIRST PIC?

SEEMS I'M NOT ALLOWED TO HAVE AN AVATAR NOW

LET'S POUR IN 2 TABLESPOONS OF FUEL INTO THE CARB AND TRY IT

HOW DOES IT REACT?

MAYBE YOU GOT WATER RUNNING THRU THE SYSTEM INSTEAD OF GASOLINE-I'VE GOTTEN BAD FUEL BEFORE-I REMOVED NEARLY A QUART FROM "WILLY" A WHILE BACK

THERE IS ALSO THE POSSIBLE AQUA-SABOTAGE FACTOR!

I'VE GOT MORE-KEEP SENDING INFO, EVEN IF IT SEEMS UNIMPORTANT

YOUR TURN

THE MEDIC
Jun 3, 2014 at 8:29 PM
Advertisement
Avatar
VINNYL
  • MEMBER
  • 12 POSTS
I'm new to the site and I'm not getting notifications when replies hit. That's OK, I know to check the site now.

So here's what I did today BEFORE I saw your post:

- I thought that maybe my spark was weak (see my post above) so I made two changes: (1) I installed a new ballast resistor (a previous mechanic had cut it out of the loop), and (2) I replaced the coil. I checked just about everything else I could think of (disconnected wires, corrosion, etc) - no major issues. Then tried to start. No joy. Great crank but it almost sounds like no gas getting to the engine (to me at least).

I read your post and did the voltmeter test on both old and new coils. Readings for both = 12.36! Based off of what you've told me something is not right. (and Medic I've read some of your other posts - your posts got me on this site.)

I don't have a gas can, so I'll have to do the tablespoons in the carb tomorrow or Friday.

Other background:

- New yellow top Optima (which is great) about 6 mos ago

- You mentioned bad gas. That was my original thought when it first started running poorly. Seems it got really bad after my last fill up from 1/4 tank just the day before she died. But it could it be so bad that she won't start at all?

That's all I have right now. I'll be able to turn to on her again tomorrow after work...

Thanks for your help.
Jun 4, 2014 at 7:07 PM
Avatar
VINNYL
  • MEMBER
  • 12 POSTS
I forgot to mention that I put a new fuel filter on 2 days ago.
Jun 5, 2014 at 4:15 AM
Avatar
HMAC300
  • CERTIFIED EXPERT
  • 48,601 POSTS
first ting if the ballast resistor was cut out then it probably fried the coil as it's supposed to cut the voltage down. it may have fried the ignition box as well.
see pic below
Jun 5, 2014 at 6:24 AM
Avatar
VINNYL
  • MEMBER
  • 12 POSTS
Hmac,
- I can't see your second image.
- First image is a pic of the distributor. I think the verbiage at the bottom is a procedure to test the ignition module. Is that correct? My ignition module looks kinda like the picture here, except I have a 3 wire connector (not 2) and a 4 wire connector I think. I will try to run this test tonight...

Thanks.
Jun 5, 2014 at 9:07 AM
Avatar
HMAC300
  • CERTIFIED EXPERT
  • 48,601 POSTS
ok've done these all in pdf so you should be able to get them full size or make them larger.
Jun 5, 2014 at 9:52 AM
Avatar
VINNYL
  • MEMBER
  • 12 POSTS
Can't make sense of any of these files - each one is cut off badly on the left hand side.
Jun 5, 2014 at 1:59 PM
Avatar
HMAC300
  • CERTIFIED EXPERT
  • 48,601 POSTS
send your email let me see If it comes out better.
Jun 5, 2014 at 3:57 PM
Avatar
HMAC300
  • CERTIFIED EXPERT
  • 48,601 POSTS
test
Jun 5, 2014 at 4:16 PM
Avatar
VINNYL
  • MEMBER
  • 12 POSTS
[email protected]

That time the whole write up is there (not cut off) but the quality is so poor its unreadable. I even printed it and couldn't read it. Sorry... I appreciate your perisistence in trying to help me.
Jun 5, 2014 at 4:42 PM
Avatar
HMAC300
  • CERTIFIED EXPERT
  • 48,601 POSTS
ya I sent via two other times onve via email and it locked up everything so i'mnot sure you will get it. you need to get amanual so you can check your control box or go online and look on how to test it as I can't seem to get it to work here sorry.probably your best bet is online as they problably used that system for a few years.
Jun 5, 2014 at 5:03 PM
Avatar
VINNYL
  • MEMBER
  • 12 POSTS
I have Chiltons and Haynes and even a tech manual. I just don't always find them to be very user friendly - guess I'm not very fluent in 'mechanic'.
Jun 6, 2014 at 5:25 AM
Avatar
HMAC300
  • CERTIFIED EXPERT
  • 48,601 POSTS
trying again lol.........these may enlarge don't know
Jun 6, 2014 at 6:22 AM
Avatar
VINNYL
  • MEMBER
  • 12 POSTS
Got 'em! Thanks!
Jun 6, 2014 at 2:22 PM
Avatar
CJ MEDEVAC II
  • MEMBER
  • 222 POSTS
THINK I'M GETTING THE RUN AROUND

I HAVE NOT BEEN NOTIFIED AT ALL ON THIS POST - NOT EVEN ONE OF THE RESPONSES. YES, I HAVE TO MANUALLY SUBSCRIBE TO EVERY QUESTION THAT I ANSWER, TISSN'T SEEM TO WORK ANYMORE

IT'S LIKE MIDNIGHT THIRTY HERE, I'LL FIND YOU THRU "MAKE" TOMORROW, LET ME KNOW IF YOU ARE STILL NOT PECULATING.

I'M CURRENTLY ABOUT TO PUT IN 2 WHEEL CYLINDER KITS, BLEED AND ADJUST THE BRAKES ON "WILLY", THIS IS SORTA A DELICATE OPERATION, TO GET 'EM ADJUSTED PROPERLY. MY PAL AND I HAVE CONSTRUCTED SORTA A "CUT AWAY TEST DRUM" TO HOPEFULLY MAKE IT EZer

THE MEDIC

Jun 6, 2014 at 9:59 PM
Avatar
VINNYL
  • MEMBER
  • 12 POSTS
I was wondering where you went Medic. I am also not getting notified of posts to this problem. Easier for me to check for updates than it is for you though I'm sure.

Gonna try my meager skills out today on testing the ignition module.

When you get a chance please read through my posts. I tried to answer everything you asked.

Thanks.
Jun 7, 2014 at 8:12 AM
Avatar
CJ MEDEVAC II
  • MEMBER
  • 222 POSTS
OK

DID YOU TRY THE SPOONS OF FUEL?

LETS GET A BABY FOOD JAR OR EQUIV, TAKE THE RUBBER FUEL LINE LOOSE AT THE CARB. STICK IT IN THE JAR AND TURN IT OVER TILL YOU HAVE 1/2 A JAR FULL. NOW OUT OF YOUR FUEL CAN, ADD SOME "GOOD FUEL" TO THE JAR. DO YOU SEE THE "GOOD FUEL" FLOATING ON THE "POSSIBLE WATERED FUEL"?

1) 12 VOLTS???? MAY BE TOO MUCH!!!!

2) DO YOU HAVE A STOCK COIL?

3) DO THIS TEST IN MY 1ST 2 PICS - WHAT ARE YOUR VALUES??? (THESE PICS ARE FOR A '77 WITH PRESTOLITE IGN) LETS SEE WHAT YOU HAVE!

4) PIC 3 IS OF THE "ADVANCE AUTO PARTS" IGN MODULE TESTER. (IF I SIZED IT SMALL ENOUGH TO WORK) HAVE THEM TEST IT AT LEAST 5 TIMES IN A ROW! (OR MORE) IMMEDIATELY ONE TIME AFTER THE OTHER. IF IT FAILS ONE TIME, REPLACE IT!. NOW TEST THE NEW ONE THE SAME WAY BEFORE YOU LEAVE THE STORE!!! YES, IT MAY BE "NEW-BAD"!

5) LOOK THIS POST OVER. THERE IS A TEST FOR THE DISTRIBUTOR WIRES IN IT SOMEWHERE IN THE 5 PAGES

https://www.2carpros.com/questions/1984-jeep-cherokee-cj7

CAN YOU SEND GOOD PICS ? - FULL LEFT SIDE - FULL RIGHT SIDE OF ENGINE AND OVERHEAD TOO. HOOD RESTING ON THE WINDSHIELD FRAME-BREATHER OFF OF THE CARB

YOUR TURN

THE MEDIC

Jun 7, 2014 at 8:28 PM
Avatar
VINNYL
  • MEMBER
  • 12 POSTS
Success! It was the ignition module: I tested it per Hmac's second 'pic'. Replaced the module and she started right up. Not only that, she starts and runs better than she has in a really long time. Thanks guys!

So I think the ballast resistor being cut out of the loop may have caused or contributed to this. What do you think? I've reinstalled it.
Jun 7, 2014 at 10:56 PM
Avatar
HMAC300
  • CERTIFIED EXPERT
  • 48,601 POSTS
ke I said in one of the previous replies, cutting ballast resistor out probably burnt out the control module or ignition module they aren't meant to operate on 12 volts.
Jun 8, 2014 at 7:40 AM
Avatar
CJ MEDEVAC II
  • MEMBER
  • 222 POSTS
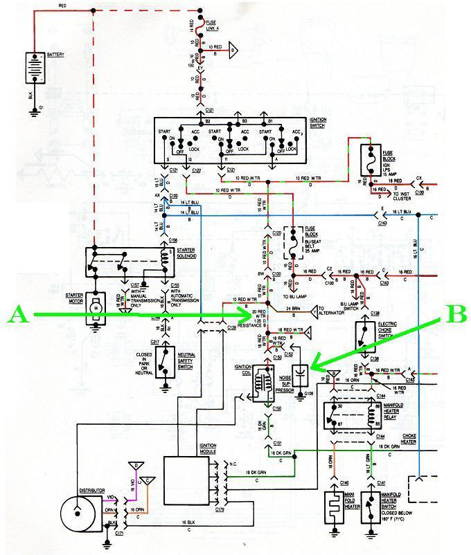
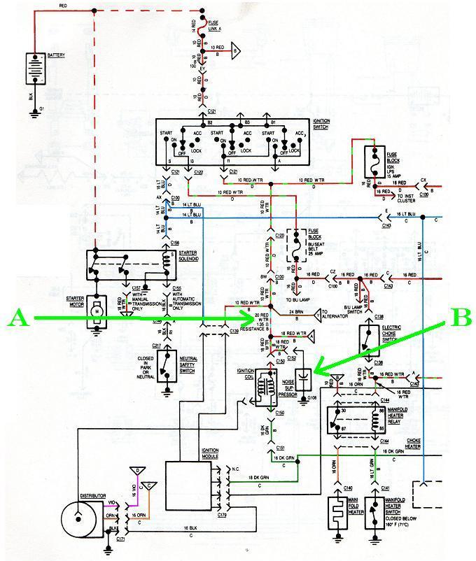
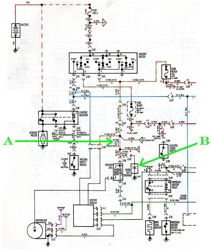
SO I 'SPLAIN A LITTLE DEEPER

NOTICE "A" IN MY DIAGRAM

"A" IS A RESISTANCE WIRE - USED FROM 1979 ON UP WITH MOTORCRAFT IGNITION- IT -"IS"- YOUR RESISTOR TO LOWER THE VOLTAGE TO THE IGN SYSTEM. IT LOOKS LIKE A PLAIN JANE WIRE, AND SHOULD NEVER BE CUT OR TIED INTO FOR ACCESSORIES!!!!

ALONG WITH THIS YOU MUST USE THE CORRECT COIL- PIC 2 IS WHAT YOU SHOULD HAVE - YES, YOUR RESISTOR (THE RESISTOR WIRE) IS EXTERNAL! MANY TIME THE PARTS STORE GUY WILL ASK YOU "INTERNAL OR EXTERNAL RESISTOR"? IF THEY ASK AT ALL, SO BE ALERT TO WHAT YOU NEED!!!

"B" IN THE 1ST PIC IS A "NOISE SUPPRESSOR - IT'S MOUNTED ON THE COIL BRACKET - THIS MAKES MR. RADIO LESS STATIC-EE ! FOLKS MISTAKE THIS FOR A BALLAST RESISTOR

MY '77 HAD PRESTOLITE IGNITION, THE SYSTEM WAS CRAPPY, MODULE AND DISTRIBUTOR. I UPGRADED TO "MOTORCRAFT". THE PRESTOLITE SYSTEM DID NOT HAVE A RESISTANCE WIRE RUN TO IT, JUST A PLAIN OLE WIRE W/ 12 VOLTS. I HAD TO REDUCE MY VOLTAGE TO THE COIL USING A BALLAST RESISTOR - IN PIC 3 IS WHAT IT LOOKS LIKE, AND IN PIC 4 YOU CAN SORTA SEE IT MOUNTED CENTER AT THE TOP OF MY FIREWALL OVER THE VALVE COVER.

THE MEDIC

Jun 11, 2014 at 6:21 PM
Avatar
VINNYL
  • MEMBER
  • 12 POSTS
Got it. Thank you for all your help Hmac.
Jun 12, 2014 at 6:50 PM
Avatar
VINNYL
  • MEMBER
  • 12 POSTS
Medic - That's a really big horn!
Jun 12, 2014 at 6:51 PM
Avatar
CJ MEDEVAC II
  • MEMBER
  • 222 POSTS
I LIKE IT!

A WHOLE LOT, AND RECOMMEND IT TO EVERYBODY

MY WIFE (GIRLFRIEND, AT THE TIME) BOUGHT IT, AND THE COMPRESSOR FOR ME!

IT HAS SAVED ME MANY TIMES, WHEN IN A "TIGHT SPOT", MAKES "TEXTERS" STOP TEXTING INSTANTLY, IT HAS SHOWN PEOPLE THAT THE RAILROAD SIGN THAT SAYS "DO NOT STOP ON THE TRACKS" MEANS WHAT IT SAYS (WITHOUT A TRAIN IN SIGHT!)

IT'S LIKE ARGUING WITH YOUR WIFE. EVEN IF YOU ARE THE ONE WHO WAS RIGHT, IF SHE HOLLERED THE LOUDEST, BYSTANDERS SEEM TO THINK SHE WON THE BOUT

IN TRAFFIC, EVEN IF YOU ARE THE ONE WHO MADE A WRONG MOVE, WITH MR. TRAIN HORN, YOU ARE IN CHARGE! EVERYONE WILL STOP OR GET THE HECK OUT OF THE WAY WHEN YOU GET ON IT!

AS A TEST(S!), WHEN AN UN-SUSPECTING PEDESTRIAN CROSSES YOUR PATH, I FOUND THAT THEY WILL LOCK UP AS IF THEY ARE BEING ELECTROCUTED, MY OBSERVATION IS THEY WILL REMAIN THAT WAY AS LONG AS YOU KEEP IT ACTIVATED, 2 SECONDS - 10 SECONDS - 30 SECONDS

HECK, WHEN I FIRST INSTALLED THE "CORD", IT NIGHT I'D FORGET ABOUT IT, WHILE DIGGING IN THE BACK, ETC. I'D ALMOST HAVE A "DEPENDS" MOMENT MYSELF!

THE INSTRUCTIONS SAID IT WAS FOR OFF ROAD USE (WHY WOULD YOU USE IT ON THE ROAD?) AS YOU CAN SEE, I MOUNTED MINE ABOUT 3 FEET ABOVE THE ROAD!

THE MEDIC
Jun 13, 2014 at 8:53 PM