power seats not working correctly?

2015 CHEVROLET EQUINOX
30,000 MILES
Avatar
RICKCOWEN
  • MEMBER
  • 1 POST
Swapping out seats, to eight way power.
Have passenger seat working, can't figure out how to bypass memory module, so wanted to know if harness (part # 23247221) will work on drivers seat?
Mar 18, 2019 at 1:01 PM
Advertisement
Avatar
STRAILER
  • CERTIFIED EXPERT
  • 53,854 POSTS
Hello,

I don't know if you can bypass the module. Here are the seat wiring diagrams and a guide to help you trace the wires by checking the colors and connector configuration.

https://www.2carpros.com/articles/how-to-check-wiring

Check out the diagrams (below). Please let us know what happens.
Mar 21, 2019 at 11:02 AM
Avatar
CRAIGMCCARTHY63
  • MEMBER
  • 1 POST
The driver seat is completely prone. Is there a way to manually raise the reclined seat without the electric motor?
Jul 21, 2020 at 5:19 PM (Merged)
Advertisement
Avatar
STRAILER
  • CERTIFIED EXPERT
  • 53,854 POSTS
No, the motor must work to move the seat. it could be the switch causing the issue. here is a video of the switch getting replaced on a similar car with diagrams and instructions below for your car:

https://youtu.be/xLHNfnSdrVQ

I have included the sdat motor location and how to replace them in the diagrams below. Check out the diagrams (Below). Please let us know what happens.
Jul 21, 2020 at 5:19 PM (Merged)
Avatar
RBRTSN
  • MEMBER
  • 1 POST
Just started tonight. Thoughts, Ideas? Is this something I could fix on my own?
On separate note lumbar quit working years ago, Can this be fixed too?
Figured if I'm tearing it apart.
Jul 21, 2020 at 5:19 PM (Merged)
Avatar
JACOBANDNICKOLAS
  • CERTIFIED EXPERT
  • 110,175 POSTS
Hi,

There is a recliner rod that runs to each side of the seat to recline it. In addition, the rod runs the a motor which moves the seat. There is a chance the rod has broken or come disconnected at one point. There is a jam nut that holds the rod in place. It may have come off. Also, make sure nothing is blocking the seat and preventing it from moving.

If you look at pic 1, I highlighted the rod I am referring to. The second picture is the directions for motor replacement. Pic 3 shows the location of the jam nut. I don't think you need the motor, but the one in it will need removed and replaced if the rod is the issue.

Take a look through the directions and let me know if you have questions.

Take care,
Joe
Jul 21, 2020 at 5:19 PM (Merged)
Avatar
BURTON ROBERTSON
  • MEMBER
  • 1 POST
Yes, that was the problem. got it working. it it is great except, when we put the seat back in the car it is still crooked and doesn't work. Thinking the seat frame is bent.
If I replace the seat can I upgrade to a heated seat or is this a big project? Not sure what additional wiring would be involved?
Jul 21, 2020 at 5:19 PM (Merged)
Avatar
JACOBANDNICKOLAS
  • CERTIFIED EXPERT
  • 110,175 POSTS
Hi,

The frame may be bent. Are you sure when you reattached the rod that everything was straight? It isn't hard to not have it straight. LOL

As far as the heated seat, that is a much bigger job than one would think. It will require a different body control module as well as a few other things. I have to be totally honest. I wouldn't do it. It will be more expensive than you think.

As far as the seat, do you plan to replace the entire thing?

Let me know. I can get you directions if needed.

Take care and I hope you have a good new year.

Joe
Jul 21, 2020 at 5:19 PM (Merged)
Avatar
REYREY2001
  • MEMBER
  • 13 POSTS
my 2017 chevy malibu is doing the same thing. The backrest will only move on one side. Do you have any advice for my on my vehicle?
Jul 21, 2020 at 5:19 PM (Merged)
Avatar
GEORGE D MILLER
  • MEMBER
  • 1 POST
I have a manual passengers seat and a 8 way drivers seat. Can the passenger seat be replaced with a 8 way passengers seat?
Jul 21, 2020 at 5:19 PM (Merged)
Avatar
JACOBANDNICKOLAS
  • CERTIFIED EXPERT
  • 110,175 POSTS
Hello,

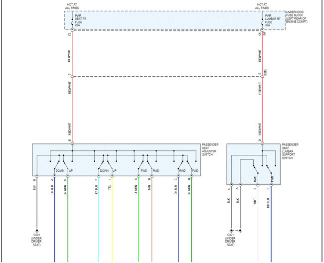
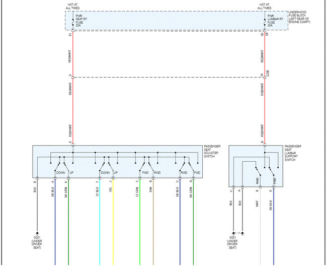
You are likely able to do this. I have reviewed the wiring schematics, and from what I see, you simply need to supply two power supplies the the two switches on the seat.

Now, the schematic shows the original location where the fuses would be. Since the vehicle wasn't ordered with a power passenger seat, chances are they will not be there. So, you will likely need to find a power supply and then using an inline fuse (which you can get at any parts store) and provide a 20 amp fuse for the lower seat controls and a 30 amp inline fuse for the lumbar control.

Take a look at the wiring schematic I attached. I had to cut it in half to make it readable. I did overlap the two halves so you can easily follow it.

Let me know if this helps or if you have other questions.

Take care,
Joe
Jul 21, 2020 at 5:19 PM (Merged)
Avatar
JACOBANDNICKOLAS
  • CERTIFIED EXPERT
  • 110,175 POSTS
Hi,

I would be very happy to help. However, I need to ask a favor can you please start a new thread? Just copy and paste what you wrote as a new question. I ask because we are trying to keep each thread specific to one topic. Although your question is very similar, the model and year will make things different.

I hope you understand and thank you.

Joe
Jul 21, 2020 at 5:19 PM (Merged)
Avatar
ALEXBEL
  • MEMBER
  • 65 POSTS
The car was flooded at the bottom. But it run and drive. The driver's seat is pushed back to the full. The driver's seat does not move. The backrest can be adjusted properly. What electrical equipment could be damaged ? Where is lockated control module ? VIN # 2GNFLNE54C6340967
Jul 21, 2020 at 5:19 PM (Merged)
Avatar
MHPAUTOS
  • CERTIFIED EXPERT
  • 31,937 POSTS
seat motors may have failed due to being immersed in water, i would be looking at these first.
Jul 21, 2020 at 5:19 PM (Merged)
Avatar
ALEXBEL
  • MEMBER
  • 65 POSTS
I am a citizen of Russia. I find it difficult to buy spare parts. For a more succesful search, please tell me, the original numbers of the following motors for the driver's seat (Part number):
1. Adjust motor, Slide.
2. Adjust motor, Tilt.
3. Adjust motor, Vertical.
Chevrolet Equinox LT VIN 2GNFLNE54C6340967.
Jul 21, 2020 at 5:19 PM (Merged)
Avatar
DODGEFS
  • MEMBER
  • 1 POST
When I got in my car this morning (in my garage) there was the distinct odor of a dead mouse. I found signs (chewed up kleenex) in the back floorboard, and the smell was stronger in the back seat area. I have searched with a flashlight, but I think it may be at the rear of the seat. Is there a way to access this area without unbolting the seat?
Jul 21, 2020 at 5:19 PM (Merged)
Avatar
FREEMBA
  • CERTIFIED EXPERT
  • 1,152 POSTS
You'll have to remove the seat to gain access. Removiing the seat isn't very hard - couple of bolts and that's it.
Please post the result of the seat removal so that in the future if someone has the same question they will fiind the answer here.

Good luck locating that smell.
Jul 21, 2020 at 5:19 PM (Merged)
Avatar
MARINE RECON
  • MEMBER
  • 1 POST
First time carpet underlayment was wet, now when resevoir gets filled the carpet itself gets soaked through. Obviously it took a couple times to determine leak in system was in the interior. Can't have windshield washers until problem is fixed.
Jul 21, 2020 at 5:19 PM (Merged)
Avatar
DRCRANKNWRENCH
  • CERTIFIED EXPERT
  • 3,380 POSTS
If you have a rear windshield wiper with washer. There is a hose that runs from reserviour to pump then through interior to the rear washer nozzle. The leak must be under the carpet and coming from the side near the door sill where the hose is run.
Jul 21, 2020 at 5:19 PM (Merged)
Avatar
ROCKIN64
  • MEMBER
  • 1 POST
Interior problem 6 cyl Front Wheel Drive Automatic 15000 miles

The rear seat on the passenger side won't fold down. The lever can't be pulled up, it seems to be stuck.
Jul 21, 2020 at 5:19 PM (Merged)
Avatar
STRAILER
  • CERTIFIED EXPERT
  • 53,854 POSTS
Hello,

This should be one of three problems, either the cable is broken or the release handle is worn and not pulling the cable to release the seat back. Something can be stuck in the track like an ink pen use a flashlight and look down inside.

Here are some diagram (BELOW) to help you get the problem fixed.

Please let us know what happens.

Cheers, Ken
Jul 21, 2020 at 5:19 PM (Merged)