Spitting and sputtering under load

1977 JEEP CJ5
100,000 MILES • 5.0L • V8 • 4WD • MANUAL
Avatar
MDAVIS72
  • MEMBER
  • 12 POSTS
I have the vehicle listed above with 304. last year had same issues spitting and sputtering. checked timing, changed coil, Ignition Module a few others things didn't fix it. bought and installed new holly 2300 carburetor and ran like a top. Sat in garage all winter got it out last week and started the same thing. Starts and idles fine can rev it up fine as soon as it is put under load is falls on its face wants to stall and did backfire a time or two. Not sure where to start. Stock motor no upgrades Motorcraft ignition I believe.
Apr 5, 2019 at 4:12 PM
Advertisement
Avatar
CJ MEDEVAC
  • CERTIFIED EXPERT
  • 11,004 POSTS
If your module is gold in color and your distributor face is white and resembles "looking through binoculars" (where the vacuum line plugs in) you have "Prestolite".

Stupid one for you, the choke is fully open?

Look that puppy over really good for a cracked or completely off vacuum line or vacuum fitting.

Verify it ran perfectly before it was garaged.

How much fuel is in the tank?

What is the ethanol percentage in the fuel you get from the gas station?

For your tuning have you used a timing light, dwell/tachometer meter/vacuum gauge? Are you just winging it? "By ear"?

Can you send pictures of both sides of the engine and a top view with the hood back on the windshield frame and the breather removed? Sometimes I can spot problems.

I presently have a 1977 CJ-5 w/ 258, my first (back in 1981) was also a 1977 it had a 304.

Your turn,

The Medic
Apr 5, 2019 at 8:49 PM
Avatar
MDAVIS72
  • MEMBER
  • 12 POSTS
It's a Motorcraft ignition. Used a timing light last year on it. Had roughly 3/4 tank got it home and put five gallons in it. Not sure on the ethanol percentage. I haven't messed with anything just trying to get a starting point. Having a new carburetor and running fine last year is what I don't get.
Apr 6, 2019 at 5:36 AM
Advertisement
Avatar
MDAVIS72
  • MEMBER
  • 12 POSTS
Here are a couple pictures I have:
Apr 6, 2019 at 5:39 AM
Avatar
CJ MEDEVAC
  • CERTIFIED EXPERT
  • 11,004 POSTS
Ethanol will deform certain types of rubber parts, especially if just sits over time, most people with small engines (landscapers, etc.) will only use ethanol free gas because it ruins their carbs.

I run it in mine, but we're running all of the time, mine is my daily driver.

I also have a 21 gallon polyethylene fuel tank.

If I had to guess at one part to look at:

The needle and seat, the rubber bullet tip may be swollen and slowing down the tank refill.

Next might be the accelerator pump if I were guessing.

Bringing me to this sad story.

My 1946 Willys , ten gallon steel tank under the driver's seat, he sits four or five months out of the year as it is too cold to drive him.

Used the ethanol in him too.

This crap separates out it's water content when it sits.

My fuel filter got full of rust and stopped filtering.

The only way I found to make it better (without a plastic tank) was to grab it on it's way out of the tank. Otherwise it could be a filter change 3 times a day!

This tank gravity flows out of the bottom on it's way to the fuel pump.

I have placed two strong magnets with "CJ MEDEVAC" "Mag handles" right at the outlet. Prior to this I had to make an access hole to get there as the baffle would not let me over there.

Here's route the gas takes "now"- Fuel tank, magnets, glass fuel bowl (like for a tractor), Inline filter. Its all grabbed by this point. Then it continues on to my glass bowl fuel pump and to the carburetor.

Picture 1) Far plug was my "get to the outlet" modification.

Picture 2) Magnets at outlet.

Picture 3) Rust covered magnet beside a clean one (a little bigger than a $ quarter).

Picture 4) Look at the crap! One magnet, about a 50 mile trip. You should have seen them the first few trips!

Picture 5 and 6) glass bowl prior to reaching the inline filter.

Picture 7) "Willy".

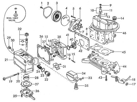
Picture 8) Your carburetor.

I haven't found a poly tank yet. Haven't really looked had yet.

Check this too!

Get out the timing light, verify timing idle speed. Remove the distributor vacuum line and plug it.

Let's shoot at the marks, it should be 5 before top dead center at 600 RPM.

Now slowly rev it while watching the marks, does it advance as it should (mark moving to 6,7,8,9, etc BTDC)?

Okay next timing test.

Reattach the distributor vacuum line, take that hose loose at the carburetor, cap the carburetor connection.

Find a live small manifold vacuum line (one that sucks constantly), and hook the distributor hose to it.

Fire it up and see that you mark has probably almost disappeared, toggle the hose off and on the port, it should drop back to 5 degrees and when it's reconnected to manifold vacuum disappears again.

Put everything back like it should be!

What do we have?

The Medic
Apr 6, 2019 at 8:16 PM
Avatar
MDAVIS72
  • MEMBER
  • 12 POSTS
Okay, give me a couple days. Between work and life not as much time as I'd like to play in the garage.
Apr 7, 2019 at 5:30 AM
Avatar
CJ MEDEVAC
  • CERTIFIED EXPERT
  • 11,004 POSTS
Amen!

Same over here, I thought this weekend was mine.

Turns out, for the third weekend in a row, There's four grandmonsters here for the whole weekend (fifth one's location was not here-thank goodness). 100% of my time is attempting to keep our dwelling in one piece! Keeping food and drink in each one and not wasted, as they'll pop a top on a "Dew" and take a sip. Then lose that can somewhere in the house, then minutes later they proceed to the 'fridge for another one.

Before each one popped out, I stressed and explained the "adoption option" to their parents. The parents did not fully understand the full time responsibility that was about to occur (as I now understand, and continues to go on with the parents, still!). I reckon that they reckoned the "grandparent option" was basically the same kind of deal on their end!

This weekend now probably being "payback" for a whooping they may have gotten back in 1992.

The Medic
Apr 7, 2019 at 8:18 AM
Avatar
MDAVIS72
  • MEMBER
  • 12 POSTS
Ok I was able to find some garage time before work. Checked and cleaned needle and seat they looked good. Replaced fuel filter. Checked time and was at 5 btdc at 600rmp. Did all the checks you said and all did what they should. Hooked vacuum gauge up and checked idle mixture got best vacuum I could. Took it for test drive and ran like a top. Believe fuel filter was issue even though it was new must have had something blocking it.
Apr 9, 2019 at 10:21 AM
Avatar
CJ MEDEVAC
  • CERTIFIED EXPERT
  • 11,004 POSTS
Watch that rust from the ethanol!

Never run without a filter, you'll really screw up the ole carburetor.

If it's an emergency, snatch the filter off and tap all you can out of the inlet side then reinstall it.

For now, you might just keep a spare one in the Jeep, just in case you get way off somewhere you won't have to baby it to get back in.

As far as your mixture screws, insure you started at an even starting point (ex. 2 turns out from the bottom for both screws) Then evenly alternating between the two so that when the mix is perfect, the screws are "in" or "out" exactly the same. (I feel sure you probably knew that, some folks don't!)

Glad you are back on the road!

The only thing I noticed in your pictures was your grill braces look like they're missing.

You have a really nice looking Jeep!

Any other CJ issues you have, submit another question, ask for me if you wish.

Below is a picture of my 390 4bbl Holley on my 258

Come back anytime, send your buddies too!

The Medic
Apr 9, 2019 at 3:47 PM