68395074AA TCCM module wiring schematic neeeded?

2014 JEEP GRAND CHEROKEE
100,000 MILES • 4WD • AUTOMATIC
Avatar
SBORNOE
  • MEMBER
  • 17 POSTS
Now, I need to compare to something else, do you have the schematic for Jeep 2014 with the NQH MP3023? With the TCCM number 68395074AA

looking for schematic for 4 high/low switch, TCCM controller and wiring harness from the switch to the TCCM and T-case.

Thanks!
Oct 30, 2022 at 2:53 AM
Advertisement
Avatar
AL514
  • CERTIFIED EXPERT
  • 5,465 POSTS
Hello, what size engine do you have in this vehicle? It's odd, I can see that's the Transfer Case control module for a 2014 Grand Cherokee after doing a part number search but am not finding it under any engine size in our service info.
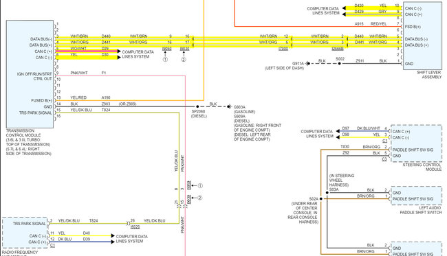
And it looks like the Transfer case selector switch communicates its data out on the Lin Bus network wire, and the Shift Lever assembly module communicates with the Transmission control module on a 2 wire Data Bus and the Can C bus network.

But there is no listing for a part number for the transfer case control module. The one you have is correct, it's just not listed in service data for some reason.

https://www.2carpros.com/articles/can-scan-controller-area-network-easy
Oct 30, 2022 at 9:36 AM
Avatar
SBORNOE
  • MEMBER
  • 17 POSTS
Hope you received my last message.
Oct 31, 2022 at 9:27 AM
Advertisement
Avatar
SBORNOE
  • MEMBER
  • 17 POSTS
Thanks for helping.

You are correct, it seems that the communication is transferred through the cluster in some way.

Do you have the schematic between the dash cluster, Dtcm, switch, tcm ecm bcm etc. so I can check all the way where the Lin and can bus are going. Thanks again
Oct 31, 2022 at 9:31 AM
Avatar
SBORNOE
  • MEMBER
  • 17 POSTS
Wrong VIN! We can use this VIN for checking, its the same jeep. VIN:1carjfag0cc280296
Oct 31, 2022 at 9:34 AM
Avatar
SBORNOE
  • MEMBER
  • 17 POSTS
This is the correct VIN: 1C4RJAFG0CC280296
Oct 31, 2022 at 9:41 AM
Avatar
AL514
  • CERTIFIED EXPERT
  • 5,465 POSTS
Okay, so you want a diagram of the entire communications network of the vehicle? Or do you need something more specific? I'll pull up the network topology diagrams first.
There is nothing listed under either of those vin numbers, what size engine is in it, V6 3.0 dsl turbo, V6 3.6L, V8 5.7L, or V8 6.4L?

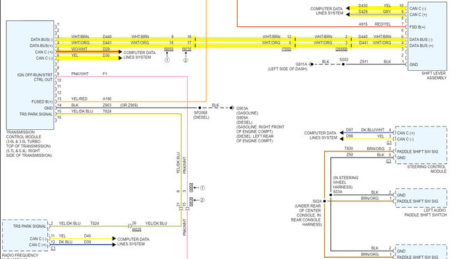
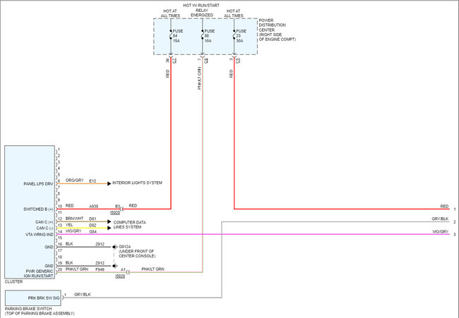
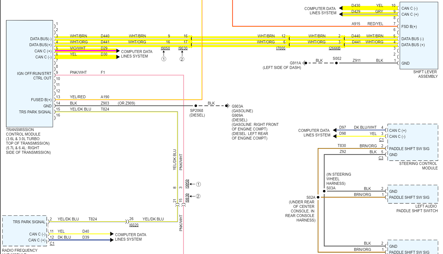
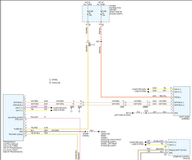
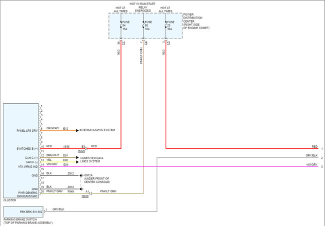
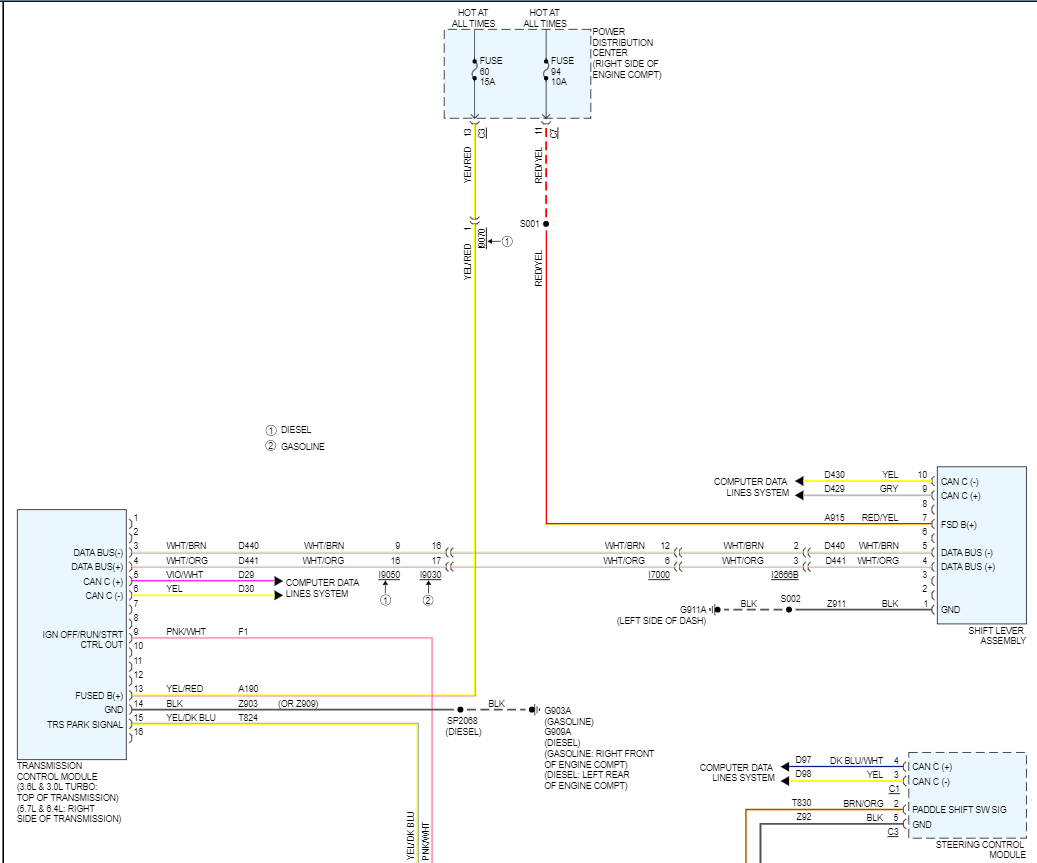
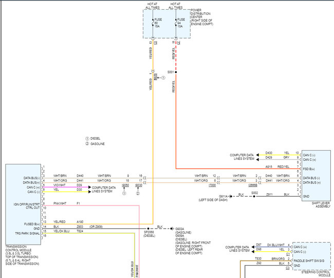
This is for the 3.6L, but it is exactly the same as the V8 5.7. Every 2 pages go together, pages 1 is the top and page 2 is the bottom of each diagram,. This is the entire network, canbus, Linbus, etc.
Oct 31, 2022 at 10:05 AM
Avatar
SBORNOE
  • MEMBER
  • 17 POSTS
These are the ones I need.

Do you have the schematic between the dash cluster, Dtcm/tccm, 4wd/4lo switch, tcm ecm bcm etc. So I can check all the way where the Lin and can bus are going.


Thanks again.
Oct 31, 2022 at 12:06 PM
Avatar
SBORNOE
  • MEMBER
  • 17 POSTS
Like this.
Oct 31, 2022 at 12:08 PM
Avatar
AL514
  • CERTIFIED EXPERT
  • 5,465 POSTS
The network diagrams show where the canbus and linbus go.
Diagrams (1,2 are Transmission)
(3 to 6 are instrument Cluster)
(7,8 ecm pg 1)
(9,10 ecm pg 2)
(11,12 ecm pg 3)
(13,14 ecm pg 4)
(15,16 ecm pg 5)
(17,18 bcm pg 1)
(19,20 bcm pg 2)
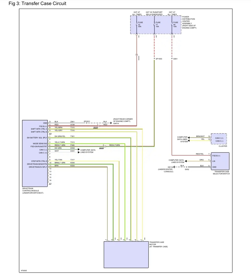
(21,22 4wd transfer case selector, only have oem diagrams for this,)
Oct 31, 2022 at 12:19 PM