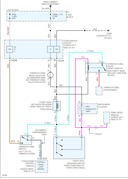
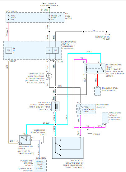
Some time back, I ran through some brush and tore the wiring off of my actuators on the front axle.
I just bought a replacement harness but cannot find any details on how to install the harness. All it has is a brown wire coming out of the tubing. Where does that brown wire connect to?
Thanks
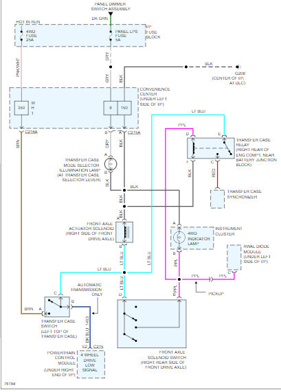
I just bought a replacement harness but cannot find any details on how to install the harness. All it has is a brown wire coming out of the tubing. Where does that brown wire connect to?
Thanks
Jul 16, 2021 at 3:44 PM


