Four-wheel drive button selector lights not working?

2002 GMC YUKON
200,000 MILES • 5.3L • V8 • 4WD • AUTOMATIC
Avatar
PMORRIS83
  • MEMBER
  • 1 POST
My push button selector lights aren't on, if replaced the buttons and the TCM and it's still not functioning. Where can I go from here, any and all advice is appreciated.
Jan 10, 2023 at 12:10 PM
Advertisement
Avatar
STRAILER
  • CERTIFIED EXPERT
  • 53,854 POSTS
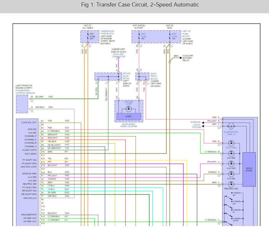
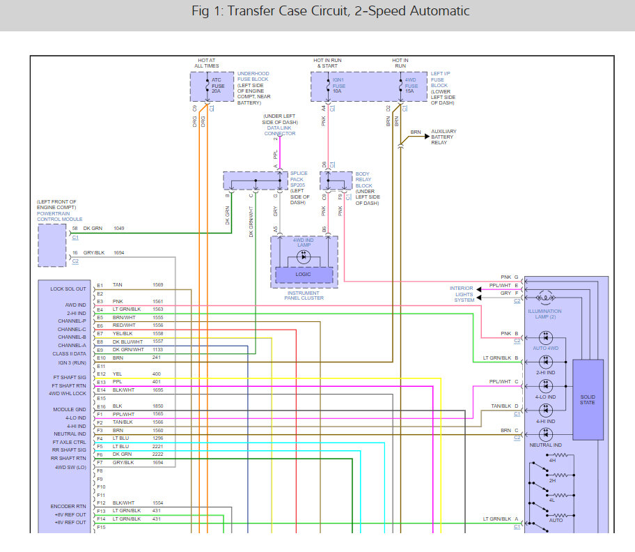
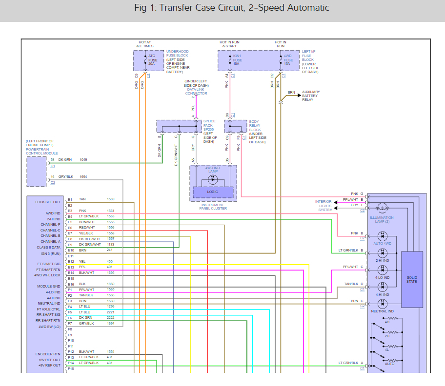
Yep, the first thing we need to do is check the fuses for power which are fuse-ATC #27 under the hood and fuse- IGN1 #15 and fuse-4WD #7 in the interior fuse panel.

This guide can help, please check the fuses with the key on:

https://www.2carpros.com/articles/how-to-check-a-car-fuse

Here are the wiring diagrams for the transfer case so you can see how the system works and the fuse location as well. Check out the images (below). Please let us know what happens.
Jan 11, 2023 at 10:42 AM