4x4 fuse keeps blowing?

2007 CHEVROLET 1500
120,100 MILES • 4.8L • V8 • 4WD • AUTOMATIC
Avatar
TIREGUY79
  • MEMBER
  • 35 POSTS
the 4x4 fuse is blowing has new transfer case switch and front actuator Ive searched and looked for broken burnt melted pinched wires found nothing I even cleaned the body grounds under drivers side under the door I can put new fuse in and it will work for couple days then I will check it and it s blown Ive tested the switch while it was out and it works I sat there for a half hour clicking it in and out of 4x4 and fuse will not blow but then if it sits for a day or two with out driving it and you try to engage it it s blown another fuse it does not have a transfer case motor Ive checked so what else could it be maybe a bad module or something that is only thing left to fix and if it is it do I have to have my vin # programmed into it by a dealer to make it work or can I just buy one and plug it in
Aug 22, 2018 at 8:27 PM
Advertisement
Avatar
CARADIODOC
  • CERTIFIED EXPERT
  • 34,306 POSTS
Plug in a temporary test bulb in place of whichever fuse is blowing, then you can work on the circuit while it's energized. The bulb will limit current to a safe one amp. You need to poke, wiggle, or bounce on everything you can see until that test bulb becomes bright, indicating the short is occurring. At that point move wire harnesses around and unplug things until the short is out of the circuit. That is when the test bulb will get dim or go out. You could find corrosion between two adjacent terminals in a connector, a mud flap screw run through a wiring harness, a harness that fell down onto hot exhaust parts, a shorted motor, a shorted module, or more commonly, a harness that has been sliding back and forth as the engine rocks, and one of the wires is rubbed through and is touching something metal.

GM was also famous for running the fuel pump wire in a harness right under the driver's right foot area under the carpet on their front-wheel-drive cars. That was a common place to find wires shorted to the body. You might look in that area of your truck too.
Aug 28, 2018 at 8:00 PM
Avatar
STRAILER
  • CERTIFIED EXPERT
  • 53,855 POSTS
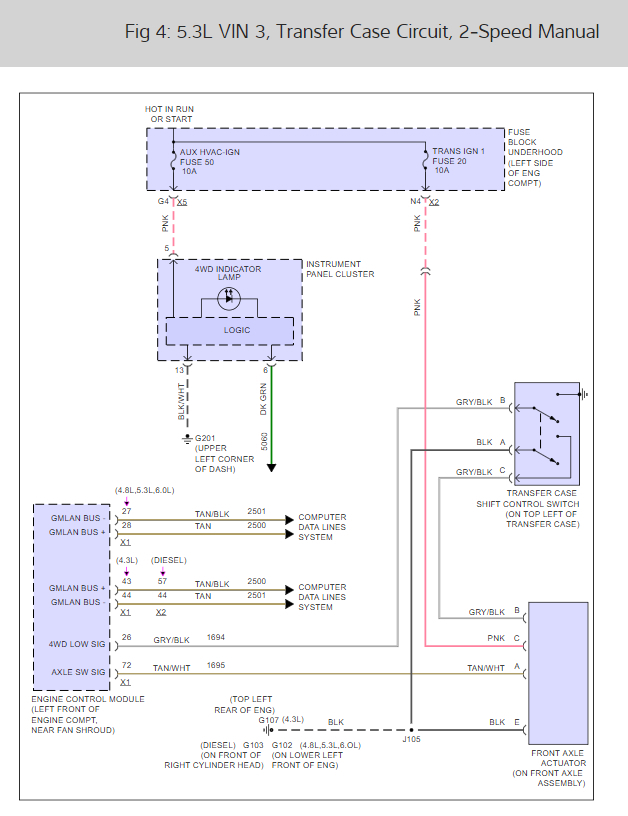
Let me take a run at it. Here is the wiring diagrams so we can see how the system works. I would unplug the transfer case shift control switch. And replace the fuse to see if it blows. If not replace the switch. Check out the diagrams (below). Please let us know what you find. We are interested to see what it is.
Aug 29, 2018 at 3:55 PM
Advertisement
Avatar
TIREGUY79
  • MEMBER
  • 35 POSTS
a new switch fix it thank you.
Aug 29, 2018 at 7:07 PM