4x4 made noises and started to smoke

2013 FORD F-150
78 MILES • 4.6L • 6 CYL • 4WD • AUTOMATIC
Avatar
KIPPENS7676
  • MEMBER
  • 1 POST
Was in deep snow tried to lock in 4x4 made noises and started to smoke.
Jan 19, 2020 at 11:01 AM
Advertisement
Avatar
ASEMASTER6371
  • CERTIFIED EXPERT
  • 52,796 POSTS
Good afternoon,

Where did the smoke come from?

Did you look to see if it was under the truck or in the cab?

https://www.2carpros.com/articles/how-to-check-wiring

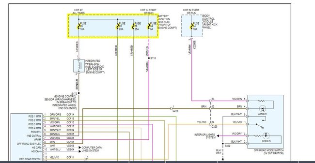
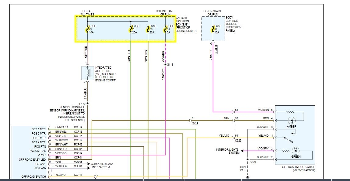
I attached a diagram for you. There are 5 fuses. You need to check the fuses for power on either side with the key on. This is not a visual test. It is a power test.

https://www.2carpros.com/articles/how-a-car-fuse-works

It could be the motor on the transfer case if it is stuck from all the snow.

Roy

Roy
Jan 19, 2020 at 12:25 PM