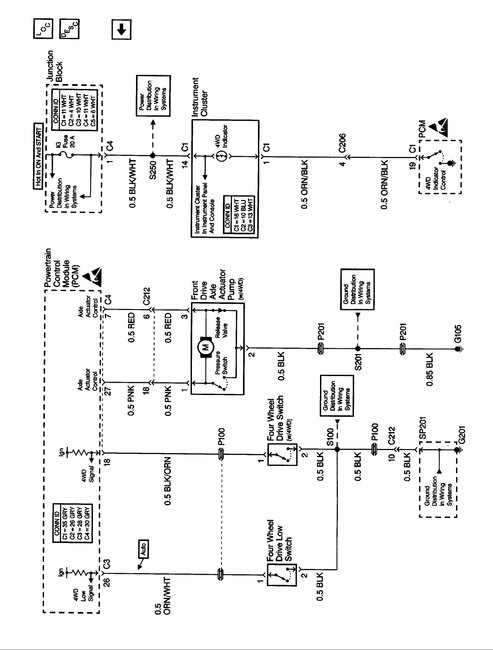
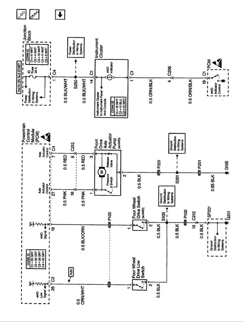
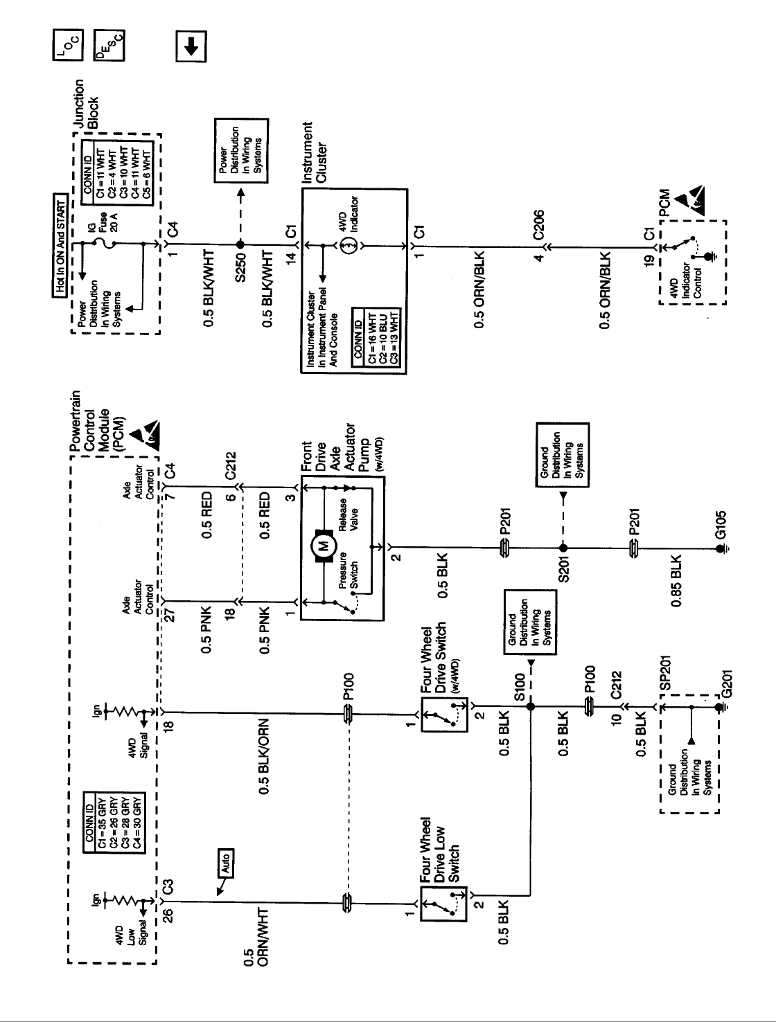
My transfer case on my vehicle blew up the other day so i changed the whole transfer case. i bought a new one, i also bought a new front drive shaft as mine was not good anymore. I put the new transfer case on and the drive shaft now my four wheel drive light does not come on. it will not engage into four wheel drive, but when i put it in four wheel drive the front drive shaft spins but the tires do not. any ideas on what this problem could be? i am completely out of ideas and do not have the money to get a shop to look at it.
Feb 14, 2018 at 6:17 PM



