When switching from 4WD to 4WL it just blinks?

2007 GMC ENVOY
127,000 MILES • 4.2L • 6 CYL • 4WD • AUTOMATIC
Avatar
STEVE620
  • MEMBER
  • 70 POSTS
I've been having a problem when trying to put truck in 4WD but not all the time. When I put in 4H no problem, AWD no problem When I go from 4WD to 4WL it just blinks and does not go in and light on cluster for traction control does not light. When I restart the engine and try and put it in everything works, When I do attempt to put in in any of the modes, I stop the car and put it in neutral. I was thinking that it could be the Transfer case encoder.
Thanks
Feb 12, 2025 at 5:35 AM
Advertisement
Avatar
STRAILER
  • CERTIFIED EXPERT
  • 53,854 POSTS
Yep, you are on the money with that one, I would replace the transfer case encoder because the motor can get weak and not fully actuate the transfer case. Here is the location and how to replace the part which should fix the problem. You must make sure the encoder is "clocked" correctly, which the instructions explain how. Check out the images (below). Let us know how it goes.

Feb 12, 2025 at 10:16 AM
Avatar
STEVE620
  • MEMBER
  • 70 POSTS
Thank you.
Feb 12, 2025 at 10:49 AM
Advertisement
Avatar
STRAILER
  • CERTIFIED EXPERT
  • 53,854 POSTS
You are welcome, let us know if you need anything else.
Feb 13, 2025 at 9:06 AM
Avatar
STEVE620
  • MEMBER
  • 70 POSTS
I just replaced the encoder for my 4wheel drive, but now I'm getting all kinds of codes.
B0775, B0785, B0790, B2725, C0321 and the selector switch stays lit on AWD but it's not really in AWD, plus the encoder does not work. I even replaced the selector switch, but it does the same thing.
May 5, 2025 at 5:00 PM
Avatar
STRAILER
  • CERTIFIED EXPERT
  • 53,854 POSTS
It sounds like you have a defective encoder, can I ask which brand you bought?

B0775 - Transfer Case Shift Control Switch Signal Circuit (Open/Short to Ground)
B0785 - Transfer Case Neutral Indicator Circuit
B0790 - Transfer Case Shift Motor Circuit
B2725 - ATC Mode Switch Circuit Malfunction
C0321 - Transfer Case Lock Circuit Malfunction

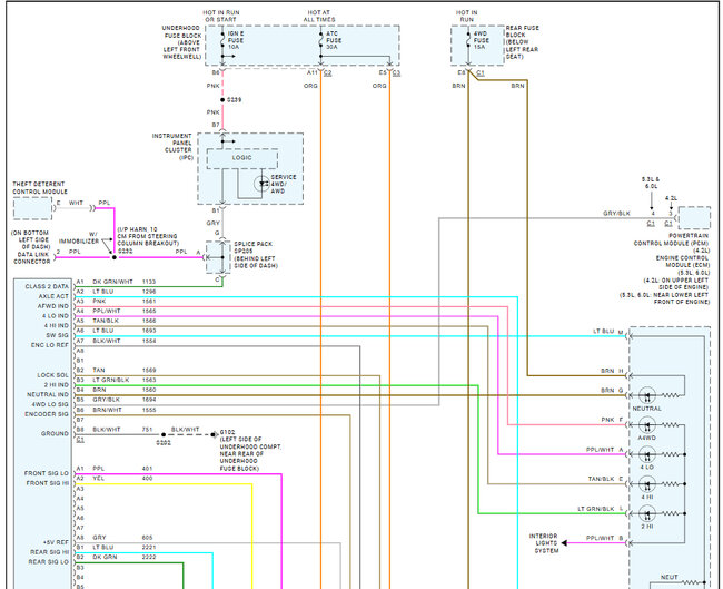
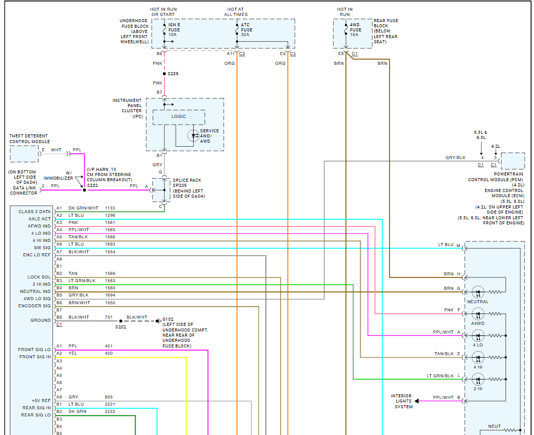
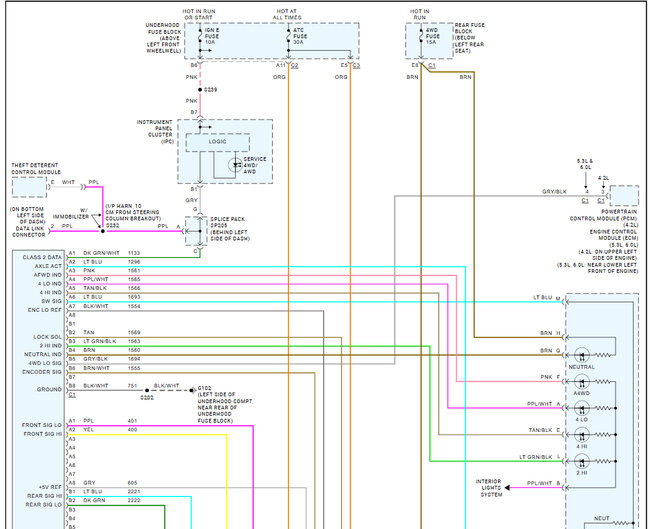
I have also seen the front differential axle actuator cause the system not work as well, here is the location so you can check it out. I also found the wiring diagrams so you can see how the system works. Check out the images (below). Let us know what you find.

May 6, 2025 at 10:02 AM
Avatar
STEVE620
  • MEMBER
  • 70 POSTS
I'm not sure if I replied to your question. The encoder I purchased was a Dorman 600-903.
May 6, 2025 at 11:11 AM
Avatar
STRAILER
  • CERTIFIED EXPERT
  • 53,854 POSTS
If you did have the codes before the replacement, I would get another one or try an AC Delco unit.
May 8, 2025 at 9:29 AM
Avatar
STEVE620
  • MEMBER
  • 70 POSTS
I think I might have a lead on my problem I would like to know what you think, I starting checking out everything I could, I found the Transfer case module under the dash I was able to get a screwdriver to it, All of a sudden the selector switch was doing funny stuff. Every time I would restart the engine it would select another drive by itself. I was going to clean up the plugs and reinstall it to see if I get lucky. If not I will purchase one. Thee following numbers are what I found on the case of the modules:
GM P/N:24233673
NVG P/N: 51060
There are two scan Bars on it also.
Top Scan Bar: HU3673
Bottom Bar: THUN16563YOTO
I was able to match all the numbers, but the bottom bar would you have any idea what that means?
Thanks for all the help.
May 16, 2025 at 2:18 PM
Avatar
STRAILER
  • CERTIFIED EXPERT
  • 53,854 POSTS
Because you have this code:

B2725 - ATC Mode Switch Circuit Malfunction

I would replace the switch which I have had problems with in the past.
May 18, 2025 at 5:37 PM
Avatar
STEVE620
  • MEMBER
  • 70 POSTS
Already ready replaced the switch with no difference at all. Ordered new Control Module.
May 19, 2025 at 12:07 PM
Avatar
STRAILER
  • CERTIFIED EXPERT
  • 53,854 POSTS
Yep, that would be the next step.
May 20, 2025 at 8:41 AM