4WD Service warning/light on?

2018 CHEVROLET COLORADO
117,000 MILES • 3.6L • 6 CYL • 4WD • AUTOMATIC
Avatar
SOLWAYLEGEND
  • MEMBER
  • 3 POSTS
I have the vehicle listed above ZR2. The 4WD service light was coming on sporadically, so I replaced the transfer case actuator motor twice. Now the 4WD service light comes on immediately every single time I start my truck. Please advise.
Aug 25, 2024 at 11:27 AM
Advertisement
Avatar
STRAILER
  • CERTIFIED EXPERT
  • 53,854 POSTS
Yep, I had this problem in my truck, the 4wd selector switch fixed it. Here is how to change it out. Check out the images (below). Please let us know what happens.
Aug 25, 2024 at 7:11 PM
Avatar
SOLWAYLEGEND
  • MEMBER
  • 3 POSTS
Replaced the interior 4WD selector switch and am still having the same issue.
Sep 3, 2024 at 2:23 PM
Advertisement
Avatar
STRAILER
  • CERTIFIED EXPERT
  • 53,854 POSTS
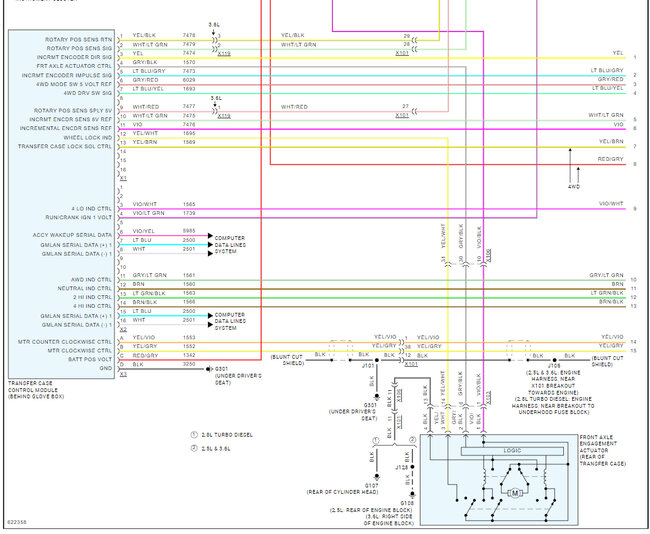
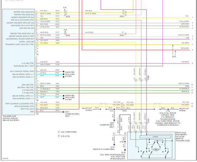
Hmm, I would remove the transfer case actuator and then work it while it is not bolted in to see if it moves, if not the actuator is defective. Also, there are two transfer case actuators. Which one did you replace? Here are the wiring diagrams for the 4wd system so you can see how it works. Check out the images (below). Please let us know what happens.
Sep 3, 2024 at 3:02 PM
Avatar
SOLWAYLEGEND
  • MEMBER
  • 3 POSTS
I’m going to replace the 2WD/4WD actuator position sensor and see if that fixes it first. I’ll let you know.
Sep 4, 2024 at 11:42 AM
Avatar
STRAILER
  • CERTIFIED EXPERT
  • 53,854 POSTS
Sounds good, can I ask which actuator you replaced?
Sep 5, 2024 at 7:59 AM