Backstory:
Service 4WD message has showed up on dash intermittently since I bought it on 1/31/2020. On March 13th I went out for joyride and put the car in 4HI on dry pavement (bonehead move). I eventually turned it off after driving like that for 15 minutes and everything was fine. Come March 21st, I am driving home on the highway and notice that even though I am in 2WD, the neutral light on the selector switch is lit up. I get home 15 minutes later, turn off my car and turn it back on again. As I turn the car on, all the 4WD selector switch lights illuminate at once, but after 3 seconds they all turn off. This happens all the time now and I cannot switch into 4WD. Now when I drive the 4WD selector switch lights are not on and I cannot switch into 4HI, 4LO, or auto 4WD.
Things I have done:
Checked fuses
-TREC fuse has continuity
-4WD fuse has continuity
-IGN 0 fuse has continuity
Checked selector switch resistances
-Resistances were stable and within specs shown below
-No buttons pushed: 8.63-9.54 K Ohms
-Auto 4WD: 61.7-68.1 Ohms
-2 HI: 1.50-1.53 K Ohms
-4 HI: 656-670 Ohms
-4 LO: 2.32-2.37 K ohms
-Neutral (2Hi/4Lo): 1.015-1.035 K Ohms
Switched out TCCM with Dorman part
-Selector switch lights blinked when the car was started but no selector switch lights stayed on after the car was running, just as they have been. I returned this part and have the original TCCM installed now.
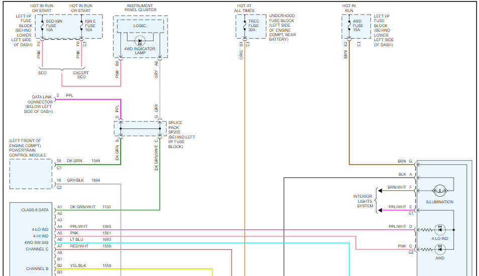
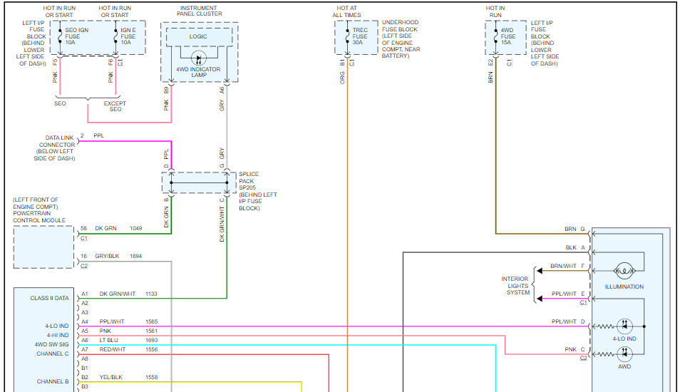
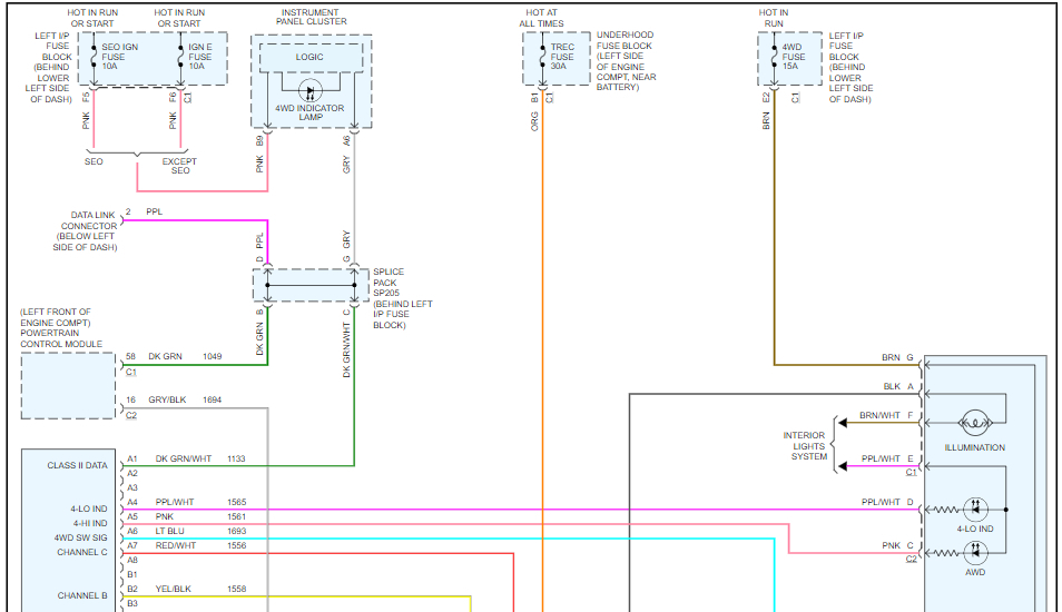
Does anybody have any idea what might be the problem? Also, does anybody have the TCCM colored wiring diagram? I'd like to see what wires are connected to what regarding the TCCM, selector switch, transfer case motor/encoder, and front axis motor.
Thanks in advance!
Service 4WD message has showed up on dash intermittently since I bought it on 1/31/2020. On March 13th I went out for joyride and put the car in 4HI on dry pavement (bonehead move). I eventually turned it off after driving like that for 15 minutes and everything was fine. Come March 21st, I am driving home on the highway and notice that even though I am in 2WD, the neutral light on the selector switch is lit up. I get home 15 minutes later, turn off my car and turn it back on again. As I turn the car on, all the 4WD selector switch lights illuminate at once, but after 3 seconds they all turn off. This happens all the time now and I cannot switch into 4WD. Now when I drive the 4WD selector switch lights are not on and I cannot switch into 4HI, 4LO, or auto 4WD.
Things I have done:
Checked fuses
-TREC fuse has continuity
-4WD fuse has continuity
-IGN 0 fuse has continuity
Checked selector switch resistances
-Resistances were stable and within specs shown below
-No buttons pushed: 8.63-9.54 K Ohms
-Auto 4WD: 61.7-68.1 Ohms
-2 HI: 1.50-1.53 K Ohms
-4 HI: 656-670 Ohms
-4 LO: 2.32-2.37 K ohms
-Neutral (2Hi/4Lo): 1.015-1.035 K Ohms
Switched out TCCM with Dorman part
-Selector switch lights blinked when the car was started but no selector switch lights stayed on after the car was running, just as they have been. I returned this part and have the original TCCM installed now.
Does anybody have any idea what might be the problem? Also, does anybody have the TCCM colored wiring diagram? I'd like to see what wires are connected to what regarding the TCCM, selector switch, transfer case motor/encoder, and front axis motor.
Thanks in advance!
Apr 12, 2020 at 10:10 PM





