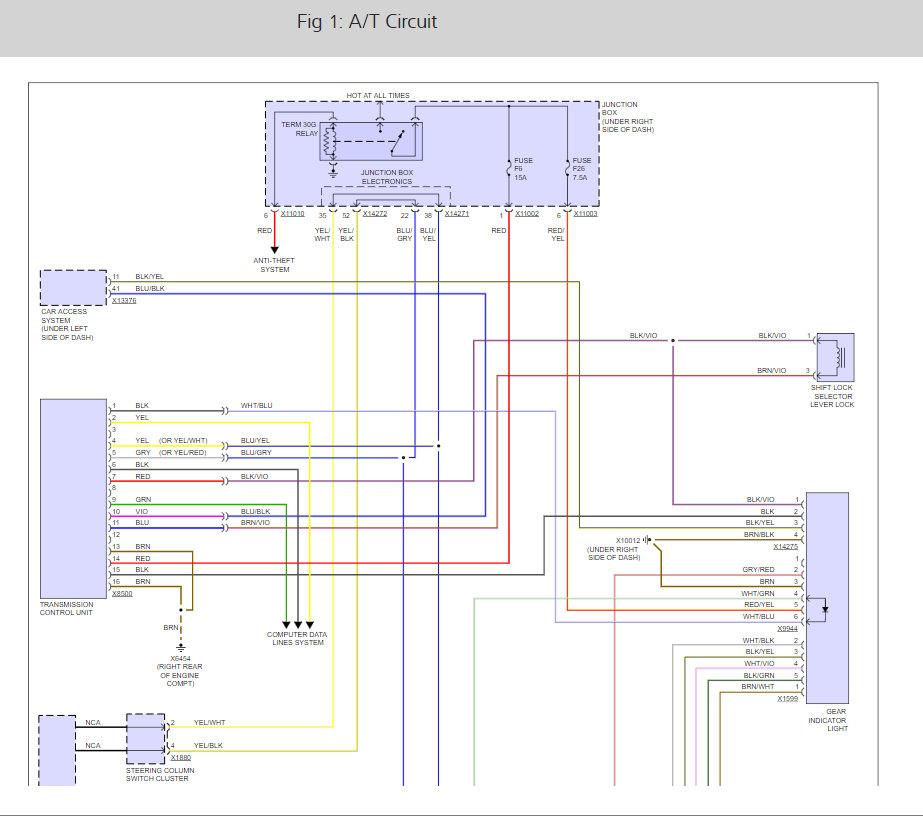
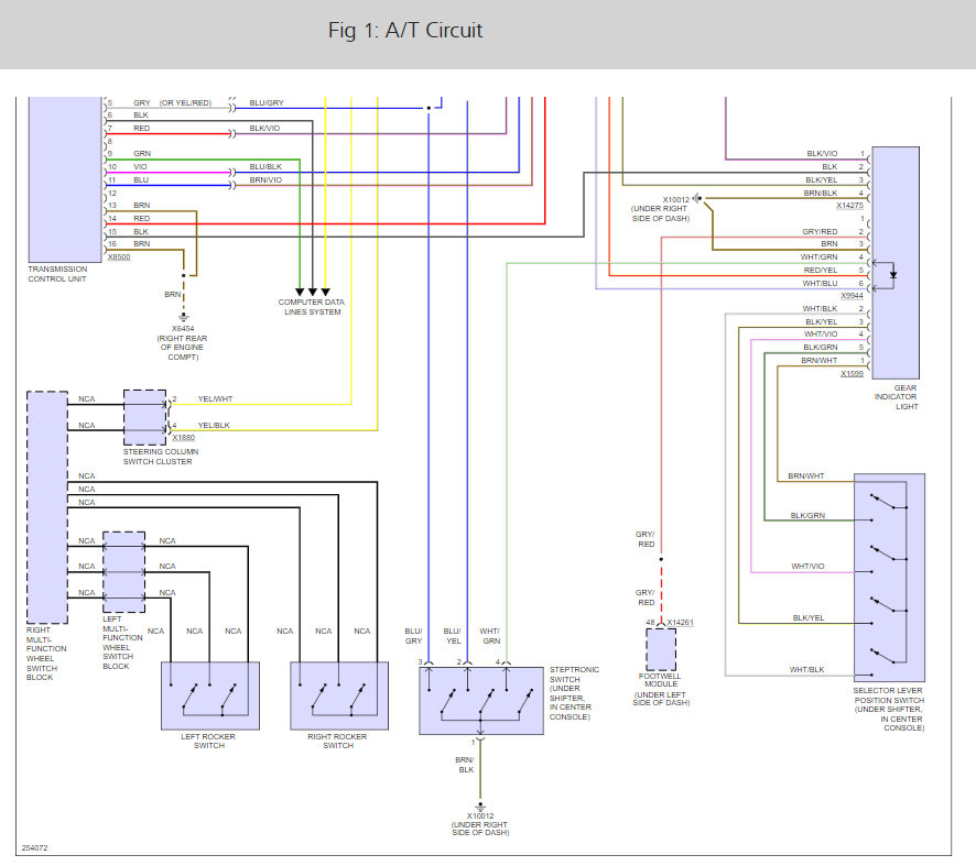
Have multiple codes on dash, however no codes on scan tool. Mechatronics seals, adapter and solenoids were replaced as well as pan, fluid and filter. Adaptations and software have been reset.
Nov 3, 2018 at 8:39 AM

