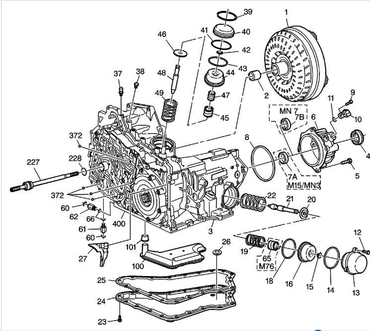
May I please have the transmission rebuild instructions for the 4T65E? I already did the tear down and got the overhaul kit along with a few other parts that needed to be replaced.
Aug 24, 2025 at 3:21 PM










