4LO light blinking

2010 TOYOTA LAND CRUISER PRADO
80,000 MILES • 4.0L • 6 CYL • 4WD • AUTOMATIC
Avatar
ASAMAD
  • MEMBER
  • 1 POST
4LO light blinking and when driving the car will not go fast it seems it is locked in low 4 wheel drive.
Aug 25, 2018 at 4:23 PM
Advertisement
Avatar
STRAILER
  • CERTIFIED EXPERT
  • 53,854 POSTS
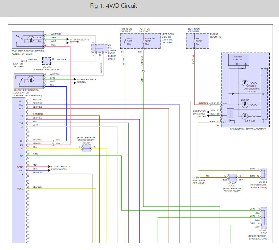
Yes, it is locked on low gear this is why the light flashes. Nine times out of ten the problem is the transfer case shift actuator. Here is the wiring diagrams and the location of the unit so you can see how it works. To confirm the issue test of power and ground at the actuator.

This guide can help

https://www.2carpros.com/articles/how-to-check-wiring

Check out the diagrams (below). Let us know what happens and please upload pictures or videos of the problem.

Cheers, Ken
Aug 27, 2018 at 11:16 AM