Transmission shifter cable replacement instructions please?

2001 CHEVROLET SILVERADO
125,000 MILES • 5.3L • V8 • 4WD • AUTOMATIC
Avatar
RJMCNORTON
  • MEMBER
  • 1 POST
Took off transmission shifted fine until overdrive it kind of slipped and went to nothing. Pulled over to find I have no gears no reverse no forward no 4 wheel drive now the shifter does not go in park. Just had rebuilt twice in six months. Please help!
May 30, 2019 at 8:38 AM
Advertisement
Avatar
STRAILER
  • CERTIFIED EXPERT
  • 53,854 POSTS
Hello,

It sounds like the shifter cable needs to be replaced or the cable came off the transmission. here are diagrams so you can check it out. Check out the diagrams (below). Please let us know what you find. We are interested to see what it is.
Jun 1, 2019 at 2:51 PM
Avatar
DANIEL WRIGHT
  • MEMBER
  • 1 POST
When I move the gear shift after I changed out the transmission. How do you fix it?
May 6, 2021 at 12:26 PM (Merged)
Advertisement
Avatar
JACOBANDNICKOLAS
  • CERTIFIED EXPERT
  • 110,175 POSTS
Welcome to 2CarPros.

Diagrams are below!

Does the engine start and run normally? Is the shift cable moving the selector lever on the transmission? The shift cable on this vehicle is two part. It may have been damaged when you worked on the truck.

Here are the directions for replacement of the shift cables. I am adding everything that way I know you got to see how the two come together. There are several clips and retainers that may have broken or failed. All attached pictures correlate with the directions and sorry it's so long. I didn't want to miss anything.

_____________________________

2000 Chevy Truck C 1500 Truck 2WD V8-5.3L VIN T
Shift Cable Replacement
Vehicle Transmission and Drivetrain Automatic Transmission/Transaxle Shift Linkage Shift Cable Service and Repair Procedures 4L60-E Automatic Transmission Shift Cable Replacement
SHIFT CABLE REPLACEMENT
Important: The shift cable is a two piece shift cable.

The front half (column end) or rear half (transmission end) of the shift cable can be removed without removing the other end/half of the shift cable.
Perform the part of this procedure that applies to the removal of that half of the shift cable.

Removal Procedure



1. Position the steering column shift lever to the park position.
2. Raise the vehicle. Refer to Vehicle Lifting.
3. Ensure the transmission manual shaft is positioned to mechanical park.
4. Remove the retainer securing the shift cable to the transmission bracket.
5. Remove the shift cable terminal shaft end from the transmission shift lever ball stud.
6. Remove the shift cable from the transmission bracket.
Depress both tangs on the conduit end fitting and push axially toward the rear of the vehicle.

7. Locate the center connector on the transmission shift cable.

8. Pull back the white plastic cover (1) on the center connector.

9. Pull up on the center tabs of the lock button (2).

Important: Do not reuse the existing removed E-clip. Discard the removed E-clip.

10. Remove the E-clip by pulling radially on the center section of the E-clip.
11. Pull the shift cable center connector ends apart.
12. Remove the cable half from the vehicle.


13. Install a NEW E-clip to the shift cable end by pushing the E-clip straight down (radially) onto the cable end.
14. Position the steering column shift lever to the park position.
15. Remove the steering column shroud. Refer to Steering Column Trim Covers - Disassemble -Off Vehicle (Column Shift) or Steering Column Trim Covers - Disassemble - Off Vehicle (Floor Shift) or Steering Column Trim Covers -Disassemble - Off Vehicle (Export) In Steering and Suspension.
16. Remove the driver's seat from vehicle. Refer to Seat Replacement - Front Bucket in Body and Frame.
17. Peal back the carpet and insulation around the driver's area. Refer to Carpet Replacement -Front (Pickup) or Carpet Replacement - Front (Utility) in Body and Frame.

18. Remove the retainer securing the shift cable to the steering column.

19. Remove the shift cable terminal shaft end from the steering column ball stud.
20. Remove the shift cable conduit end fitting from the steering column bracket.
Depress both tangs on the conduit end fitting and push axially toward the base of the column.

21. Remove the bolt securing the shift cable support to the brace.

Important: Avoid unnecessary twisting/bending of the shift cable when removing the shift cable from the support.


22. Remove the shift cable from the support.


23. Remove the shift cable grommet from the floor panel.
24. Raise the vehicle. Refer to Vehicle Lifting.


25. Remove the two clips on the shift cable from the floor panel reinforcement.

26. Locate the center connector on the transmission shift cable.

27. Pull back the white plastic cover (1) on the center connector.



28. Pull up on the center tabs of the lock button (2).
29. Disconnect the cable terminal end fitting at the transmission manual shaft ball stud.

30. Remove the E-clip by pulling radially on the center section of the E-clip.
^ Do not reuse the existing removed E-clip.
^ Ensure the removed E-clip is discarded.
^ The new front half (steering column end) of the shift cable will contain a new pre-installed E-clip.
31. Pull the shift cable center connector ends apart.
32. Remove the cable half from the vehicle.

Installation Procedure

Important: The shift cable is a two piece shift cable. The front or rear half of the shift cable can be removed without removing the other half. Perform the installation procedure that applies to the installation of that half of the shift cable.

1. Position the steering column shift lever to the park position.
2. Position the transmission manual shaft lever into the mechanical park position.
3. Install the two clips on the shift cable to the floor panel reinforcement.


4. Route the shift cable through the hole in the floor panel. Install the shift cable grommet to the floor panel.
5. Lower the vehicle.


6. Install the shift cable conduit end fitting to the steering column bracket.
Ensure the tangs fully seat (snap) into the steering column bracket.
7. Install the shift cable terminal shaft end to the steering column ball stud.

8. Install the retainer securing the shift cable to the steering column.

9. Install the shift cable to the support.

Notice: Refer to Fastener Notice in Service Precautions.

10. Install the bolt securing the shift cable support to the brace.
Tighten the bolts to 10 Nm (89 inch lbs.).
11. Install the carpet and insulation around the driver's area. Refer to Carpet Replacement - Front (Pickup) or Carpet Replacement - Front (Utility) in Body and Frame.
12. Install the driver's seat from vehicle. Refer to Seat Replacement - Front Bucket in Body and Frame.
13. Install the steering column shroud. Refer to Steering Column Trim Covers - Assemble -Off Vehicle (Column Shift) or Steering Column Trim Covers - Assemble - Off Vehicle (Floor Shift) or Steering Column Trim Covers - Assemble -Off Vehicle (Export) In Steering and Suspension.
14. Raise the vehicle. Refer to Vehicle Lifting.


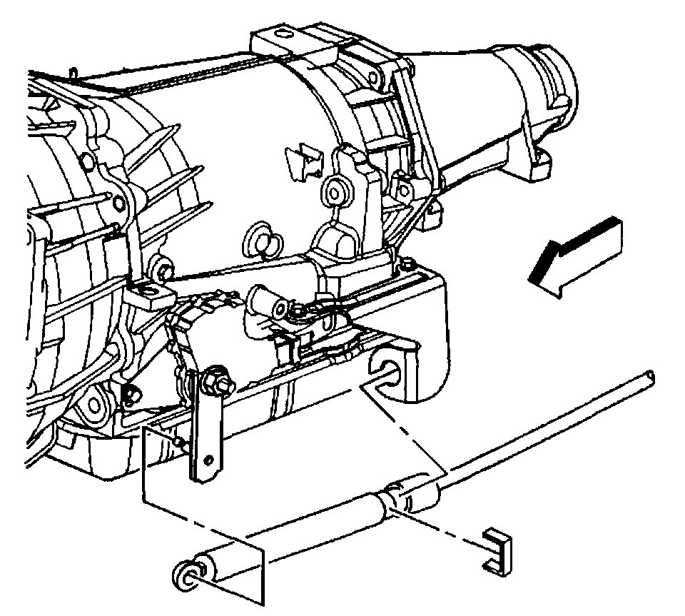
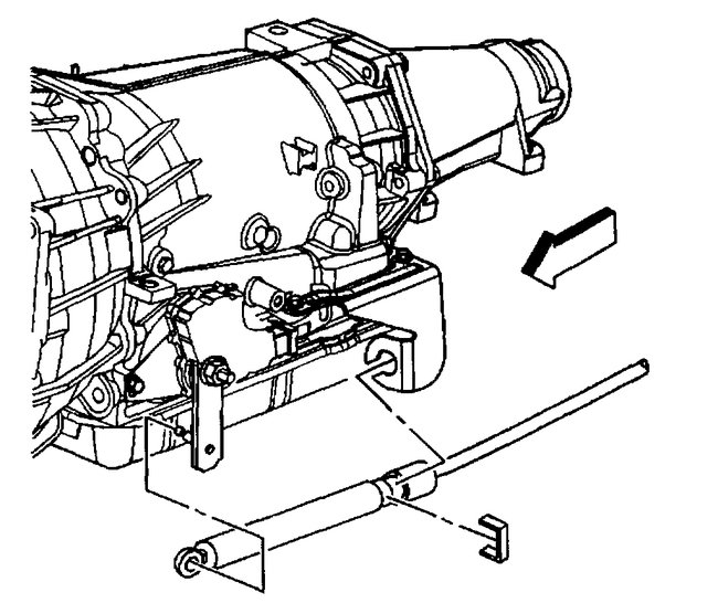
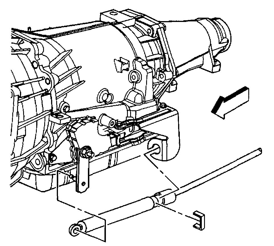
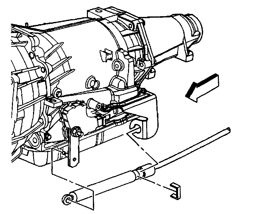
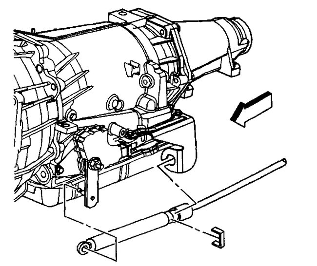
15. Grasp the front half (cab end) of the transmission cable (1) in the left hand and the rear half (transmission end) of the transmission cable (2) in the right hand.


16. Align the outside diameter of cable (2) with the inside of the diameter of cable (1).

17. Push the end of the shift cable (2) inside the end of shift cable (1) until the blue spring on shift cable (2) is fully compressed.
Pushing together the two ends of the shift cable will engage the inner wire and lock both cable wires together.

Important: This step must be performed correctly to avoid a misadjusted cable.

Do not grasp the shift cable end (2) during this procedure.

18. Release the shift cable end (2) and allow the blue spring to tension/adjust the shift cable system.
19. Pull the white cover (3) on the shift cable end (1) back.


20. Push the natural colored lock button (2) down to engage the locking teeth on the shift cable end (1).

21. Release the white cover (1).

22. Verify the white cover (1) conceals the natural colored lock (2).
23. If the white cover (1) does not conceal the natural colored lock (2), perform steps 26 through 28.
24. Test the transmission for proper shift operation.
25. If all of the gear positions cannot be achieved, the shift cable must be readjusted. Perform steps 26 through 28.

26. Pull back the white plastic cover (1) on the center connector.

27. Pull up on the center tabs of the lock button (2).
28. Repeat steps 18 through 22.

Important:
^ Inspect shift lever pin for corrosion and replace if necessary.
^ The shift cable is a two piece shift cable.

The front or rear half of the shift cable can be removed without removing the other half.
Perform the installation procedure that applies to the installation of that half of the shift cable.

29. Position the steering column shift lever to the park position.
30. Raise the vehicle. Refer to Vehicle Lifting.
31. Ensure the transmission manual shaft is positioned to the mechanical park.
32. Install the shift cable to the transmission bracket.
33. Install the retainer securing the shift cable to the transmission bracket.
34. Install the shift cable end to the transmission shift lever ball stud.


35. Grasp the front half (cab end) of the transmission cable (1) in the left hand and the rear half (transmission end) of the transmission cable (2) in the right hand.


36. Align the outside diameter of cable (2) with the inside of the diameter of cable (1).

37. Push the end of the shift cable (2) inside the end of shift cable (1) until the blue spring on shift cable (2) is fully compressed.
Pushing together the two ends of the shift cable will engage the inner wire and lock both cable wires together.

Important: This step must be performed correctly to avoid a misadjusted cable. Do not grasp the shift cable end (2) during this procedure.

38. Release the shift cable end (2) and allow the blue spring to tension/adjust the shift cable system.

39. Pull the white cover (3) on the shift cable end (1) back.
40. Push the natural colored lock button (2) down to engage the locking teeth on the shift cable end (1).

41. Release the white cover (1).

42. Verify the white cover (1) conceals the natural colored lock (2).
43. If the white cover (1) does not conceal the natural colored lock (2), perform steps 19 through 21.
44. Lower the vehicle.
45. Test the transmission for proper shift operation.
46. If all of the gear positions cannot be achieved, the shift cable must be readjusted. Perform steps 19 through 21.


47. Pull back the white plastic cover (1) on the center . connector.

48. Pull up on the center tabs of the lock button (2).
49. Repeat steps 10 through 14.

Check out the diagrams (Below). Let us know what happens and please upload pictures or videos of the problem.
May 6, 2021 at 12:26 PM (Merged)
Avatar
NARLEY89
  • MEMBER
  • 1 POST
How do I replace a transmission shifter cable?
May 6, 2021 at 12:26 PM (Merged)
Avatar
HOLLANDHEATING
  • MEMBER
  • 1 POST
Make sure you are parked on level ground and wheels are blocked. Next remove the lower plastic cover below the steering wheel. Identify (of two) the long cable that goes down and through the floor, from the shifter. You have to turn key and pull shifter down to drive, to pop the white plastic swivel off the shifter linkage. then wrestle the housing out of the bracket just below that, by squeezing the plastic finger locks that are keeping it in the square bracket. Do not panic if you break plastic on old cable as it is not needed. Loose at shifter now, pry rubber boot where it passes through floor. Now hop under vehicle and Remember if transmission linkage is moved out of park, vehicle is able to roll. Next pry the square plastic housing from the bracket , similar to what was done above. Lastly there is a rectangular end with an unusual white plastic dual pin retainer pushed through the center from the back.
Push it back with screwdriver to start and then pry with blade on back to remove. When installing new one it looks like that end has teeth so white clip can back adjustments for column indicator.
May 6, 2021 at 12:26 PM (Merged)