Removed valve body two springs came out cannot determine locations

2005 CHRYSLER 300
110 MILES • 3.5L • 6 CYL • RWD • AUTOMATIC
Avatar
TRUMP88
  • MEMBER
  • 11 POSTS
42RLE transmission. Removed valve body to replace the shift solenoid two accumulators the overdrive and underdrive with two springs came out cannot determine locations. One valve body has the number three on the bottom and the other number six. According to the manual one of the valve body's has only one spring, but both of the valve body's that came out have two springs. Can you help me out?
Jan 2, 2017 at 12:01 PM
Advertisement
Avatar
HMAC300
  • CERTIFIED EXPERT
  • 48,601 POSTS
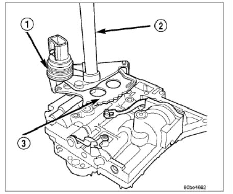
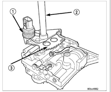
here are pictures of accumulators for over and under. you will see one has a heavier spring than other and other two accumulators have two in them along with the valve body instructions. Check out the diagrams (Below). Please let us know if you need anything else to get the problem fixed.
Jan 2, 2017 at 3:26 PM