40amp main fuse to starter solenoid blowing intermittently on start

1997 TOYOTA COROLLA
120,000 MILES • 1.6L • 4 CYL • 2WD • AUTOMATIC
Avatar
SGTJAMZ
  • MEMBER
  • 4 POSTS
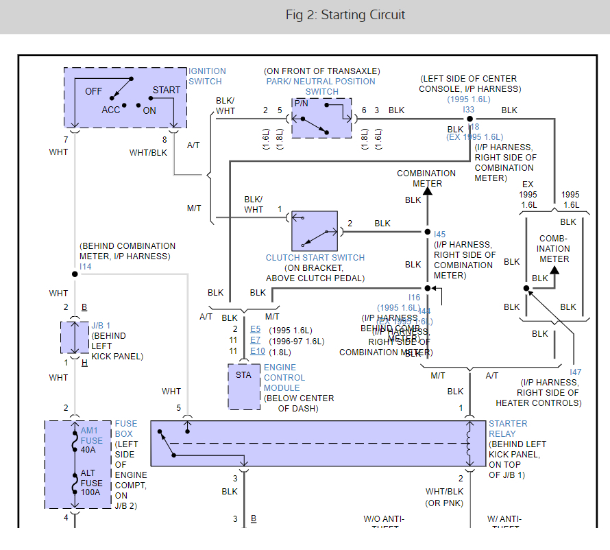
I have the car listed above that occasionally blows the AM1 40-amp main fuse when I try to start the car. It has become more and more frequent, but even in the worst cases still where it blows 4 fuses in a row and in desperation I bypass the fuse, the car will then start. According to the wiring diagram (attached), this 40amp fuse seems to only serve to provide the constant hot to the secondary circuit of the starter relay (pin 5 in diagram), which when the relay is closed then goes directly to the starter solenoid.

I had the starter tested at an auto parts store and they said it "failed" (whatever that means) so I replaced it, and I thought that was it but I just had the same blown fuse again, so it appears not.

One thing that seems strange to me is if I remove the fuse that keeps blowing and test the side that goes to the starter relay, it shows as having continuity to ground. Same thing for the pin 5 of the starter relay socket that should be connected to that fuse- it shows continuity to ground if the fuse is removed (if fuse is in it shows hot as expected). I would expect both of these connections to just show open when the fuse is removed. I assume if I had a short to ground on this wire the fuse would blow immediately (and not just when I try to start the car) but I am confused why there would be continuity to ground on that wire when it seems to just run from the fuse (which is open when blown) to the starter relay pin 5 (which is also open when not turning the ignition)-so I would expect it to just show open unless there is some other path to ground not in the starter wiring diagram. I went through all the wiring diagrams in the Haynes manual and cannot find the 40amp fuse in any other place.

Any suggestions on what could be causing this intermittent excess current draw, which even in the worst case I can get enough power to the starter solenoid by just bypassing the fuse, but that is obviously not ideal...
May 2, 2022 at 7:15 PM
Advertisement
Avatar
STRAILER
  • CERTIFIED EXPERT
  • 53,854 POSTS
It sounds like you have a short in a wiring harness somewhere or a bad engine ground which creates a high resistance issue. here is the wiring diagram so you can see how the system works and a guide to show you how to check for a short in the wire:

https://www.2carpros.com/articles/how-to-check-wiring

I found there is a resistor to ground in the wiring harness, I would remove the ground to see what happens, check the diagrams below.
May 3, 2022 at 4:48 PM
Avatar
SGTJAMZ
  • MEMBER
  • 4 POSTS
Thanks Ken, which ground would you remove?

Your wiring diagram is very helpful as it makes clear some of the other circuits that go through that 40amp fuse. I realized it must power other circuits since the power locks and windows did not work when it was unplugged, so that must be the path to ground I see from pin 5 of the starter relay when the 40-amp fuse is pulled.

Now that it looks like the 40-amp fuse powers the whole ignition circuit and therefore the primary (control) side of the starter relay too, it seems like there are a lot more places I need to check for an issue that could be triggered only when turning the ignition. Many months ago, I got a check engine code for the neutral safety switch that resolved on its own, but I don't have it anymore and it seems to be functioning fine since then. The next time the 40-amp fuse is giving me issues I think I might try pulling the starter relay to at least confirm if it's a problem on the ignition side (which I assume would still blow the fuse with the relay pulled when I turn the key) or just the secondary circuit through the relay to the starter solenoid. If the fuse does not blow with the starter relay pulled but still does with it in, I'll try to jump (with a fused lead) from battery hot to pin 3 of the starter relay to confirm if the issue is upstream or downstream of the starter relay. Does my understanding sound correct?
May 3, 2022 at 6:23 PM
Advertisement
Avatar
STRAILER
  • CERTIFIED EXPERT
  • 53,854 POSTS
Yep, your path and reasoning is correct. Please let me know. The ground silencer for the power looks like it is on the positive cable. Please inspect.
May 3, 2022 at 6:50 PM
Avatar
SGTJAMZ
  • MEMBER
  • 4 POSTS
The blown fuse came back again. I pulled the starter relay, and the fuse still blew on ignition, but I was able to start the car jumping battery hot to pin 3 of the starter relay. I'm glad I at least know what circuit the short is on but unfortunately, it's the more complicated primary side of the starter relay. I'm concerned it's with all the wiring in this aftermarket alarm/ignition shut off on the car that has not worked for years, and I hardly ever used it, but also never seemed to cause any issues. I guess it could also be with whatever modifications were made when the original (OEM) ignition shut off was removed (all this mess was from a valet losing my only keys to the car once).

I will try to troubleshoot a little bit more, does this sound right?

1. Test light on battery hot to pin 2 of starter relay. If lights, this side of circuit is fine (i.e. is working as an adequate ground)? Is this right? Also, If I just hardwired this pin to ground, which should be fine and basically remove this side of circuit as an issue, right?

2. Fused lead from battery hot to black wire on neutral safety switch. If fuse does not blow, issue is on hot wire into neutral safety (black/white) or switch itself. If fuse blows, the issue is on black wire further along circuit.

At the point where the issue is in the wiring from the neutral safety switch to pin 1 of the relay, it seems like it would be really hard to access all the wiring as it's all tied up in the main harness. Would there be any issues with just installing a button switch between pin 5 and 3 of the starter relay and just using that to start the car instead of actually turning the ignition? That is basically what I just did with the jump cable but I'm not sure if there are longer term risks to this.
May 6, 2022 at 1:57 PM
Avatar
STRAILER
  • CERTIFIED EXPERT
  • 53,854 POSTS
Aftermarket alarm? Those cause all kinds of trouble please remove it and see what happens.
May 6, 2022 at 2:40 PM
Avatar
SGTJAMZ
  • MEMBER
  • 4 POSTS
Yeah, I was worried about it, but it seemed like such a mess of wires and since it had an ignition kill built in, I was worried by trying to remove it I would make bigger issues.

Anyways, I isolated the issue to the wiring from the ignition to the neutral switch and opened up the steering column to do a quick glance and see if I could find anything obvious. It was more straightforward than I thought, and the aftermarket ignition shut off basically inserted its own harness between the ignition cylinder out plug and the rest of the car wiring. The ignition hot out of the cylinder ran through an alarm related relay before going back to connect with the wiring on through the neutral safety switch, and that wiring from the ignition cylinder to the alarm's relay had splice connectors in both directions that had uninsulated wire exposed which I think was rubbing against the steering column and grounding out. That explains why it would come and go seemingly randomly, since when I turned the steering wheel, I could see it would move those two wires and nothing else. I moved the wires over, so they won't be impacted by the steering wheel moving and wrapped electrical tape around the butt splices. Car is starting fine now, but I'll let you know if the problem comes back. Hopefully it's fixed permanently now!

Thanks again for all your help, especially the wiring diagram.
May 6, 2022 at 4:27 PM
Avatar
STRAILER
  • CERTIFIED EXPERT
  • 53,854 POSTS
Nice work, we are here to help, please use 2CarPros anytime.
May 7, 2022 at 9:58 AM