What is the purpose of a 40A cartridge fuse?

1998 NISSAN PATHFINDER
240,000 MILES
Avatar
MISTYDAWN@31
  • MEMBER
  • 1 POST
40A cartridge fuse.
May 6, 2022 at 8:09 AM
Advertisement
Avatar
STRAILER
  • CERTIFIED EXPERT
  • 53,854 POSTS
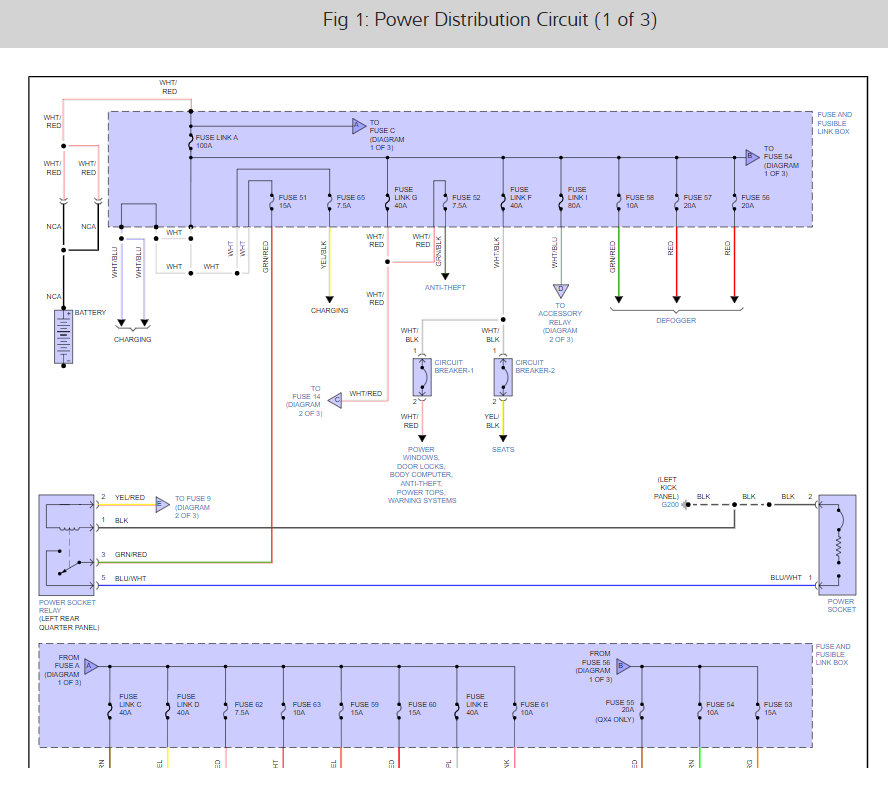
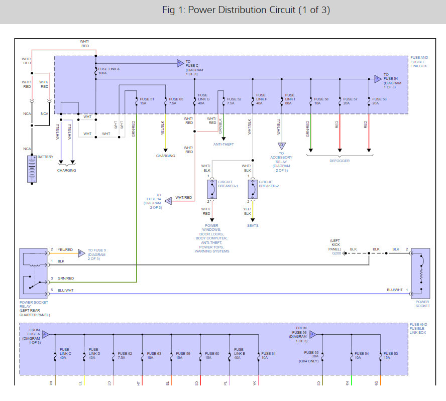
There are 5, 40-amp fuses in this car, can you check to see which one it is I found wiring diagrams of the fuses if you want to check it out. This guide check help as well:

https://www.2carpros.com/articles/how-to-check-a-car-fuse

Check out the diagrams (below). Let us know what happens and please upload pictures or videos of the problem.
May 6, 2022 at 2:55 PM