4 wheel selection not working properly?

2008 CHEVROLET SILVERADO
137,000 MILES • 5.3L • V8 • 4WD • AUTOMATIC
Avatar
GLJ100
  • MEMBER
  • 1 POST
My truck started to tell me of a 4 wheel drive fault. I was not able to select 4 wheel drive at all. When rotating the dial it would not change ever time but occasionally would,but it was never reliable. My truck now has gone into 4 wheel low without the front axle operating and wont move out.

Is this the TCCM that I need to change?
Dec 11, 2019 at 10:44 AM
Advertisement
Avatar
STRAILER
  • CERTIFIED EXPERT
  • 53,854 POSTS
Hello,

9 times out of 10 it will be the encoder motor on the transfer case. here is the location and how to change it out in the diagrams below. Check out the diagrams (below). Please let us know what happens.

Dec 12, 2019 at 3:22 PM
Avatar
ASHLEY97
  • MEMBER
  • 1 POST
Had axle seals replaced now it won’t go into four wheel drive. actuator engages the button on dash goes from 2 wheel drive to 4 wheel drive but nothing happens?
Nov 25, 2020 at 8:47 AM (Merged)
Advertisement
Avatar
STEVE W.
  • CERTIFIED EXPERT
  • 15,113 POSTS
I would start by checking to see if the front axle actuator under the truck on the passenger side of the differential is connected (item 8). It's possible it wasn't connected fully or that it has a bad connection. Either one would keep the front axle from locking in and give you no 4X4.
Nov 25, 2020 at 8:47 AM (Merged)
Avatar
JEFFS123$
  • MEMBER
  • 1 POST
No 4 wheel drive. Have replaced actuator and switch..never had a problem with until now. never had noise or grinding noise. it is a manual shift transfer case on the floor.
Nov 25, 2020 at 8:47 AM (Merged)
Avatar
KASEKENNY
  • CERTIFIED EXPERT
  • 18,907 POSTS
So we need to find out when you shift to 4WD if the front drive shaft is spinning? As you will see from the attachments on how this works that the switch just send signal to the actuator to engage the axles but if the transfer case is not spinning the front drive shaft to spin the front axle. If this is not happening then the issue is in the shifter or the transfer case itself. If the front drive shaft is spinning then we need to look into wiring issues to the switch or actuator. Does the 4WD indicator come on like it should?
Nov 25, 2020 at 8:47 AM (Merged)
Avatar
BEAUDRO
  • MEMBER
  • 1 POST
won't go into either 4wd hi or low , the light indicates that it shifted into 4x4 , you can hear it "clink" but it's not going into 4x4. I rarely use 4wd and it failed during a major snow storm.
Nov 25, 2020 at 8:47 AM (Merged)
Avatar
JACOBANDNICKOLAS
  • CERTIFIED EXPERT
  • 110,175 POSTS
If you can hear the transfer case shifting, then chances are there is a vacuum leak to the front axle. Check for leaks or damaged vacuum hoses from the engine to the transfer case and then the front axle. If they are all good, make sure you are getting power to the 4wd actuator and it is working properly.

Let me know if you have other questions.

Joe
Nov 25, 2020 at 8:47 AM (Merged)
Avatar
ANDY KEYA
  • MEMBER
  • 2 POSTS
front wheel drive on my 2004 3500 will not work, i have put in a new acuator
Nov 25, 2020 at 8:47 AM (Merged)
Avatar
JACOBANDNICKOLAS
  • CERTIFIED EXPERT
  • 110,175 POSTS
Have you checked for vacuum leaks at the front axle? When you say actuator, are you referring to the one on the transfer case or the front axle?
Nov 25, 2020 at 8:47 AM (Merged)
Avatar
ANDY KEYA
  • MEMBER
  • 2 POSTS
changed differential actuator, seems like the acuator in the trns.case is working , it will engage the front drive shaft when i engage the switch
Nov 25, 2020 at 8:47 AM (Merged)
Avatar
JACOBANDNICKOLAS
  • CERTIFIED EXPERT
  • 110,175 POSTS
Is there power to the actuator on the front axle? I'm trying to remember if the axle actuator is vacuum or electric actuated. So much has changed in 6 (sorry, 7) years. If the transfer case is working, then either the actuator on the axle isn't or you have an internal problem within the axle. You may need to start taking things apart.
Nov 25, 2020 at 8:47 AM (Merged)
Avatar
ALEXMONROE
  • MEMBER
  • 1 POST
After having service light on my 4x4 on at various times here lately the 4x4 will not engage, not even light up all of the sudden.
Nov 25, 2020 at 8:47 AM (Merged)
Avatar
JACOBANDNICKOLAS
  • CERTIFIED EXPERT
  • 110,175 POSTS
If the service 4wd light was on, you need to have the computer scanned to identify where the problem is coming from. Most parts stores will do it for free.

Let me know what you find.

Joe
Nov 25, 2020 at 8:47 AM (Merged)
Avatar
  • MEMBER
  • 1 POST
jump started truck, now no electric to gauges, no radio, no 4wd, no power windows, no abs. odometer not working ... fuses seem okay. charging battery okay
runs okay everything else works
Nov 25, 2020 at 8:47 AM (Merged)
Avatar
DOCHAGERTY
  • CERTIFIED EXPERT
  • 9,603 POSTS
Modern vehicles can be sensitive to electrical issues. An extreme inrush of exterior power(as in a "jump start")can sometimes cause unexpected problems. Large voltage excursions can damage sensitive modules and render some functions inoperative. I suggest your schedule an appointment with your Chevrolet service provider straightaway.
Nov 25, 2020 at 8:47 AM (Merged)
Avatar
JRR5471
  • MEMBER
  • 1 POST
I have just replaced the transfer case and the transfer case module on this truck. The Transfer case is from a used lot and the transfer module is remanufactured. The problem is that when I'm driving the truck and stop or let off the gas, on four occasions within the last month, it has been like the truck was in neutral. It was still in gear, but the transmissin is not engaging and acting as if it's shifted into neutral. It's not though. The way I have corrected it is to hit the Autoselect 4WD button or the 4HI button. Immediatly, you an feel the transfer case engage and it corrects the problem. I can then shift it back to 2Hi and it works as it should. What is causing this problem.
In addition to that, today, it's raining, it did it twice today with me correcting it with the button mashing I just described. I don't know if it's related to it or not, but today, I am having problems with my wipers not turning off. You can put them on intermittent and that worked for awhile. However, when I go to turn them off, they don't turn off. They will work if shifted to high speed and back to low speed, but not intermitent and they will not turn off when placed in the off position. What's going on with this? IS it related to the tranny problem too?
Nov 25, 2020 at 8:52 AM (Merged)
Avatar
FACTORYJACK
  • CERTIFIED EXPERT
  • 4,159 POSTS
As far as the transfer case is concerned, when the neutral condition occurs, does the indicator show neutral? To electronically shift into neutral requires simultaneously pressing 2hi and 4lo. This specific resistance value(or volt drop) is interpreted by the module, and corresponds to the selected range output. Is this what the transfer case and module were replaced in attempt to correct? What do the switch indicators do when this happens? I am not certain what would happen, but if you are selected in 2hi, and you disconnect the encoder on the case, would it stay in 2hi. If that is the case, it may be worth a try to see if the problem is still reproduced. If so, I would say you have something going on in the case(mechanical). You may have some corresponding service 4WD indicator, and some codes set, but you should still be able to operate it, and the codes would clear when normal operation is resumed. Otherwise, you may need a scan tool that would communicate with the ATC module, and check to see if inputs are telling it to go into neutral.
As far as the wipers are concerned, I don't see how they would be related to the transfer case.So you have high speed, lo speed respectively, but no intermittent? When the switch is in intermittent, do the wipers just stop anywhere on the windshield, or do they continue on lo speed with no pulse? My first guess would be a wiper module that has the switch signal shorted to voltage internally, It could also be a switch. I will forward you the diagnostic chart for wipers always on.
----------------------------------------------------------------------
Wipers Always On
Step
Action
Yes
No

Schematic Reference: Wiper/Washer Schematics

Connector End View Reference: Wiper/Washer Connector End Views Lighting Systems Connector End Views

DEFINITION: Windshield wipers are always ON at low or high speed.

1
Did you review the Wiper/Washer System Description and Operation and perform the necessary inspections?
Go to Step 2
Go to Symptoms - Wiper/Washer Systems

2
Turn the windshield wiper/washer switch OFF.
Turn the ignition ON, with the engine OFF.
Are the windshield wipers always on?
Go to Step 3
Go to Testing for Intermittent Conditions and Poor Connections in Wiring Systems

3
Turn the ignition OFF.
Disconnect the turn signal multifunction switch connector C3.
Turn the ignition ON, with the engine OFF.
Are the windshield wipers always on?
Go to Step 4
Go to Step 7

4
Are the windshield wipers always ON at high speed?
Go to Step 5
Go to Step 6

5
Test the windshield wiper switch high signal circuit for a short to ground. Refer to Circuit Testing and Wiring Repairs in Wiring Systems.

Did you find and correct the condition?
Go to Step 11
Go to Step 9

6
Test the windshield wiper switch signal circuit for a short to voltage. Refer to Circuit Testing and Wiring Repairs in Wiring Systems.

Did you find and correct the condition?
Go to Step 11
Go to Step 9

7
Inspect for poor connections at the windshield wiper/washer switch. Refer to Testing for Intermittent Conditions and Poor Connections and to Connector Repairs in Wiring Systems.

Did you find and correct the condition?
Go to Step 11
Go to Step 8

8
Replace the windshield wiper/washer switch. Refer to Turn Signal Multifunction Switch Replacement in Steering Wheel and Column.

Did you complete the replacement?
Go to Step 11
--

9
Inspect for poor connections at the windshield wiper motor module. Refer to Testing for Intermittent Conditions and Poor Connections and to Connector Repairs in Wiring Systems.

Did you find and correct the condition?
Go to Step 11
Go to Step 10

10
Replace the windshield wiper motor module. Refer to Windshield Wiper Motor Replacement .

Did you complete the replacement?
Go to Step 11
--

11
Operate the system in order to verify the repair.

Did you correct the condition?
System OK
Go to Step 3
Nov 25, 2020 at 8:52 AM (Merged)
Avatar
NICKY6998
  • MEMBER
  • 1 POST
I try to put my truck into 4x4 and I hear clicks from underneath, the lights blink, and nothing happens. Replaced the front actuator already.
Nov 25, 2020 at 8:53 AM (Merged)
Avatar
ASEMASTER6371
  • CERTIFIED EXPERT
  • 52,796 POSTS
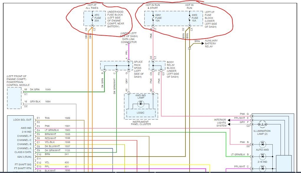
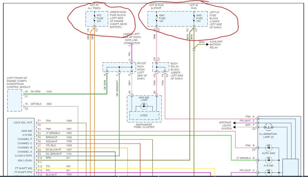
Good morning,

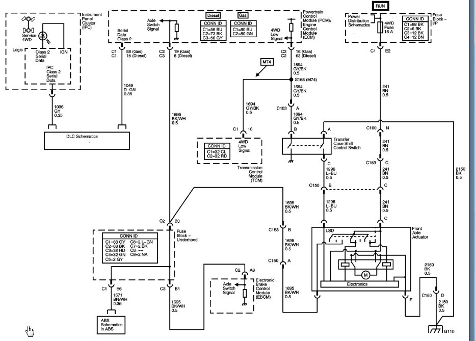
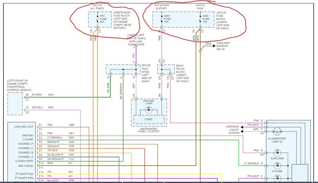
I attached a wiring diagram of the system for you to view.

Check the fuses I circled to be sure they have power on both sides with the key on.

https://www.2carpros.com/articles/how-to-check-a-car-fuse

You need to test for voltage to the motor on the transfer case to be sure the motor has the power to change to 4 wheel.

https://www.2carpros.com/articles/how-to-check-wiring

Roy

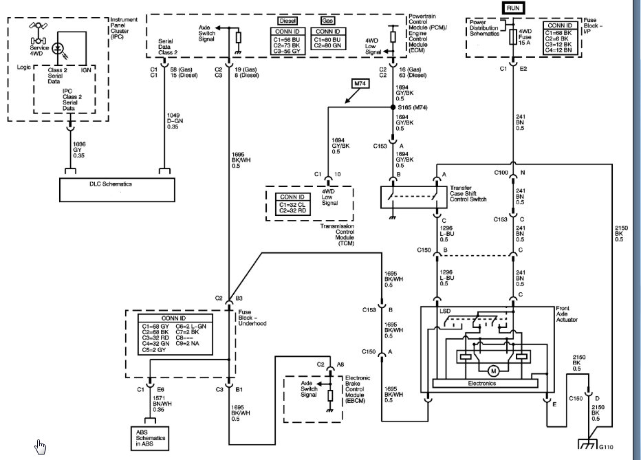
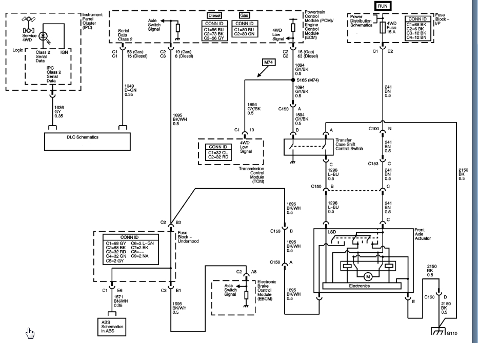
Transfer Case Motor/Encoder Replacement

Removal Procedure


imageOpen In New TabZoom/Print


1. Raise and suitably support the vehicle. Refer to Vehicle Lifting.
2. Remove the transfer case shield.
3. Remove the front propeller shaft.
4. Remove the motor/encoder electrical connectors.


imageOpen In New TabZoom/Print


5. Remove the motor encoder mounting bolts.
6. Remove the motor encoder assembly.
7. Remove the motor encoder gasket.
Nov 25, 2020 at 8:53 AM (Merged)
Avatar
DIAMONDS
  • MEMBER
  • 1 POST
When I pull the 4-wheel drive lever to engage the 4-wheel drive, the light comes on in the dash, but the front differential does not engage. The fuse is good on the driver's side fuse panel. Where do I start looking for the problem?
Nov 25, 2020 at 8:53 AM (Merged)
Avatar
JOBIES
  • MEMBER
  • 2 POSTS
i too had the same issue on my 94 silverado truck , the 4x4 fuse good ? how about the actuator switch located on the transfer case- this switch can be checked by unscrewing it, engaging the 4x4, testing it with a light tester - if this switch is bad , will not engage - also, a broken fork inside the transfer case might have broken, would need to open it up to find out though -
Nov 25, 2020 at 8:53 AM (Merged)