Four wheel drive will not disengage from four low?

1999 CHEVROLET SILVERADO
100,000 MILES • 7.4L • V8 • 4WD • AUTOMATIC
Avatar
BBBIGBLOCK
  • MEMBER
  • 7 POSTS
Hello, just did a full rebuild on my truck listed above k2500 and when I went to put the battery back in the darn encoder motor started cycling with the engine off and no key in ignition. I replaced and rebuilt the transfer case after my service shop told me it was the nylon pads on the shift forks but it wasn't that. I had the transmission out and serviced it well the engine was out but don't see how that would screw with my t-case. I replaced the TCCM and encoder and front actuator and shift buttons on dash still nothing going. I can pull the fuse and shut off the TCCM and encoder but I would like drive my 4x4 and not have a big block prerunner. Any advice on maybe wiring or something that I messed up would be much appreciated. Have went through about 20 mechanics now and nothing.
Sep 22, 2019 at 4:51 AM
Advertisement
Avatar
MASTERWRENCH
  • CERTIFIED EXPERT
  • 258 POSTS
Welcome to 2CarPros!

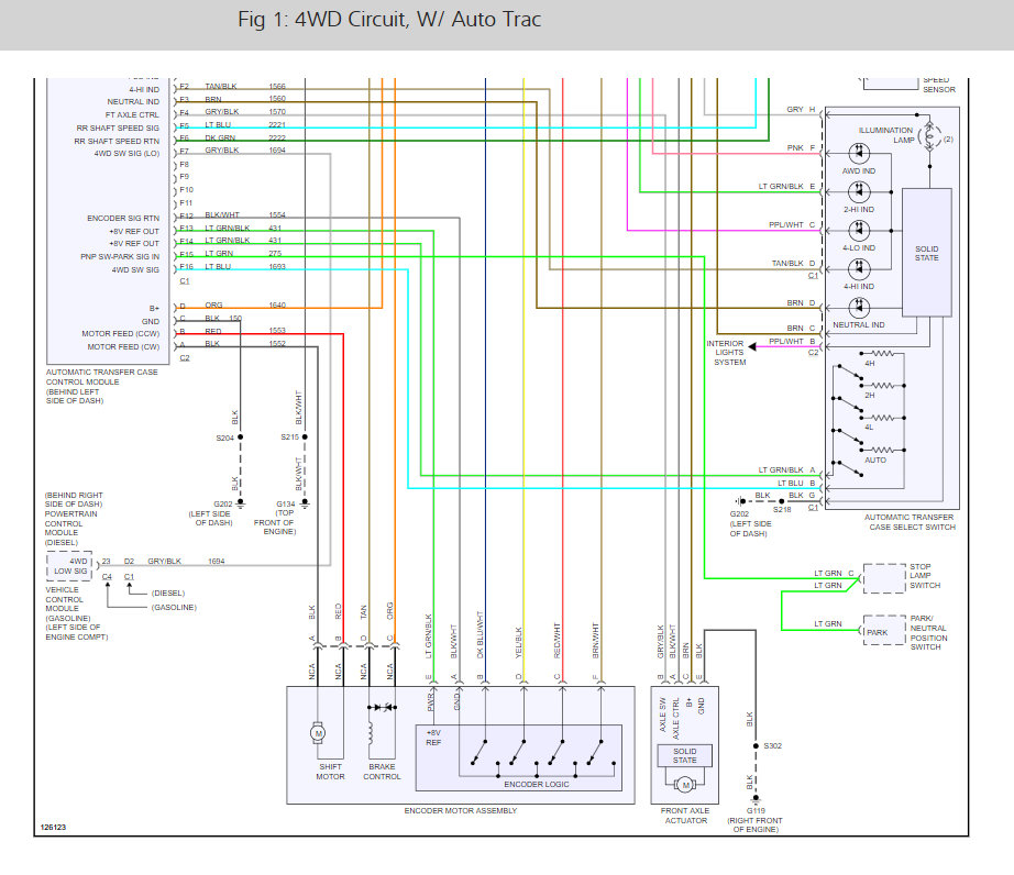
The encoder is the portion of the shift motor assembly that senses the current position or mode of the transfer case. It communicates this info back to the TCCM. If you're experiencing the shift motor continually cycling, it's most likely because it doesn't know what position the transfer case is in or it thinks it's in between modes (ie. between 2Hi and 4Hi). When this occurs, the TCCM starts actuating the motor in one direction or another, trying to establish a known position. If it isn't able to achieve this, it will continue cycling indefinitely. This could either be the result of a wiring issue on the encoder circuits, or a mechanical issue inside the transfer case that's not allowing it to complete a shift.

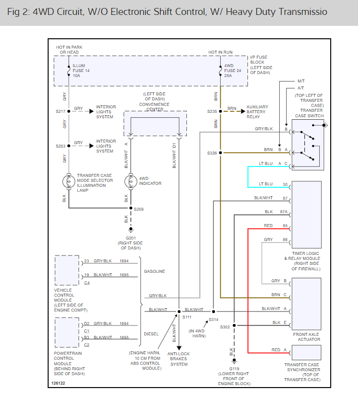
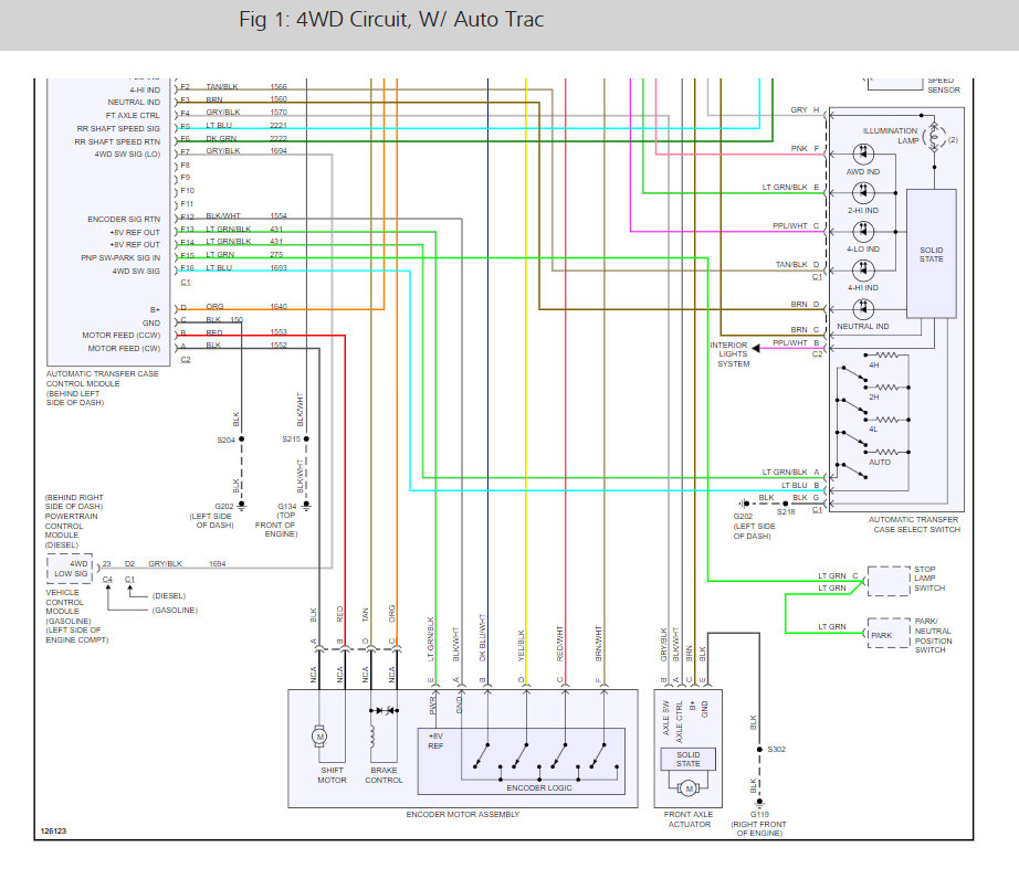
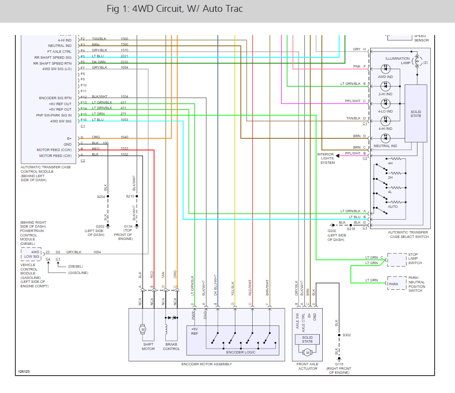
I've attached a copy of the transfer case system wiring diagram for your reference. Also, have you tried removing the shift motor and attempt to manually shift the t-case with a pair of vice grips on the selector shaft? If you can't shift it manually, there's a good chance something was assembled incorrectly in the t-case when it was rebuilt.

On the diagram, the TCCM is located on the left side of the page. The encoder is at the bottom and the shift motor itself is on the right side in the middle.

Let us know what you find!
Sep 22, 2019 at 10:22 AM
Avatar
BBBIGBLOCK
  • MEMBER
  • 7 POSTS
Thanks so much. Yes, it seems lost just cycling indefinitely can't find home. It will slam itself back into 4 lo but when I push the button again it just cycles then back to 4 lo. Then when I turn the ignition off it starts cycling once again. I have and can shift it with the encoder off of the transfer case. I have fully rebuilt the tcase because we thought that might be an issue but it wasn't. I will look at the wiring diagram and see if something is screwed up on that end. Thanks again. Did the video of the encoder come through? Just wondering.
Sep 25, 2019 at 6:29 AM
Advertisement
Avatar
BBBIGBLOCK
  • MEMBER
  • 7 POSTS
Here it is again if it did not. This is what it does with the key off.
Sep 25, 2019 at 6:41 AM
Avatar
STRAILER
  • CERTIFIED EXPERT
  • 53,854 POSTS
Yep they do this when the position switched inside go bad, have you tired a new encoder?
Sep 27, 2019 at 7:15 PM
Avatar
BBBIGBLOCK
  • MEMBER
  • 7 POSTS
Yes I have. This is the new one it does the same things the old one. I mean it could be that it is another bad one. Will try another one. Will then see what happens.
Sep 27, 2019 at 7:32 PM
Avatar
STRAILER
  • CERTIFIED EXPERT
  • 53,854 POSTS
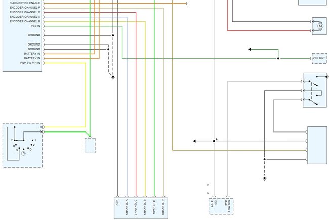
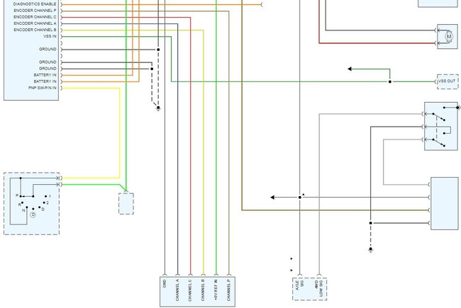
If the encoder has been changed out the control module is bad here is the location. Check out the diagrams (below). Please let us know what happens.
Sep 29, 2019 at 9:56 AM
Avatar
BBBIGBLOCK
  • MEMBER
  • 7 POSTS
That is the kicker, I have literally replaced everything in the 4 wheel drive system. Rebuilt tcase, replaced buttons on dash, TCCM, encoder, front actuator and the little light switch on the tcase even. Nothings seems to work but there can be duds and maybe I will try another TCCM and encoder and hope it fixes the problem. Could a pin in the harness maybe be screwed up or something easy? It literally started happening when I replaced the transmission from my engine rebuild. Will try new TCCM and encoder and will post if it works. Thanks again
Sep 29, 2019 at 11:50 AM
Avatar
STRAILER
  • CERTIFIED EXPERT
  • 53,854 POSTS
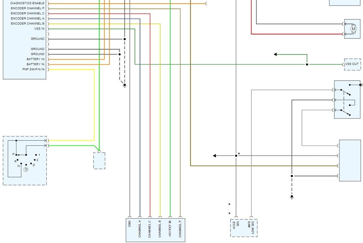
Yep, that was my next thing to do. here is a guide and the wiring diagrams so you can do some testing:

https://www.2carpros.com/articles/how-to-check-wiring

Check the power and grounds as well. Check out the diagrams (below). Please let us know what happens.

Sep 30, 2019 at 4:48 PM
Avatar
BBBIGBLOCK
  • MEMBER
  • 7 POSTS
Thanks so much will give it a go this weekend. Most embarrassing and frustrating thing I have ever encountered working on a vehicle. Literally been chasing this bug for 2+ years. Much appreciated and fingers crossed.
Oct 1, 2019 at 10:19 AM
Avatar
STRAILER
  • CERTIFIED EXPERT
  • 53,854 POSTS
We will get it fixed have not had one yet that has yet to be. Check the power fuse #14 and grounds.
Oct 1, 2019 at 11:45 AM
Avatar
BBBIGBLOCK
  • MEMBER
  • 7 POSTS
The fuse Is good because that is what I have to pull to shut the darn encoder off. Otherwise , it just keeps cycling trying to find home. The only reason I brought up the pins in the harness is because it started right after I put the harness back on a couple years ago. It literally was fine before I did my rebuild everything worked then boom out of nowhere I hooked the battery back up and was excited to go 4 wheeling with my fresh build and it started cycling. Then I replaced every piece of the four wheel drive system and nothing. just a big heavy pre runner now. But I will use the schematic and see if I can figure it out. It has the 3 button center dash configuration. It's a mutt truck old body style with some newer model stuff but pretty much a 98 k 2500 ls 7.4....
Oct 1, 2019 at 7:15 PM
Avatar
STRAILER
  • CERTIFIED EXPERT
  • 53,854 POSTS
The problem must be in the wiring. Let me know what you find.
Oct 2, 2019 at 11:00 AM
Avatar
OWEN8082
  • MEMBER
  • 2 POSTS
The last time I tried to take my truck out of 4wd with the automatic button it quit working. It just breaks the fuse for the transfer case and the lights go out. It's now stuck in 4wd.
Sep 2, 2020 at 10:46 AM (Merged)
Avatar
JACOBANDNICKOLAS
  • CERTIFIED EXPERT
  • 110,175 POSTS
On the transfer case is an electric actuator. Remove the wiring harnes plug to it and check to make sure there are no melted or damaged pins. Also, make sure there are no skinned wires going to it. If that is all good, remove the actuator and have it checked. IT may have shorted internally.

Let me know what you find.

Joe
Sep 2, 2020 at 10:46 AM (Merged)
Avatar
OWEN8082
  • MEMBER
  • 2 POSTS
You wereright - bad actuator. Thanks!
Sep 2, 2020 at 10:46 AM (Merged)
Avatar
JACOBANDNICKOLAS
  • CERTIFIED EXPERT
  • 110,175 POSTS
Glad to help. Let us know if you have other questions in the future, and thanks for using 2carpros.com.

Happy Thanksgiving.

Joe
Sep 2, 2020 at 10:46 AM (Merged)
Avatar
VT_FISHING
  • MEMBER
  • 4 POSTS
Here it is. I have a 1995 K1500 Silverado. Was pulling my boat
(small/light boat) and a gate started to close as I was going through.
So I hit the gas to get through, then I heard a big clunk/break sound from the transmission or transfer case. Truck jumped completely out of gear and mph gauge was running between 10 - 15 mph when sitting still. When I put it in park there was a grinding from the drive train. Tried to put it back in gear (Drive) and it would not go in gear but the MPH gauge would go up to 10 - 15 mph. Returned to Park and the grinding sound again. So tried to put it in 4WD high and it went in gear, then put it back to 2WD and worked for a short time (20 sec. Tried to drive the truck and it made a huge clunking sound underneath, then jumped out of gear again, but MPH still going about 10 - 15 when out of gear and setting still. When I ran it for a short period of time I got up to 35 mph before it kicked out of gear. The transmission seemed to shift fine until it jumped out. Drained transfer case fluid and found numerous large flakes (larger than pepper) of metal shavings in the fluid. The transmission only has about 55,000 miles and the transfer case has 214,000. The fluid level was fine in both. Seems to me if the MPH is running and the trans shifts fine when it does move then is something messed up in the transfer case. Suggestions????
Sep 2, 2020 at 10:46 AM (Merged)
Avatar
DOCFIXIT
  • CERTIFIED EXPERT
  • 18,828 POSTS
Suspect Forward clutch is siezing that will cause trans to turh in Neutral and park. Maybe fault in Pressure Switch Manifold. Check light on?
Sep 2, 2020 at 10:46 AM (Merged)
Avatar
VT_FISHING
  • MEMBER
  • 4 POSTS
Unfortunately there is no light on indicating a problem or I could hook a computer to it. The trans doesn't turn in Park or Neutral, but does turn when in R,D,3,2,1. This is indicated by the speedometer reading 10 - 15 even when sitting still, right? If I hit the gas the speedometer jumps to a higher speed. This happens when the transfer case/transmission will not engage or not be in gear.

Now by using the floor shifter 4WD Low, 2WD, 4WD High and can get it to engage in one of those, meaning when in any gear (other than neutral or park) the speedometer is reading 0, as it should. When I start to drive the truck there is a loud clunck associated with how fast the drive train is turn. So the cluncking speeds up as I go faster, and I mean loud cluncking like a barring completely missing and stuff really jumping around. After the initial break I only drove the truck about 1/4 mile and it would jump out of gear. Doesn't matter which gear I'm in. Hopefully this helps clarify what going on.
Sep 2, 2020 at 10:46 AM (Merged)
Avatar
DOCFIXIT
  • CERTIFIED EXPERT
  • 18,828 POSTS
I'm clear on what to do and that is pull trans and repair
Sep 2, 2020 at 10:46 AM (Merged)