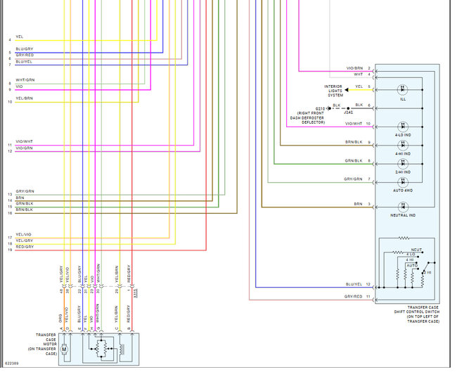
The Service 4WD light was coming on intermittently. The truck would go into 4 wheel drive but if put under load, the 4 wheel drive wouldn't stay engaged. Has now progressed to Service 4WD light and Service Stabilitrak lights on continuously. These lights come on immediately when truck is started and stay on. Even after codes were cleared with a scan tool and battery was disconnected for 10 minutes and reconnected. Truck will not shift into 4 wd at all. No noises, leaks or smells under the vehicle. Every time I run a full system scan, it says Lost Communication with TCCM. I don't think the TCCM even begins communicating because the Service 4WD light comes on in the KOEO situation. Several have said it's the shift motor and a few say the Trsnsfer Case. I just don't buy either one of those ideas. I have checked, repaired and/or replaced every ground connection on the vehicle and taken every connector to the transmission and transfer case loose, cleaned it, applied dielectric grease and reconnected it. Exactly which module is it (location), how do I identify it, how do I get a diagnostic flow chart for it, and do you think the TCCM is the issue or am I missing something?
Apr 21, 2026 at 4:19 AM



