Four brown wires

1993 AUDI 90
2,430,000 MILES • 6 CYL • AUTOMATIC
Avatar
STACIE ORTEGA
  • MEMBER
  • 2 POSTS
I have three brown wires with red stripes and one brown wire with black stripe. They are wrapped together in the same harness! So the injector wires. Where do they go?
Feb 16, 2022 at 1:51 PM
Advertisement
Avatar
JACOBANDNICKOLAS
  • CERTIFIED EXPERT
  • 110,175 POSTS
Hi,

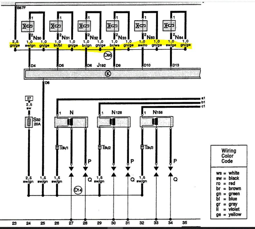
Is it possible for you to take a pic and upload it for me to see? I went through several wiring schematics and the colors you indicated are not to the injectors.

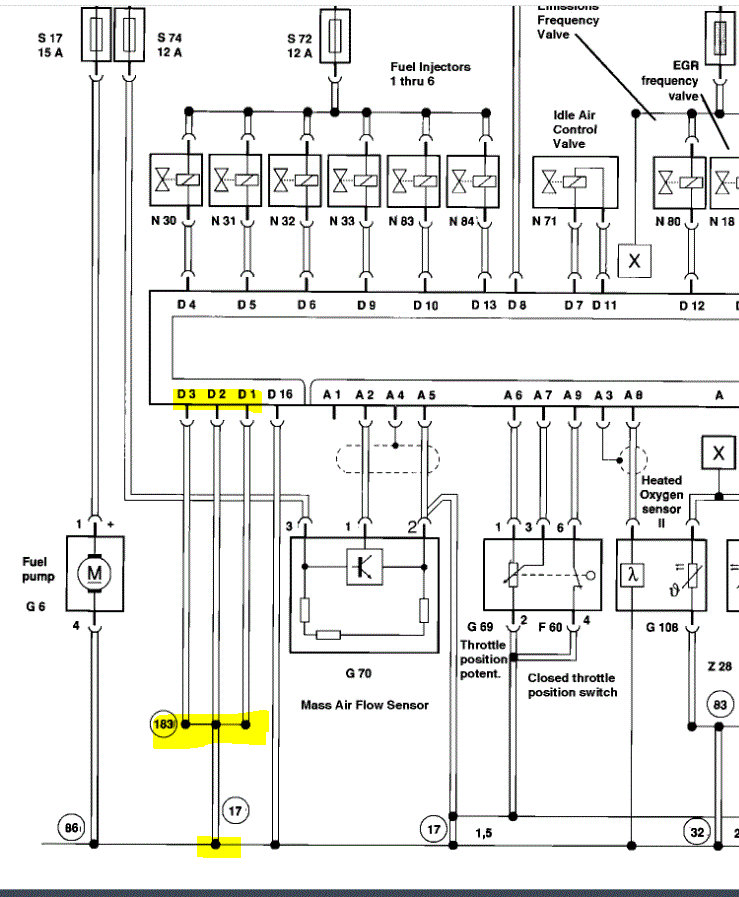
IF you look at the pic below, that is a factory wiring schematic showing the injectors and the color wires going to them. Where is the harness located?

Let me know.

Joe

See pic below.
Feb 16, 2022 at 7:18 PM
Avatar
STACIE ORTEGA
  • MEMBER
  • 2 POSTS
It's at rear passenger side of the engine and these wires are with the injector wires harness.
Feb 19, 2022 at 11:21 AM
Advertisement
Avatar
JACOBANDNICKOLAS
  • CERTIFIED EXPERT
  • 110,175 POSTS
Hi,

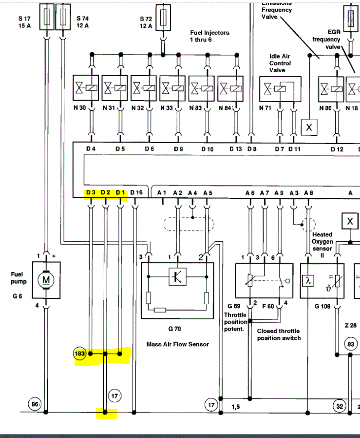
First, please understand because of the model year, I have only very primitive wiring schematics. However, based on two things, I feel they are grounds.

Based on the connector type, where they are located, and being in that harness, they are likely the ground for the PCM/Injector circuit.

If you look at the pics below, I feel this is what you are dealing with. For some reason, Audi was nice enough to not provide wire color in their schematics in 1993.

Here is what I need you to do. Use a test light, voltmeter, multimeter, or anything you have to check for current/power, with the key on, confirm there is no power to the wires. If there isn't, I suspect my theory is correct. Bolt them to the intake manifold or to any known good ground.

Let me know if this helps.

Take care,

Joe

See pics below.
Feb 19, 2022 at 12:45 PM